电脑桌面
添加小米粒文库到电脑桌面
安装后可以在桌面快捷访问

产品实现过程策划控制程序

产品实现过程策划控制程序_第1页
1/5
产品实现过程策划控制程序_第2页
2/5
产品实现过程策划控制程序_第3页
3/5
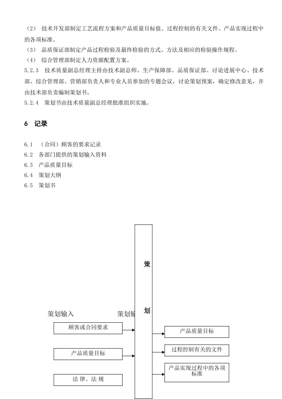
1 目标 确保产品实现过程策划得到有效控制,确保产品实现的策划达到质量目标,按质按量实现产品的生产,最终满足顾客的要求。2 适用范围 本程序适用于公司各类产品实现过程的策划。3 职责分配3.1 技术开发部负责对公司各类产品的实现进行过程策划。3.2 技术副总师负责对分管产品的实现过程所需的技术文件进行确认、批准。3.3 技术质量副总经理批准产品实现过程的策划。3.4 各部门向技术部提供过程策划中所需的各项资料、文件。4 程序描述的流程图(附后)5 控制程序5.1 策划依据 策划输入即策划依据。如流程图所示。5.2 策划过程的控制5.2.1 识别顾客要求 技术开发部根据顾客的要求,确定产品质量目标,制定策划大纲,并提供产品实现所需的各类工艺技术文件与技术标准,其他各部门根据下述要求提供策划大纲的内容:(1) 营销部提供市场需求及顾客(或合同)对产品的要求情况与资料;(2) 生产计划部提供实现产品的生产能力、公司设备资源能力的数据与资料;(3) 品质保证部提供保证质量目标实现的检测能力的数据与资料;(4) 技术开发部提供与产品有关的国家、行业、企业标准和公司开发设计能力(人员、设施);(5) 综合管理部提供生产人员能力的适应情况的资料。5.2.2 根据各部门提供的输入资料,拟订策划(预案):(1) 生产保障部制定生产进度计划方案、设备配置方案、原器材的供方计划方案。(2) 技术开发部制定工艺流程方案和产品质量目标值、过程控制的有关文件、产品实现过程中的各项标准。(3) 品质保证部制定产品过程检验及最终检验的方式、方法及相应的检验操作规程。(4) 综合管理部制定人力资源配置方案。5.2.3 技术质量副总经理主持由技术副总师、生产保障部、品质保证部、讨论进展中心、技术部、综合管理部、营销部负责人和专业人员参加的专题会议,讨论策划预案,确定修改意见,并由技术部负责编制策划书。5.2.4 策划书由技术质量副总经理批准组织实施。6 记录6.1 (合同)顾客的要求记录6.2 各部门提供的策划输入资料6.3 产品质量目标6.4 策划大纲6.5 策划书 策划输入 策划输出顾客或合同要求产品质量目标法 律、法 规策 划产品质量目标过程控制有关的文件产品实现过程中的各项标准产品实现过程策划流程图顾客对产品的要求要求识别产品质量目标评 审与产品有关的国家标准公司的设备资源能力人员能力的适应情况市 场 信 息工 艺 流 程设 备 配 置人力资源配置产品实现...

1、当您付费下载文档后,您只拥有了使用权限,并不意味着购买了版权,文档只能用于自身使用,不得用于其他商业用途(如 [转卖]进行直接盈利或[编辑后售卖]进行间接盈利)。
2、本站所有内容均由合作方或网友上传,本站不对文档的完整性、权威性及其观点立场正确性做任何保证或承诺!文档内容仅供研究参考,付费前请自行鉴别。
3、如文档内容存在违规,或者侵犯商业秘密、侵犯著作权等,请点击“违规举报”。

碎片内容

产品实现过程策划控制程序

确认删除?
VIP
微信客服
  • 扫码咨询
会员Q群
  • 会员专属群点击这里加入QQ群
客服邮箱
回到顶部