电脑桌面
添加小米粒文库到电脑桌面
安装后可以在桌面快捷访问

住宅商品房木模板施工方案审批版

住宅商品房木模板施工方案审批版_第1页
1/102
住宅商品房木模板施工方案审批版_第2页
2/102
住宅商品房木模板施工方案审批版_第3页
3/102
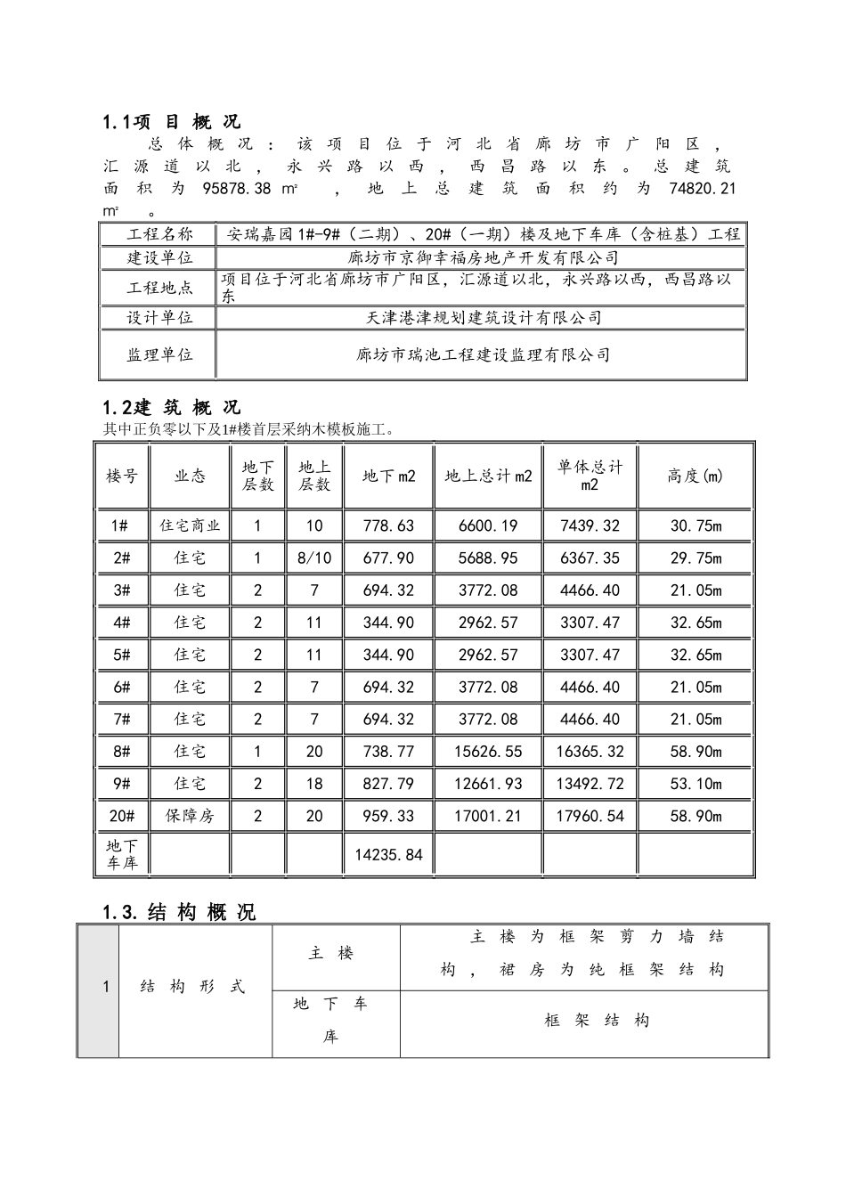
目 录1. 、 工 程 概 况 ...................................................31.1 项 目 概 况 ...................................................31.2 建 筑 概 况 ...................................................31.3. 结 构 概 况 .................................................32 、 . 编 制 依 据 ...................................................42.1. 法 律 规 范 、 规 程 及 管 理 文 件 .....................42.2. 施 工 图 纸 .................................................53 、 施 工 组 织 框 架 图 ........................................54 、 施 工 安 排 ...................................................64.1 人 员 准 备 及 安 排 ........................................64.2 材 料 选 型 及 安 排 ........................................85 、 施 工 准 备 及 资 源 配 备 计 划 ............................95.1 材 料 计 划 .................................................95.2 机 具 、 设 备 计 划 ......................................106 、 施 工 方 法 及 工 艺 要 求 .................................106.1 垫 层 及 防 水 保 护 层 模 板 ............................106.2 基 础 底 板 模 板 ..........................................106.3 墙 体 模 板 .................................................136.4 柱 模 板 ....................................................176.5 顶 板 支 撑 体 系 ..........................................196.6 梁 模 板 ....................................................216.7 楼 梯 模 板 .................................................236.8 门 窗 洞 口 模 板 ..........................................266.9 施 工 缝 及 后 浇 带 模 板 ...............................276.10 模 板 拆 除 ...............................................297 、 质 量 标 准 及 保 证 措 施 .................................317.1 预 埋 件 和 预 留 孔 洞 的 质 量 标 准 .............

1、当您付费下载文档后,您只拥有了使用权限,并不意味着购买了版权,文档只能用于自身使用,不得用于其他商业用途(如 [转卖]进行直接盈利或[编辑后售卖]进行间接盈利)。
2、本站所有内容均由合作方或网友上传,本站不对文档的完整性、权威性及其观点立场正确性做任何保证或承诺!文档内容仅供研究参考,付费前请自行鉴别。
3、如文档内容存在违规,或者侵犯商业秘密、侵犯著作权等,请点击“违规举报”。

碎片内容

住宅商品房木模板施工方案审批版

确认删除?
VIP
微信客服
  • 扫码咨询
会员Q群
  • 会员专属群点击这里加入QQ群
客服邮箱
回到顶部