电脑桌面
添加小米粒文库到电脑桌面
安装后可以在桌面快捷访问

供配电及电气控制工程施工方案

供配电及电气控制工程施工方案_第1页
1/21
供配电及电气控制工程施工方案_第2页
2/21
供配电及电气控制工程施工方案_第3页
3/21
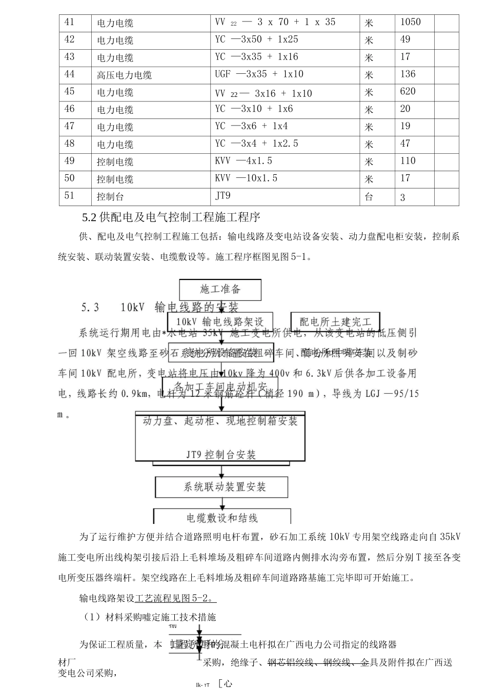
供配电及电气控制工程施工方案5.1 概述(1)砂石加工系统供配电砂石加工系统用电设备主要有破裂机、筛分机、螺旋分级机、胶带机、给料机、水泵和施工照明等组成,总容量约为 2950kW,用电设备电压 380V 和 6.3KV。运行期供电由*水电站左岸 35kv 施工变电所的低压侧 10kv 引出一回专用回路经 10kv 架空线路至砂石加工系统的各单元配电变压器降为 0.4kv 和 6.3KV 供给各用电设备。加工系统中容量大于 15kw 电动机由自耦减压起动箱起动,小于 15kw 电动机由磁力起动器起动(2)砂石加工系统电气控制砂石加工系统正常运行期间,生产设备实行逆料逐台起动、顺料流逐台停机的运行方式。运行时某台设备故障停机,其前面的所有设备待物料全部进入成品堆场后,逐台按正常运行方式停机;其后的所有设备则立即停机。砂石系统分三个相对独立的控制单元,即粗碎车间、半成品料仓单元和预筛分车间、筛分车间、中碎调节料仓、中碎车间、细碎车间、成品料仓单元以及制砂车间、制砂给料仓单元。三个单元分别独立运行。砂石加工系统实行自动控制为主,现场手动控制为辅的控制方式。(3)砂石加工系统供配电和电气控制主要工程量供配电及电气控制工程主要项目有:10kv 架空输电线路架设及配电所设备安装、0.4kv 动力盘及配电柜安装、控制屏(台、柜、箱)安装、系统联动装置安装、电缆敷设连接、独立控制单元调试和系统联动调试等。砂石系统供配电及电气控制工程主要工程量见下表 5-1。表 5-1 供配电及电气控制工程主要工程量表序号名称型号/规 格单位数量备注110kv 变压器S9-10/10 10kvA10±2X2.5%/0.4 Y,yno台2V —L—210kv 变压器S9-5/10 5kvA10±2X2.5%/0.4 Y,yno台1310kv 变压器S6-560/10 560kvA10±2X2.5%/6.3 Y,D11台14跌落式高压熔断器RW3 -10/2 熔体 150A个65跌落式高压熔断器RW3 -10/2 熔体 1A个66跌落式高压熔断器RW3 -10/1 熔体 50A个67避雷器Y5WS1 -17/50台12110.4kv 固定式低压配电屏XL-21面4GGD2 -37B面313自耦减压起动柜XJO1 -1面1XJO1 -75面6XJO1 -55面1014照明分电箱E4C11FD个1115磁力起动器QC12 -5/H、4/H、4/6 3/6个3915户外现地控制箱JX5个2916单管荧光灯1x 40W220V套1017双管荧光灯2 x 40W220V套518投光灯HTG135 - 41 x套419长方形吸顶灯2 x 40W220V套620防水防尘灯HGF2 -11 x 1W220V套4021浅半圆吸顶灯1x 60W220V套822单相二、三极暗插座10A220V个1223单联单控暗插座10A220V...

1、当您付费下载文档后,您只拥有了使用权限,并不意味着购买了版权,文档只能用于自身使用,不得用于其他商业用途(如 [转卖]进行直接盈利或[编辑后售卖]进行间接盈利)。
2、本站所有内容均由合作方或网友上传,本站不对文档的完整性、权威性及其观点立场正确性做任何保证或承诺!文档内容仅供研究参考,付费前请自行鉴别。
3、如文档内容存在违规,或者侵犯商业秘密、侵犯著作权等,请点击“违规举报”。

碎片内容

供配电及电气控制工程施工方案

您可能关注的文档

范哲铺+ 关注
实名认证
内容提供者

想你所想,急你所急,你需要的都在店铺里可以找到。

确认删除?
VIP
微信客服
  • 扫码咨询
会员Q群
  • 会员专属群点击这里加入QQ群
客服邮箱
回到顶部