电脑桌面
添加小米粒文库到电脑桌面
安装后可以在桌面快捷访问

光缆单盘测试记录

光缆单盘测试记录_第1页
1/19
光缆单盘测试记录_第2页
2/19
光缆单盘测试记录_第3页
3/19
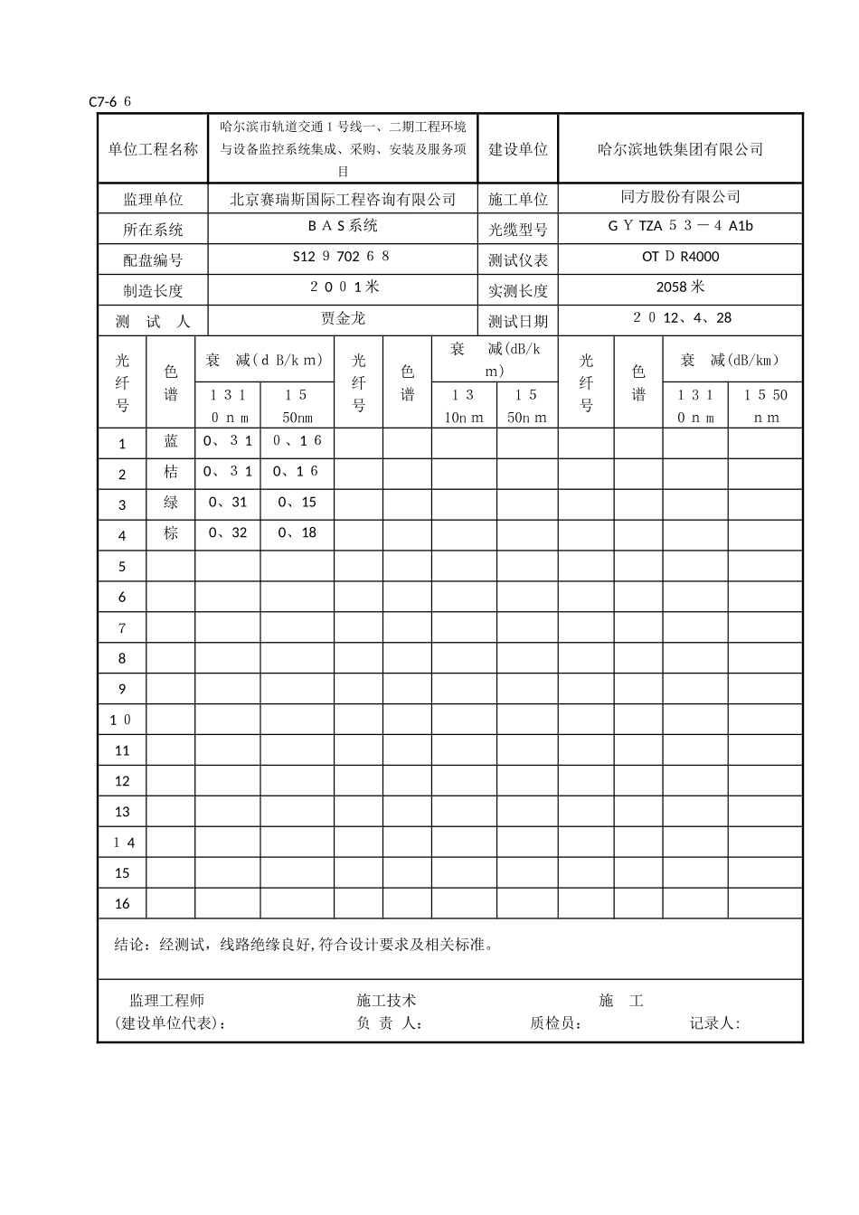
光缆单盘测试记录C7-66单位工程名称哈尔滨市轨道交通 1 号线一、二期工程环境与设备监控系统集成、采购、安装及服务项目建设单位哈尔滨地铁集团有限公司监理单位北京赛瑞斯国际工程咨询有限公司施工单位同方股份有限公司所在系统B AS 系统`光缆型号GY T Z A 5 3-4 A 1b配盘编号S1 2 97026 9测试仪表O T DR4000制造长度2 01 4 米实测长度203 5米测 试 人贾金龙测试日期2 01 2、4、28光纤号色谱衰 减(d B/km)光纤号色谱衰 减(d B/km)光纤号色谱衰 减(d B/km)13 10n m1550 nm1310nm155 0n m1310 nm1550nm1蓝0、310、1 62桔0、310、163绿0、310、154棕0、320、18567891 011121 3141 5结论:经测试,线路绝缘良好,符合设计要求及相关标准。监理工程师 施工技术 施 工 (建设单位代表): 负 责 人: 质检员: 记录人:光缆单盘测试记录C7-6 6单位工程名称哈尔滨市轨道交通1号线一、二期工程环境与设备监控系统集成、采购、安装及服务项目建设单位哈尔滨地铁集团有限公司监理单位北京赛瑞斯国际工程咨询有限公司施工单位同方股份有限公司所在系统B A S 系统光缆型号G Y TZA 53-4 A1b配盘编号S12 9 702 68测试仪表OT D R4000制造长度2 0 0 1 米实测长度2058 米测 试 人贾金龙测试日期20 12、4、28光纤号色谱衰 减(d B/k m)光纤号色谱衰 减(dB/km)光纤号色谱衰 减(dB/km)1 3 10n m1 550nm1 310n m1 550n m1 3 10 n m1 5 50nm1蓝0、3 10、1 62桔0、3 10、1 63绿0、310、154棕0、320、18567891 01112131 41516结论:经测试,线路绝缘良好,符合设计要求及相关标准。监理工程师 施工技术 施 工 (建设单位代表): 负 责 人: 质检员: 记录人:光缆单盘测试记录C7-6 6单位工程名称哈尔滨市轨道交通 1 号线一、二期工程环境与设备监控系统集成、采购、安装及服务项目建设单位哈尔滨地铁集团有限公司监理单位北京赛瑞斯国际工程咨询有限公司施工单位同方股份有限公司所在系统BA S系统光缆型号G Y TZ A5 3-4A1b配盘编号S 1297027 0测试仪表OT D R4 0 00制造长度10 2 0 米实测长度1032 米测 试 人贾金龙测试日期2 01 2、4、28光纤号色谱衰 减(dB/km)光纤号色谱衰 减(dB/km)光纤号色谱衰 减(dB/km)1 3 10n m1550n m13 ...

1、当您付费下载文档后,您只拥有了使用权限,并不意味着购买了版权,文档只能用于自身使用,不得用于其他商业用途(如 [转卖]进行直接盈利或[编辑后售卖]进行间接盈利)。
2、本站所有内容均由合作方或网友上传,本站不对文档的完整性、权威性及其观点立场正确性做任何保证或承诺!文档内容仅供研究参考,付费前请自行鉴别。
3、如文档内容存在违规,或者侵犯商业秘密、侵犯著作权等,请点击“违规举报”。

碎片内容

光缆单盘测试记录

确认删除?
VIP
微信客服
  • 扫码咨询
会员Q群
  • 会员专属群点击这里加入QQ群
客服邮箱
回到顶部