电脑桌面
添加小米粒文库到电脑桌面
安装后可以在桌面快捷访问

公路桥梁混凝土结构裂缝调查与观测方法VIP专享

公路桥梁混凝土结构裂缝调查与观测方法_第1页
1/2
公路桥梁混凝土结构裂缝调查与观测方法_第2页
2/2
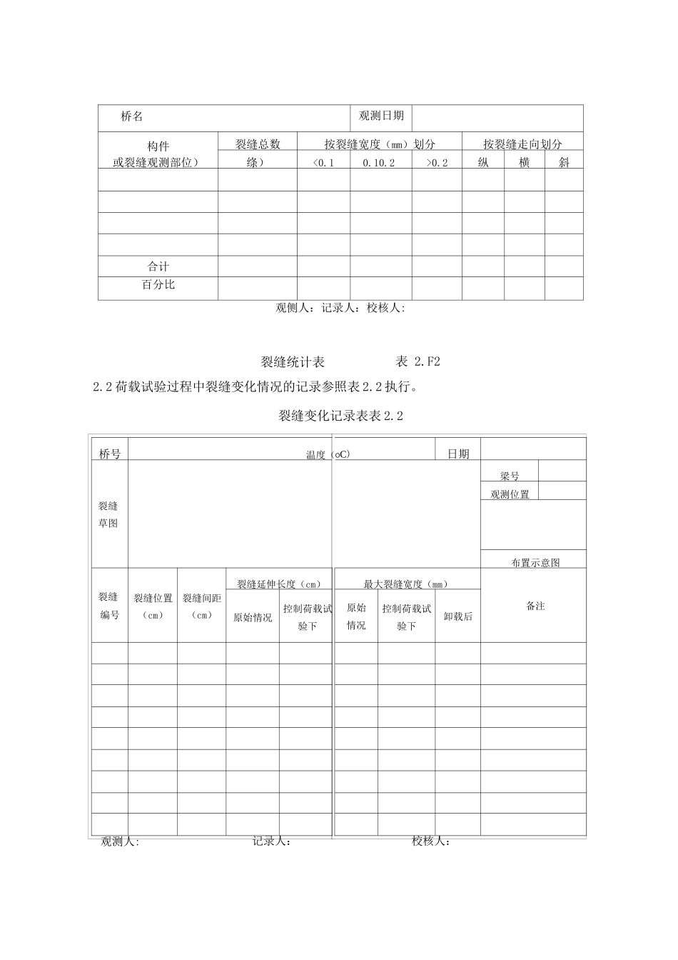
公路桥梁混凝土结构裂缝调查与观测方法1 裂缝的观测方法1.1 裂缝的长度、走向主要通过划分网格坐标,辅钢卷尺量测裂缝的起止点,转折点坐标。1.2 裂缝宽度测量主要采纳人工目力辅助刻度放大镜进行测量。裂缝宽度的量取应排除混凝土表面浮浆层的影响,其厚度一般约为 6mm。1.3 裂缝扩展情况观测主要采纳如下方法:(1)裂缝长度变化采纳在裂缝端头作标记,配合钢卷尺测量坐标的方法进行。(2)裂缝宽度变化。① 定性观测可采纳跨缝粘贴薄玻璃片或其它薄片状脆性材料观测。② 定量观测可采纳人工读取刻度放大镜或跨缝粘贴裂缝扩展片的电测方法进行测量。2 裂缝记录2.1 桥梁外观质量检查过程中裂缝的记录应着重以裂缝图记录裂缝形态特征,以裂缝记录表(见表 2.1- 1、表 2.1- 2 )记录裂缝参数特征。裂缝特征参数记录表表 2.1-1桥名裂缝观测部位观测日期项目起点坐标终点坐标裂缝长度裂缝宽度(mm )典型缝裂缝走向裂缝编号(m)(m)(m)(m)(m )〈0.10.10.2>0.2宽度(mm)纵横斜12n合计备注观测人:记录人:核人:桥名观测日期构件或裂缝观测部位)裂缝总数按裂缝宽度(mm)划分按裂缝走向划分绦)<0.10.10.2>0.2纵横斜合计百分比观侧人:记录人:校核人:2.2 荷载试验过程中裂缝变化情况的记录参照表 2.2 执行。裂缝变化记录表表 2.2裂缝统计表表 2.F2桥号温度(裂缝草图裂缝编号裂缝位置(cm)裂缝间距(cm)裂缝延伸长度(cm)原始情况控制荷载试验下OC)日期梁号观测位置布置示意图最大裂缝宽度(mm)备注原始情况控制荷载试验下卸载后观测人:记录人:校核人:

1、当您付费下载文档后,您只拥有了使用权限,并不意味着购买了版权,文档只能用于自身使用,不得用于其他商业用途(如 [转卖]进行直接盈利或[编辑后售卖]进行间接盈利)。
2、本站所有内容均由合作方或网友上传,本站不对文档的完整性、权威性及其观点立场正确性做任何保证或承诺!文档内容仅供研究参考,付费前请自行鉴别。
3、如文档内容存在违规,或者侵犯商业秘密、侵犯著作权等,请点击“违规举报”。

碎片内容

公路桥梁混凝土结构裂缝调查与观测方法

雏圣文化+ 关注
实名认证
内容提供者

欢迎光临,大量办公文档供您挑选。

确认删除?
VIP
微信客服
  • 扫码咨询
会员Q群
  • 会员专属群点击这里加入QQ群
客服邮箱
回到顶部