电脑桌面
添加小米粒文库到电脑桌面
安装后可以在桌面快捷访问

华南理工建筑工程测量第二次作业答案

华南理工建筑工程测量第二次作业答案_第1页
1/4
华南理工建筑工程测量第二次作业答案_第2页
2/4
华南理工建筑工程测量第二次作业答案_第3页
3/4
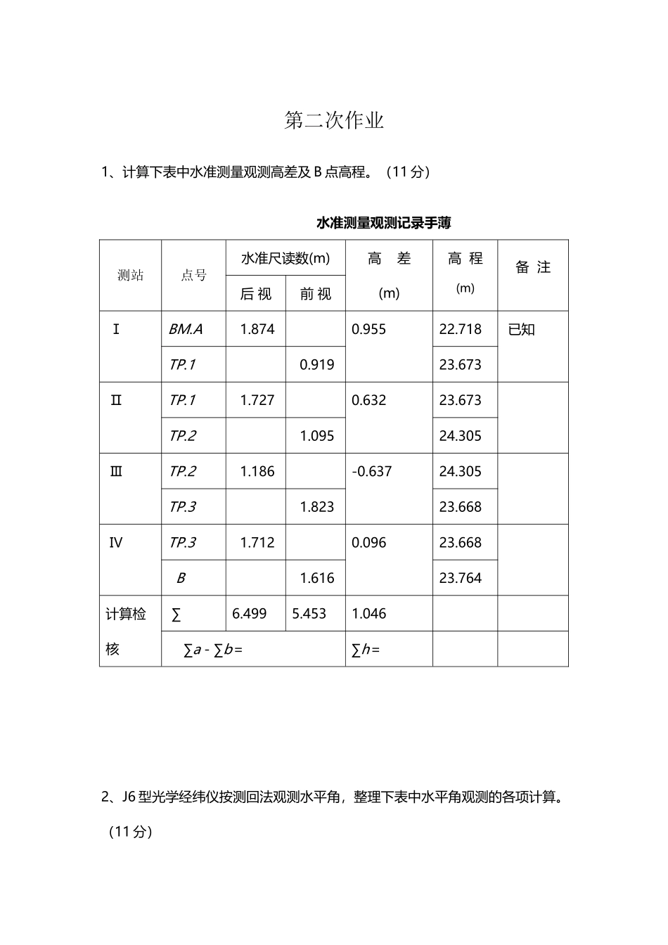
华南理工建筑工程测量第二次作业答案(2页)Good is good, but better carries it.精益求精,善益求善。第二次作业1、计算下表中水准测量观测高差及 B 点高程。(11 分) 水准测量观测记录手薄测站点号水准尺读数(m)高 差(m)高 程(m)备 注后 视前 视 ⅠBM.A 1.8740.95522.718 已知TP.1 0.91923.673 ⅡTP.1 1.7270.63223.673TP.2 1.09524.305 ⅢTP.2 1.186-0.63724.305TP.3 1.82323.668 ⅣTP.3 1.7120.09623.668 B 1.61623.764计算检核 ∑6.4995.4531.046 ∑a - ∑b=∑h=2、J6 型光学经纬仪按测回法观测水平角,整理下表中水平角观测的各项计算。(11 分)水平角观测记录测站目标度盘读数半测回角值一测回角值各测回 平均角值备 注盘 左盘 右° ′ ″° ′ ″° ′ ″° ′ ″° ′ ″OA 0 00 24180 00 54180 00 30180 00 27180 00 27B58 48 54238 49 18180 00 24A90 00 12270 00 36180 00 24180 00 27B148 48 48328 49 18180 00 303、下图为渠道纵断面测量路线图。试根据图中所列数据完成记录计算,并进行计算校核和成果校核。(15 分)BM1的高程为 52.605m,BM2的高程为 51.806m(△h 允=±10㎜):《¥《>'—、!<《,>@.~——]^—¥#`》|'~^&

1、当您付费下载文档后,您只拥有了使用权限,并不意味着购买了版权,文档只能用于自身使用,不得用于其他商业用途(如 [转卖]进行直接盈利或[编辑后售卖]进行间接盈利)。
2、本站所有内容均由合作方或网友上传,本站不对文档的完整性、权威性及其观点立场正确性做任何保证或承诺!文档内容仅供研究参考,付费前请自行鉴别。
3、如文档内容存在违规,或者侵犯商业秘密、侵犯著作权等,请点击“违规举报”。

碎片内容

华南理工建筑工程测量第二次作业答案

您可能关注的文档

文森传品+ 关注
实名认证
内容提供者

一家传播文化教育的小店,资料丰富,随意挑选。

确认删除?
VIP
微信客服
  • 扫码咨询
会员Q群
  • 会员专属群点击这里加入QQ群
客服邮箱
回到顶部