电脑桌面
添加小米粒文库到电脑桌面
安装后可以在桌面快捷访问

单位公司企业工程检验批质量验收

单位公司企业工程检验批质量验收_第1页
1/11
单位公司企业工程检验批质量验收_第2页
2/11
单位公司企业工程检验批质量验收_第3页
3/11
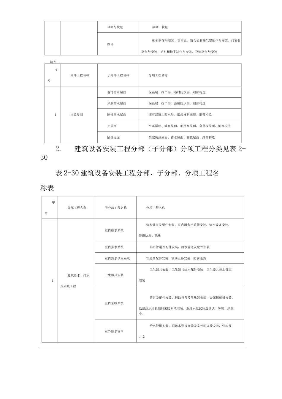
工程检验批质量验收(一)分部(子分部)、分项工程分类1.建筑工程分部(子分部)、分项工程分类见表 2-29。表2-29 建筑工程分部、子分部、分项工程名称表序号分部工程名称子分部工程名称分项工程名称1地基与基础工程无支护土方工程土方开挖、土方回填有支护土方工程排桩,降水、排水、地下连续墙、锚杆、土钉墙、水泥土桩、沉井与沉箱,钢及混凝土支撑地基及基础处理工程灰土地基、砂和砂石地基、碎砖三合土地基,地工合成材料地基,粉煤灰地基,重锤夯实地基,强夯地基,振冲地基,砂桩地基,预压地基,高压喷射注浆地基,土和灰土挤密桩地基,注浆地基,水泥粉煤灰碎石桩地基,夯实水泥土桩地基桩基工程锚杆静压桩及静力压桩,预应力离心管桩,钢筋混凝土预制桩,钢桩,混凝土灌注桩(成孔、钢筋笼、清孔、水下混凝土灌注)地下防水防水混凝土,水泥砂浆防水层,卷材防水层,涂料防水层,金属板防水层,塑料板防水层,细部构造,喷锚支护,复合式衬砌,地下连续墙,盾构法隧道,渗排水、盲沟排水、隧道、坑道排水,预注浆、后注浆,衬砌裂缝注浆混凝土基础模板、钢筋、混凝土、后浇带混凝土、混凝土结构缝处理砌体基础砖砌体、混凝土砌块砌体、配筋砌体、石砌体劲钢(管)混凝土劲钢(管)焊接、劲钢(管)与钢筋的连接、混凝土钢结构焊接钢结构、栓接钢结构、钢结构制作、钢结构安装、钢结构涂装续表序分部工程名称子分部工程名称分项工程名称号2主体结构混凝土结构模板、钢筋、混凝土、预应力、现浇结构、装配式结构劲钢(管)混凝土结构劲钢(管)焊接、螺栓连接、劲钢(管)与钢筋的连接、劲钢(管)制作、安装,混凝土砌体结构砖砌体、混凝土小型空心砌块砌体、石砌体、填充墙砌体、配筋砖砌体钢结构钢结构焊接,紧固件连接,钢零部件加工,单层钢结构安装,多层及高层钢结构安装,钢结构涂装,钢结构组装,钢构件预拼装,钢网架结构安装,压型金属板木结构方木和原木结构、胶合结构、轻型木结构、木构件防护网架和索膜结构网架制作,网架安装,索膜安装,网架防火,防腐涂料3建筑装饰装修地面整风光层:基层、水泥混凝土面层、水泥砂浆面层、水磨石面层,防油渗面层、水泥钢(铁)屑面层、不发火(防爆的)面层板块面层:基层、砖面层(陶瓷锦砖、缸砖、陶瓷地砖和水泥花砖面层)、大理石面层和花岗岩面层、预制板块面层(预制水泥混凝土、水磨石板块面层)、料石面层(条石、块石面层)、塑料板面层、活动地板面层、地毯面层木竹面层:...

1、当您付费下载文档后,您只拥有了使用权限,并不意味着购买了版权,文档只能用于自身使用,不得用于其他商业用途(如 [转卖]进行直接盈利或[编辑后售卖]进行间接盈利)。
2、本站所有内容均由合作方或网友上传,本站不对文档的完整性、权威性及其观点立场正确性做任何保证或承诺!文档内容仅供研究参考,付费前请自行鉴别。
3、如文档内容存在违规,或者侵犯商业秘密、侵犯著作权等,请点击“违规举报”。

碎片内容

单位公司企业工程检验批质量验收

您可能关注的文档

一二三四传媒+ 关注
实名认证
内容提供者

大量资料供您选择,没有合适的可以联系小二。

确认删除?
VIP
微信客服
  • 扫码咨询
会员Q群
  • 会员专属群点击这里加入QQ群
客服邮箱
回到顶部