电脑桌面
添加小米粒文库到电脑桌面
安装后可以在桌面快捷访问

土方边坡计算计算书

土方边坡计算计算书_第1页
1/15
土方边坡计算计算书_第2页
2/15
土方边坡计算计算书_第3页
3/15
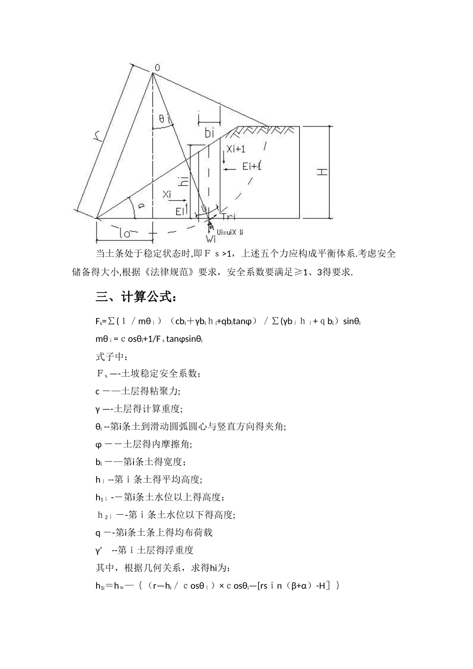
土方边坡计算书本计算书参照《建筑施工计算手册》江正荣 编著 中国建筑工业出版社、《有用土木工程手册》第三版 杨文渊 编著 人民教同出版社、《地基与基础》第三版 中国建筑工业出版社等相关文献进行编制。本工程基坑壁需进行放坡,以保证边坡稳定与施工操作安全.基坑挖方安全边坡按以下方法计算。一、参数信息:坑壁土类型:淤泥质二坑壁土得重度γ(kN/m3):17、25坑壁土得内摩擦角φ(°):12、5坑壁土粘聚力c(kN/m2):12、5基坑开挖深度h (m):6、0二、挖方安全边坡计算:挖方安全边坡按以下公式计算 :h=2×c×sinθ×cosφ/(γ×sin2((θ—φ)/2))其中 θ— —土方边坡角度(°)解得,sinθ= 0、929则,θ= 68、326°〉 φ=12、50°,为陡坡坡度:1 / tanθ =0、4本工程得基坑壁最大土方坡度为1:0、4(垂直:水平)。土坡稳定性计算书本计算书参照《建筑施工计算手册》江正荣 编著 中国建筑工业出版社、《有用土木工程手册》第三版 杨文渊 编著 人民教同出版社、《地基与基础》第三版 中国建筑工业出版社、《土力学》等相关文献进行编制。计算土坡稳定性采纳圆弧条分法进行分析计算,由于该计算过程就是大量得重复计算,故本计算书只列出相应得计算公式与计算结果,省略了重复计算过程。本计算书采纳毕肖普法进行分析计算,假定滑动面为圆柱面及滑动土体为不变形刚体,还同时考虑了土条两侧面得作用力。一、参数信息:条分方法:毕肖普法;条分块数:4;不考虑地下水位影响;放坡参数:序号 放坡高度(m) 放坡宽度(m) 平台宽度(m) 条分块数 1 6、00 3、00 6、00 0、00荷载参数:序号 类型 面荷载q(kPa) 基坑边线距离b0(m) 宽度b1(m) 1 局布 10、00 1 4土层参数:序号 土名称 土厚度 坑壁土得重度γ 坑壁土得内摩擦角φ 内聚力C 饱容重 (m) (kN/m3) (°) (kPa) (kN/m3) 1 淤泥质二 2、00 17、25 12、50 12、50 1、00 2 粘性土 8、00 17、25 14、50 14、00 1、00 二、计算原理:根据土坡极限平衡稳定进行计算。自然界匀质土坡失去稳定,滑动面呈曲面,通常滑动面接近圆弧,可将滑裂面近似成圆弧计算.将土坡得土体沿竖直方向分成若干个土条,从土条中任意取出第i条,该土条上存在着:1、土条自重Wi,2、作用于土条弧面上得法向反力Ni,3、作用于土条圆弧面上得切向阻力或抗剪力Tri,4、土条弧面上总得孔隙水应力Ui,其作用线通过滑动圆心,5、...

1、当您付费下载文档后,您只拥有了使用权限,并不意味着购买了版权,文档只能用于自身使用,不得用于其他商业用途(如 [转卖]进行直接盈利或[编辑后售卖]进行间接盈利)。
2、本站所有内容均由合作方或网友上传,本站不对文档的完整性、权威性及其观点立场正确性做任何保证或承诺!文档内容仅供研究参考,付费前请自行鉴别。
3、如文档内容存在违规,或者侵犯商业秘密、侵犯著作权等,请点击“违规举报”。

碎片内容

土方边坡计算计算书

不二商店+ 关注
实名认证
内容提供者

我是你的不二选择

确认删除?
VIP
微信客服
  • 扫码咨询
会员Q群
  • 会员专属群点击这里加入QQ群
客服邮箱
回到顶部