电脑桌面
添加小米粒文库到电脑桌面
安装后可以在桌面快捷访问

地下管道安装方案

地下管道安装方案_第1页
1/6
地下管道安装方案_第2页
2/6
地下管道安装方案_第3页
3/6
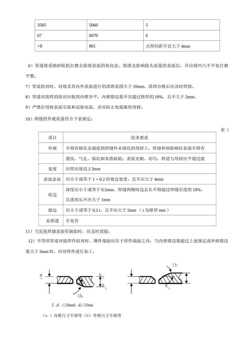
地下管道安装方案1 钢管安装1)钢管焊接:钢管焊接工艺采纳手工电弧焊。根据设计要求,循环水管线(CWS/CWR )中规格为 DN5 和DN6 的管道采纳直缝焊接钢管,需进行 20%的 X 射线探伤。2 )焊材选用:焊条选用 J427 电焊条。电焊条需在温度为 350T 的烘烤箱中烘烤 1 小时,然后放置温度为1150 度的恒温装置中保存,电焊条表面不得有脱皮或明显的裂痕,电焊条由专人烘烤、发放,烘烤、发放记录齐全。现场必须用保温筒存放焊条。未使用完毕的焊条以及焊条头需回收。3)焊条应符合以下规定:(1)焊条的化学成分、机械强度应与母材相同且匹配,兼顾工作条件和工艺性。(2)焊条质量应符合现行国家标准《碳钢焊条》、《低合金焊条》的规定。(3)焊条应干燥。4)管节焊接前应先修、清根,管端端面的坡角度、钝边、间隙,应符合下表的规定;不得在对间隙夹焊条或用加热法缩小间隙施焊。管道坡采纳 V 型坡,坡角度 60 一 70°,对间隙 1.54mm(焊缝的坡形式和尺寸应符合设计文件和焊接作业指导书的规定)。电焊管端修各部尺寸表 1.3.1-4)修形式间隙 b(mm)钝边 p(mm)坡角度 a (° )图示壁厚 t(mm)a4〜91.5 〜3.01.0 〜1.560 〜70Jr ; )10 〜262.0 〜4.01.0 〜2.060±5t —► ib5)钢管点焊时应符合下列规定(1)点焊焊条应采纳与接焊接相同的焊条。(2)点焊时应对称施焊,其厚度应与第一层焊接厚度一致。(3)钢管的纵向焊缝与螺旋焊缝处不得点焊。(4)点焊长度与间距应符合下表规定点焊长度与间距管径(mm)点焊长度(mm)环向点焊点(处)3505506056760706>8801点焊间距不宜大于 4mm6)管道坡采纳砂轮机打磨去除坡表面的氧化皮、熔渣及影响接头质量的表面层,并应将凹凸不平处打磨平整。7)管道组对时,对坡及其内外表面进行的清理范围大于 10mm,清理合格后应及时焊接。8)管道对接焊的组对应做到内壁齐平,内壁错边量不宜超过壁厚的 10%,且不大于 2mm。9)严禁在母材表面引弧和试验电流,并应防止电弧擦伤母材。10)焊缝的外观质量符合下表规定:表 )项目技术要求外观不得有熔化金属流到焊缝外未熔化的母材上,焊缝和热影响区表面不得有裂纹、气孔、弧坑和灰渣缺陷;表面光顺、均匀,焊道与母材应平缓过渡宽度应焊出坡边 2 3mm表面余高应小于或等于 1 + 0.2 倍坡边宽度,且不应大于 4mm咬边深度应小于或等于 0.5mm,焊缝两侧咬边总长不得超过焊缝长度的 10%,且连续长不应大于 1mm错边应小于或等于 0.2 t,且不应...

1、当您付费下载文档后,您只拥有了使用权限,并不意味着购买了版权,文档只能用于自身使用,不得用于其他商业用途(如 [转卖]进行直接盈利或[编辑后售卖]进行间接盈利)。
2、本站所有内容均由合作方或网友上传,本站不对文档的完整性、权威性及其观点立场正确性做任何保证或承诺!文档内容仅供研究参考,付费前请自行鉴别。
3、如文档内容存在违规,或者侵犯商业秘密、侵犯著作权等,请点击“违规举报”。

碎片内容

地下管道安装方案

您可能关注的文档

确认删除?
VIP
微信客服
  • 扫码咨询
会员Q群
  • 会员专属群点击这里加入QQ群
客服邮箱
回到顶部