电脑桌面
添加小米粒文库到电脑桌面
安装后可以在桌面快捷访问

地下车库工程竣工验收监理评估报告

地下车库工程竣工验收监理评估报告 _第1页
1/10
地下车库工程竣工验收监理评估报告 _第2页
2/10
地下车库工程竣工验收监理评估报告 _第3页
3/10
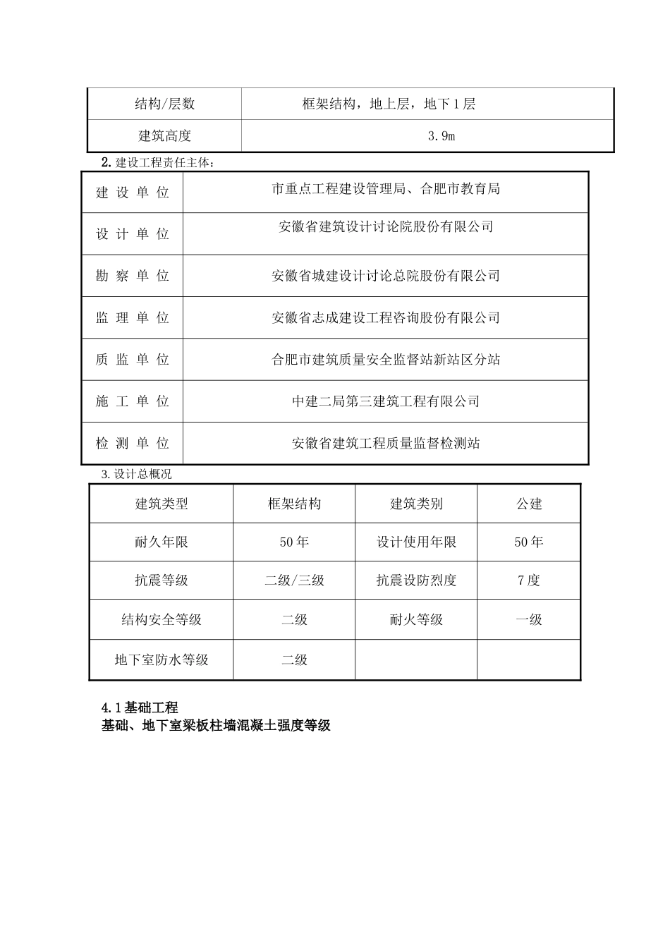
合肥特别教育中心北校区地下车库工程竣工质量评估报告安徽省志成建设工程咨询股份有限公司2025 年 7 月 10 日一、工程概况 本工程位于合肥市新站区南临学林路,东临君山路,北临南坪路,西临规划支路。1.工程建设规模:建筑面积4946㎡地上0㎡地下4946㎡结构/层数框架结构,地上层,地下 1 层建筑高度3.9m2.建设工程责任主体:建 设 单 位市重点工程建设管理局、合肥市教育局设 计 单 位安徽省建筑设计讨论院股份有限公司勘 察 单 位安徽省城建设计讨论总院股份有限公司监 理 单 位安徽省志成建设工程咨询股份有限公司质 监 单 位合肥市建筑质量安全监督站新站区分站施 工 单 位中建二局第三建筑工程有限公司检 测 单 位安徽省建筑工程质量监督检测站3. 设计总概况建筑类型框架结构建筑类别公建耐久年限50 年设计使用年限50 年抗震等级二级/三级抗震设防烈度7 度结构安全等级二级耐火等级一级地下室防水等级二级4.1 基础工程基础、地下室梁板柱墙混凝土强度等级4. 2 主体结构工程概况混凝土强度设计等级: 构件强度柱梁、板、楼梯二次结构基础顶至屋面C35C35C25主体结构宿舍区填充墙采纳巢湖市永安新型建材有限公司生产的蒸压加气混凝土砌块,其他部位煤矸石空心砖采纳中长丰县万联新型建材有限公司,砂浆采纳合肥福鑫混凝土制品有限公司生产的 M5.0 预拌砂浆砌筑。5. 建筑设计概况工程部位设计情况楼地面工程金刚砂耐磨地面顶棚装饰工程无机涂料内墙装饰工程无机涂料墙面6. 安装工程概况分部分项工程设计情况建筑给排水冷水给水系统(给水干管、立管采纳承插氩弧焊连接、双卡压式连接)、排水系统建筑电气照明系统、配电系统、建筑防雷接地、火灾自动报警系统通风与空调工程防排烟系统、通风系统消防工程消火栓系统、喷淋系统弱电智能化工程监控系统、广播系统、安防系统电梯工程一台客梯兼无障碍梯构 件强 度构 件强 度垫层C15基础C35基础类型筏板基础抗渗等级P67. 节能工程概况设计情况墙面节能工程外墙保温憎水性半硬质岩棉板外墙外保温系统屋面节能工程45 厚挤塑聚苯板配电与照明节能工程供配电系统节能:选用 220/380V 配电系统,由市政引来两路 10KV 电源高压电源,两路电源要求满足二级负荷供电要求,一用一备,备用电源容量要求满足全部二级负荷要求。低压配电系统采纳放射式与树干式相结合的方式;单台容量较大或重要负荷采纳放射式供电。照明系统节能:1)照明、插座均由不同的支路供...

1、当您付费下载文档后,您只拥有了使用权限,并不意味着购买了版权,文档只能用于自身使用,不得用于其他商业用途(如 [转卖]进行直接盈利或[编辑后售卖]进行间接盈利)。
2、本站所有内容均由合作方或网友上传,本站不对文档的完整性、权威性及其观点立场正确性做任何保证或承诺!文档内容仅供研究参考,付费前请自行鉴别。
3、如文档内容存在违规,或者侵犯商业秘密、侵犯著作权等,请点击“违规举报”。

碎片内容

地下车库工程竣工验收监理评估报告

您可能关注的文档

确认删除?
VIP
微信客服
  • 扫码咨询
会员Q群
  • 会员专属群点击这里加入QQ群
客服邮箱
回到顶部