电脑桌面
添加小米粒文库到电脑桌面
安装后可以在桌面快捷访问

地下连续墙施工专项方案

地下连续墙施工专项方案_第1页
1/3
地下连续墙施工专项方案_第2页
2/3
地下连续墙施工专项方案_第3页
3/3
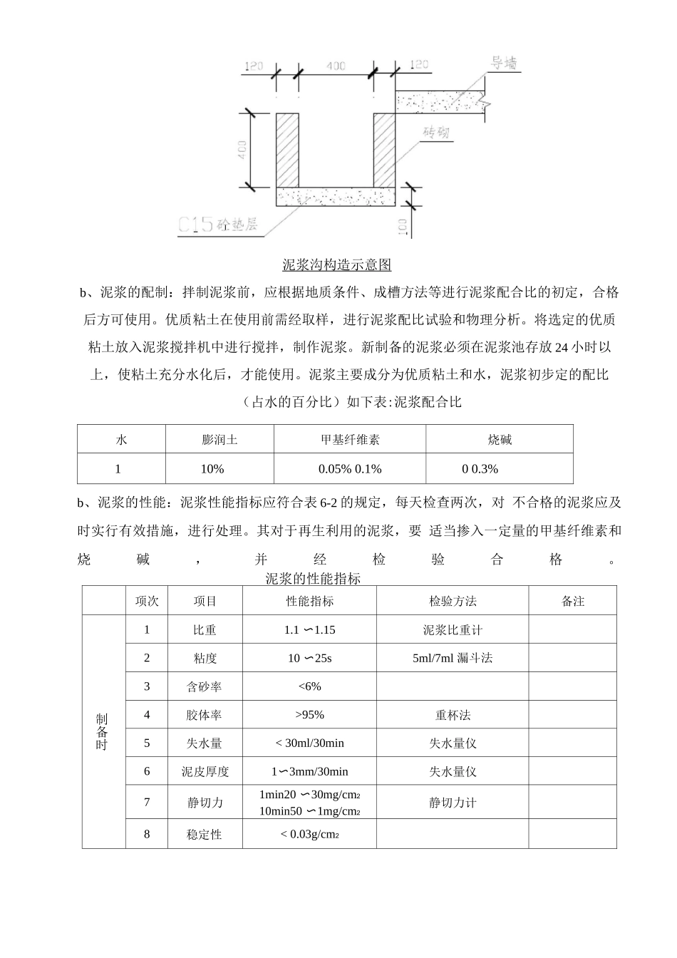
地下连续墙施工本工程地下连续墙厚 1m,深度在 25m 左右,结合本工程具体地质条件, 对本工程比较适用的成槽方法为抓斗成槽施工工艺。考虑到连续墙进入强风 化岩层或中、微风化岩层,另备一定数量的冲孔桩机在必要的时候采纳冲孔 成槽施工。主要施工机械为:液压抓斗GB34 一台、两台旋挖机、冲孔桩机 8 台、1 吨汽车吊 1 台、50 吨汽车吊 1 台。本工程地下连续墙施工流向:先从东北角开始施工,逆时针施工至西北 段,最后施工南面部分连续墙。一、连续墙施工工艺施工工艺流程如下图所示,其中导墙施工、泥浆制备与处理、抓-冲结合 成槽、钢筋笼制作与吊装、混凝土灌注是连续墙工程施工中的主要工序。连续墙施工工艺流程图二、连续墙施工方法⑴ 导墙施工导墙施工是地下连续墙施工的重要准备环节,其主要作用是为成槽导向, 控制标高,控制槽段,钢筋网定位,防止槽坍塌及承重。导墙施工顺序为:平整场地-测量定位-挖槽-浇注垫层-绑扎钢筋- 支模板 T 浇筑混凝土 T 拆模并设置横撑 T 导墙外侧回填粘土压实。(2)泥浆配置和使用泥浆的正确使用是成槽的关键。结合本工程的地质特点和施工条件,采 用膨润土和优质粘土进行泥浆制备。a、泥浆池及泥浆沟设置在基坑内的设置 2 个三级泥浆池,包括沉淀池、循环池、储浆池,尺寸 为 20mx6m,深度 2m,采纳 C20 混凝土浇筑,墙厚 2mm。泥浆池平面布置 见下图。姑还山的沮卷一 E •成泌流入泥幻上i \〃悬挂于昵橐泅礼二借渡也' 呢 . 登笛 \将经沉淀后的咨格呢紫送入桩孔iltidQOQ泥浆池构造示意图沿基坑外侧 1.2m 处设置 4mm x 4mm 砖砌泥浆沟,地下连续墙施工完 成后作排水沟使用。泥浆沟与泥浆池相连,同时通过预埋巾 4PVC 管与连续 墙沟槽连接。泥浆池构造见下图。泥浆沟构造示意图b、泥浆的配制:拌制泥浆前,应根据地质条件、成槽方法等进行泥浆配合比的初定,合格后方可使用。优质粘土在使用前需经取样,进行泥浆配比试验和物理分析。将选定的优质粘土放入泥浆搅拌机中进行搅拌,制作泥浆。新制备的泥浆必须在泥浆池存放 24 小时以上,使粘土充分水化后,才能使用。泥浆主要成分为优质粘土和水,泥浆初步定的配比(占水的百分比)如下表:泥浆配合比水膨润土甲基纤维素烧碱110%0.05% 0.1%0 0.3%b、泥浆的性能:泥浆性能指标应符合表 6-2 的规定,每天检查两次,对 不合格的泥浆应及时实行有效措施,进行处理。其对于再生利用的泥浆,要 适当掺入...

1、当您付费下载文档后,您只拥有了使用权限,并不意味着购买了版权,文档只能用于自身使用,不得用于其他商业用途(如 [转卖]进行直接盈利或[编辑后售卖]进行间接盈利)。
2、本站所有内容均由合作方或网友上传,本站不对文档的完整性、权威性及其观点立场正确性做任何保证或承诺!文档内容仅供研究参考,付费前请自行鉴别。
3、如文档内容存在违规,或者侵犯商业秘密、侵犯著作权等,请点击“违规举报”。

碎片内容

地下连续墙施工专项方案

您可能关注的文档

确认删除?
VIP
微信客服
  • 扫码咨询
会员Q群
  • 会员专属群点击这里加入QQ群
客服邮箱
回到顶部