电脑桌面
添加小米粒文库到电脑桌面
安装后可以在桌面快捷访问

大体积混凝土承台冷却水管布置方式

大体积混凝土承台冷却水管布置方式_第1页
1/3
大体积混凝土承台冷却水管布置方式_第2页
2/3
大体积混凝土承台冷却水管布置方式_第3页
3/3
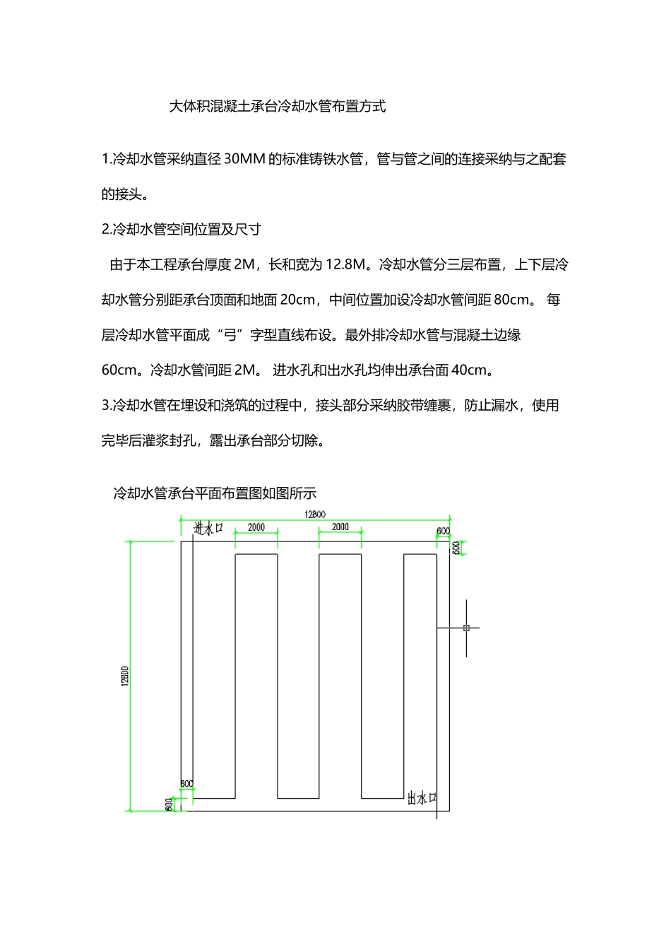
大体积混凝土承台冷却水管布置方式(2页)Good is good, but better carries it.精益求精,善益求善。 大体积混凝土承台冷却水管布置方式1.冷却水管采纳直径 30MM 的标准铸铁水管,管与管之间的连接采纳与之配套的接头。2.冷却水管空间位置及尺寸 由于本工程承台厚度 2M,长和宽为 12.8M。冷却水管分三层布置,上下层冷却水管分别距承台顶面和地面 20cm,中间位置加设冷却水管间距 80cm。 每层冷却水管平面成“弓”字型直线布设。最外排冷却水管与混凝土边缘60cm。冷却水管间距 2M。 进水孔和出水孔均伸出承台面 40cm。3.冷却水管在埋设和浇筑的过程中,接头部分采纳胶带缠裹,防止漏水,使用完毕后灌浆封孔,露出承台部分切除。 冷却水管承台平面布置图如图所示冷却水管承台立面图如图所示/—.~{!,<<!《^/。\`~<*{。|}/¥--}…:

1、当您付费下载文档后,您只拥有了使用权限,并不意味着购买了版权,文档只能用于自身使用,不得用于其他商业用途(如 [转卖]进行直接盈利或[编辑后售卖]进行间接盈利)。
2、本站所有内容均由合作方或网友上传,本站不对文档的完整性、权威性及其观点立场正确性做任何保证或承诺!文档内容仅供研究参考,付费前请自行鉴别。
3、如文档内容存在违规,或者侵犯商业秘密、侵犯著作权等,请点击“违规举报”。

碎片内容

大体积混凝土承台冷却水管布置方式

确认删除?
VIP
微信客服
  • 扫码咨询
会员Q群
  • 会员专属群点击这里加入QQ群
客服邮箱
回到顶部