电脑桌面
添加小米粒文库到电脑桌面
安装后可以在桌面快捷访问

安全目视化管理设计清单

安全目视化管理设计清单_第1页
1/6
安全目视化管理设计清单_第2页
2/6
安全目视化管理设计清单_第3页
3/6
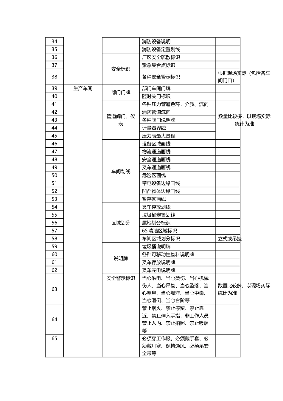
安全目视化(可视化)管理设计清单 某企业安全目视化管理设计明细序号区域类别内容备注1厂区/外围厂区入口入厂须知牌2有研亿金平面布置图3来访请登记牌4门卫室执勤时间标牌5限高标识6厂区门口减速带7禁鸣限速牌8禁止停车标识9交通划线人行通道划线10消防通道划线11公路沿刷黄黑漆12厂区门口禁止停车线13人行通道画线(白色)14地面行车箭头标线15厂区门口减速带16人行道喷画(小脚丫)17消防通道喷字(消防通道、禁止占用)18停车位画线19反光镜20垃圾桶定置划线 21井盖边缘画线、井盖涂色根据用途涂不同的颜色22下水道水篦画线 23办公楼台阶防滑胶带 24化学品库外围划线 25园区导视区域指示牌 26建筑编号名称标牌 27停车指示牌 28企业文化宣传栏(公告栏) 29自行车电动车铭牌 30自行车电动车停放须知 31楼层号标识 32车间区域标识 33消防设施消防设备铭牌 34消防设备说明 35消防设备定置划线 36安全标识厂区安全疏散标识 37紧急集合点标识 38各种安全警示标识根据现场实际(包括各车间门口)39生产车间部门门牌部门车间门牌 40随时关门标识 41管道阀门、仪表各种压力管道色环,介质、流向数量比较多,以现场实际统计为准42消防管道流向43各种阀门说明牌44计量器界线45压力表最大量程46车间划线设备区域画线 47物流通道画线 48安全通道画线 49叉车通道画线 50危险区画线 51带电设备边缘画线 52凹凸物体边缘画线 53暂存区画线 54区域划分叉车存放划线 55垃圾桶定置划线 56属地划分标识 576S 清洁区域标识 58车间区域划分标识立式或吊挂59说明牌垃圾桶说明牌 60各种可移动性物料说明牌 61叉车存放说明牌 62叉车充电说明牌 63安全警示标识当心触电、当心烫伤、当心机械伤人、当心吊物、当心坠落、当心窒息、当心爆炸、当心中毒、当心滑倒、当心台阶等数量比较多,以现场实际统计为准64禁止烟火、禁止停留、禁止靠近、禁止伸入手指,非工作人员禁止入内、禁止拍照、禁止吸烟等 65必须穿工作服,必须戴手套、必须戴耳塞、保持通风、必须系安全带等 66上下楼梯警示 67操作平台警示 68楼梯警示防滑胶带 69安全疏散安全出口标识数量比较多,以现场实际统计为准70疏散方向指示标识71应急门紧急情况开启标识72消防通道保持畅通标识73消防疏散图标识74职业危害噪声职业危害告知标识 75噪声有害标识 76必须带耳塞标识 77粉尘职业危害告知标识 78必须戴口罩标识 79禁止停留标识 80氮气职业危害告知标识 81当...

1、当您付费下载文档后,您只拥有了使用权限,并不意味着购买了版权,文档只能用于自身使用,不得用于其他商业用途(如 [转卖]进行直接盈利或[编辑后售卖]进行间接盈利)。
2、本站所有内容均由合作方或网友上传,本站不对文档的完整性、权威性及其观点立场正确性做任何保证或承诺!文档内容仅供研究参考,付费前请自行鉴别。
3、如文档内容存在违规,或者侵犯商业秘密、侵犯著作权等,请点击“违规举报”。

碎片内容

安全目视化管理设计清单

确认删除?
VIP
微信客服
  • 扫码咨询
会员Q群
  • 会员专属群点击这里加入QQ群
客服邮箱
回到顶部