电脑桌面
添加小米粒文库到电脑桌面
安装后可以在桌面快捷访问

安装工程预算-照明线路计算原理

安装工程预算-照明线路计算原理_第1页
1/3
安装工程预算-照明线路计算原理_第2页
2/3
安装工程预算-照明线路计算原理_第3页
3/3
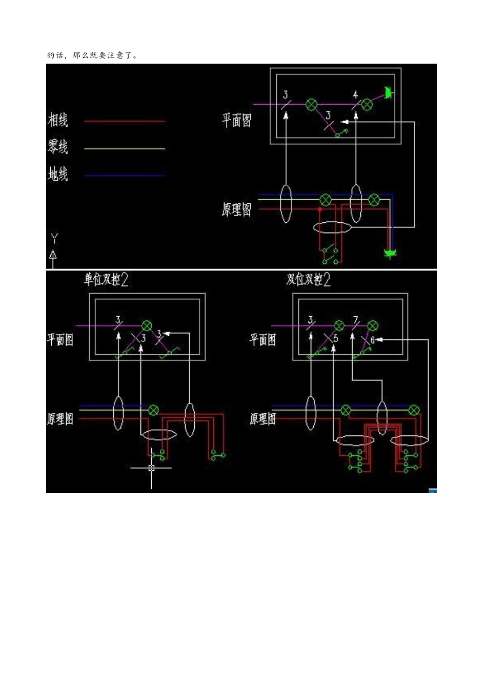
照明线路计算原理1、入户线(电缆)在室外是埋地敷设的,入户之后是在吊顶天花内暗敷的,那么电缆入户的时候是不是沿着外墙往上到吊顶的高度的时候穿进去,然后从吊顶往开关那里走线啊?答:通常室外电缆是埋地进入室内,进户后一般也是引入配电箱,然后再由配电箱配出管线是由墙面暗敷设进入吊顶。2、假如电缆入户的那里有 1 个开关,那电缆是先经过开关再到吊顶去吗?答:通常室外电缆是埋地进入室内,进户后一般也是引入配电箱,然后再由配电箱配出管线是由墙面暗敷设进入吊顶。3、电缆的型号是 VV-3*2.5,我听说串联开关的那条主线是按 3 根线算,而开关控制灯的线只需要算 1 根线,是吗?答:根据你的叙述,应该是问的有关照明配线的问题,配出的电源管线是 3 根(L;N;PE),开关到 灯的导线数一般是开关的档数加 1。4、电线的长度是用尺子在图上按比例量长度计算的,我想问下,比如 2 个灯泡之间的线, 是不是要把图上灯泡的长度也量进去啊?答:水平方向的管线长度可以根据图纸的比例用比例尺量取,垂直方向的管线需要根据开关(插座)的安装高度以及建筑层高计算。5、BV 线是单根的,3*2.5 表示 3 根 2.5 平方的绝缘铜芯线。而 VV-3*2.5 表示 1 根 3 芯的电缆。比如由 A点到 B 点为 1 米的话,BV-3*2.5 需要 3 米,VV-3*2.5 只需要 1 米。6、电线的长度,水平方向就是按图纸的比例计算长度的,配电箱处需要加预留长度的,例如:一般照明回路 3*2.5 的线,L=3*(量出的长度+配电箱半周长);通常一般的接线盒,灯具等是不作预留的。在按图量尺寸的时候,一般都是量到灯具的中心。7、开关控制灯线,电源入灯,单开至灯 2 根线(1 火线 1 输出),双开 3 根线(1 火线 2 输出),以此类推增加。8、量至灯中,预算时,开关盒与灯头盒内预留 15~20mm 连接线。确定照明系统各段线路的根数,这是一项基本功,但也是难点。特别是遇到较复杂的综合楼或装饰电气工程。施工图中能够详细标出最好了,就怕遇到图中未曾标注的,或标注不正确的。图中不标注的原因我认为有两,其一,设计人员本身也是新手,搞不清几根线;其二,设计人员虽然经验丰富,但疏忽或偷懒,特别是设计时间紧迫时。由于施工图中未注明照明线路根数,因此给预结算员或施工人员带来了麻烦。我们得弄清究竟是几根呀,这就需要我们苦练基本功,多讨论学习。就算是搞了好几年预结算的人员,也有一时困惑,理不清几根线的时候。因此,新...

1、当您付费下载文档后,您只拥有了使用权限,并不意味着购买了版权,文档只能用于自身使用,不得用于其他商业用途(如 [转卖]进行直接盈利或[编辑后售卖]进行间接盈利)。
2、本站所有内容均由合作方或网友上传,本站不对文档的完整性、权威性及其观点立场正确性做任何保证或承诺!文档内容仅供研究参考,付费前请自行鉴别。
3、如文档内容存在违规,或者侵犯商业秘密、侵犯著作权等,请点击“违规举报”。

碎片内容

安装工程预算-照明线路计算原理

范哲铺+ 关注
实名认证
内容提供者

想你所想,急你所急,你需要的都在店铺里可以找到。

确认删除?
VIP
微信客服
  • 扫码咨询
会员Q群
  • 会员专属群点击这里加入QQ群
客服邮箱
回到顶部