电脑桌面
添加小米粒文库到电脑桌面
安装后可以在桌面快捷访问

工程技术复核单套版

工程技术复核单套版_第1页
1/7
工程技术复核单套版_第2页
2/7
工程技术复核单套版_第3页
3/7
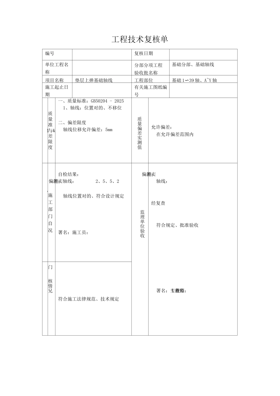
工程技术复核单编号复核日期单位工程名称分部分项工程验收批名称基础分部项目名称总平面/定位放线工程部位基础 1〜39 轴、轴线标高施工起止日期有关施工图纸编号1质量准与&差限度一、质量标准1、轴线:位置对的、不移位2、龙门板标高:对的一致二、偏差限度1、轴线位移允许偏差:5mm2、标高允许偏差:±5mm质量偏差实测值允许偏差:在允许偏差范围内,施工部门自况自检结果:实测偏差:轴线:2、5、5、2 标高:+2、-4轴线位置对的、龙门板标高一致,符合设计规定署名:施工员:监理单位验收经复查2 号搂定位主轴线平面位置符合规划红线规定符合总施- 2 及结施- 3 平面位置规定龙门板标高设定对的一致符合规定、批准验收署名:专业监理工程师:门核情兄符合施工法律规范、技术规定工程技术复核单编号复核日期单位工程名称分部分项工程验收批名称基础分部、土方开挖分项项目名称土方开挖灰线工程部位基础 1〜39 轴施工起止日期有关施工图纸编号1质量准与&差限度一、质量标准:GB50202 - 20251、轴线:位置对的、不移位2、灰线:经放坡后尺寸对的二、偏差限度1、轴线位移允许偏差:5mm2、灰线长度:宽度偏差从设计中心线向两边:+ 2、-50质量偏差实测值允许偏差:在允许偏差范围内,施工部门自况自检结果:实测偏差:轴线:2、5、5、2 标高:+2、-4轴线位置对的、放坡尺寸符合设计规定署名:施工员:监理单位验收实测偏差:轴线:灰线:经复查轴线符合规定灰线偏差在允许偏差范围内符合规定、批准验收署名:专业监理工程师:门核情兄符合施工法律规范、技术规定工程技术复核单编号复核日期单位工程名称分部分项工程验收批名称基础分部、基础轴线项目名称垫层上弹基础轴线工程部位基础 1〜39 轴、A~Y 轴施工起止日期有关施工图纸编号1质量准与&差限度一、质量标准:GB50204 - 20251、轴线:位置对的、不移位二、偏差限度轴线位移允许偏差:5mm质量偏差实测值允许偏差:在允许偏差范围内,施工部门自况自检结果:实测偏差:轴线:2、5、5、2轴线位置对的、符合设计规定署名:施工员:监理单位验收实测偏差:轴线:经复查符合规定、批准验收署名:专业监理工程师:门核情兄符合施工法律规范、技术规定工程技术复核单编号复核日期单位工程名称分部分项工程验收批名称基础分部、模板安装分项项目名称模板安装技术复核工程部位基础 1〜39 轴、施工起止日期有关施工图纸编号1质量标准与&差限度一、质量标准:GB50204 - 2025模板具有足...

1、当您付费下载文档后,您只拥有了使用权限,并不意味着购买了版权,文档只能用于自身使用,不得用于其他商业用途(如 [转卖]进行直接盈利或[编辑后售卖]进行间接盈利)。
2、本站所有内容均由合作方或网友上传,本站不对文档的完整性、权威性及其观点立场正确性做任何保证或承诺!文档内容仅供研究参考,付费前请自行鉴别。
3、如文档内容存在违规,或者侵犯商业秘密、侵犯著作权等,请点击“违规举报”。

碎片内容

工程技术复核单套版

您可能关注的文档

确认删除?
VIP
微信客服
  • 扫码咨询
会员Q群
  • 会员专属群点击这里加入QQ群
客服邮箱
回到顶部