电脑桌面
添加小米粒文库到电脑桌面
安装后可以在桌面快捷访问

市政道路土方开挖方案

市政道路土方开挖方案_第1页
1/9
市政道路土方开挖方案_第2页
2/9
市政道路土方开挖方案_第3页
3/9
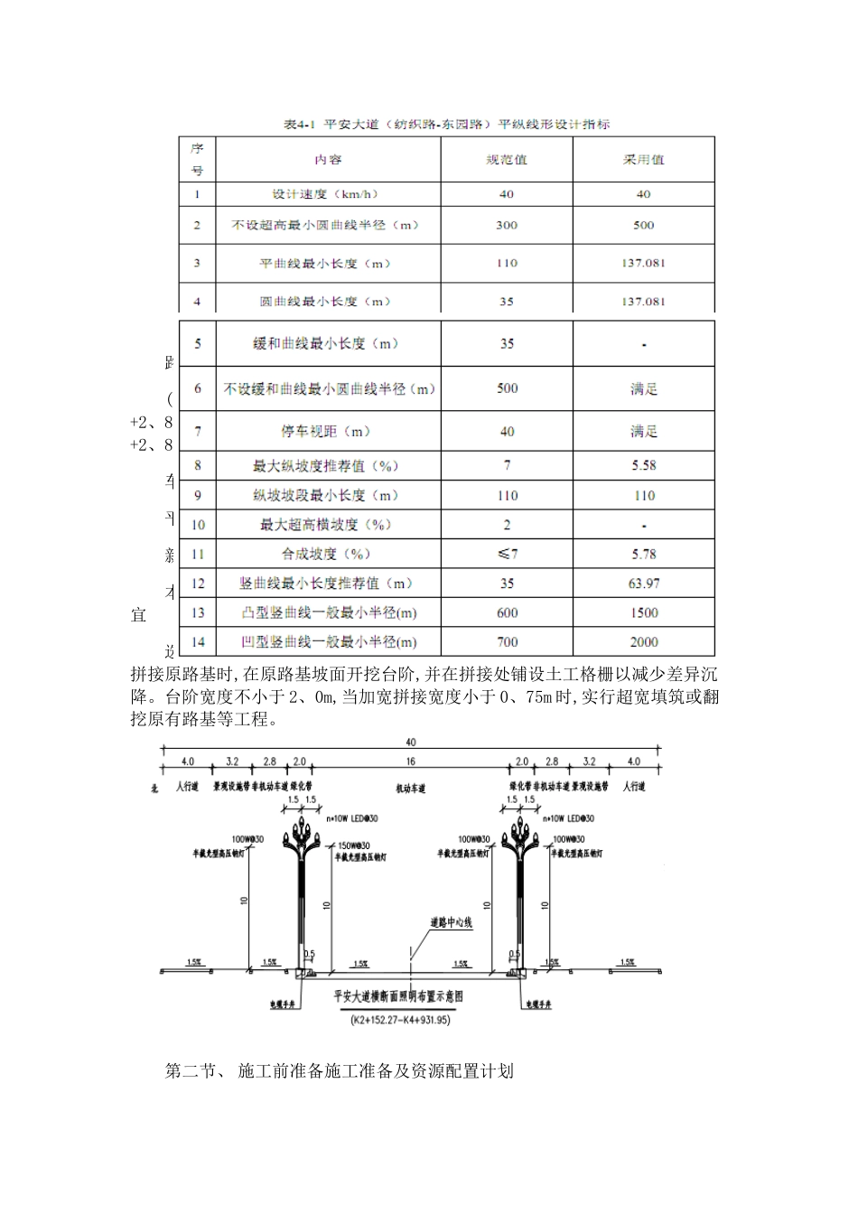
xxxxxxx 道路与排水工程(II 标段)土方开挖施工方案第一节 工程概况项目名称东海 xxxxxxx 道路与排水工程(II 标段)建设单位东海平安区住房与规划建设局建设地点东海平安区资金来源政府投资计划工期要求工期 307 日历天。质监单位东海平安区质量监督站设计单位东海院监理单位东海监理管理咨询有限公司地勘单位东海岩土工程勘察咨询公司路面结构设计年限主干路 30 年东海 xxxxxxx 道路与排水工程 II 标段,为化隆路口至于东园路交叉口施工,改建城市主干道长 2500、92 米,红线宽度 40 米,起点位于化隆路口叉口,终点位于东园路交叉口,按城市主干道标准建设,双向四车道。主要建设道路、人行道、绿化、排水(雨水及污水)、箱涵、照明、交通及附属设施等工程。工程范围桩号 K2+400、~K4+931、95,平安大道设计车速为 40 km/h 工程,本施工方案为 II 标段化隆路口至于东园路交叉口。本次设计平安大道中心线标高 2107、515m~2127、24m。路面雨水口采纳平蓖式雨水口。(化隆路~东园路)布置形式为: 4、0m(人行道) +3、2m(景观绿化带)+2、8m(慢行系统车道)+2、0m(绿化带)+16、0 m(车行道)+2、0m(绿化带)+2、8m(慢行系统车道)+3、2m(景观绿化带)+4、0m(人行道)=40m。 车行道横坡度为 1、5%,人行道横坡为反坡 1、5%。平安大道结构层如下所示: 新老路基搭接 本工程为新建道路,新建道路与老路利用部分按新老路基搭接处理,施工时宜选用与原有路基相同、且符合要求得填料或较原有路堤渗水性强得填料。拼接原路基时,在原路基坡面开挖台阶,并在拼接处铺设土工格栅以减少差异沉降。台阶宽度不小于 2、0m,当加宽拼接宽度小于 0、75m 时,实行超宽填筑或翻挖原有路基等工程。 第二节、 施工前准备施工准备及资源配置计划一、勘察现场。 根据业主提供得施工平面图,组织有关施工与技术人员进入现场调查情况: 1、施工范围内地上地下管线分布情况;2、排水流通情况; 3、道路交通情况资源配置计划二、施工准备为了确保本工程优质、高速、安全、低耗、圆满地完成规定得各项指标。根据本工程特点,做好施工前准备工作。科学组织,精心安排、计划在先,保证施工中各项工作得顺利开展。制定出工期控制节点,并分阶段编制出施工作业计划,仔细落实各项资源供应计划,严格控制工程进度目标,做好组织协调工作,工程进度监控工作,实行有效得控制措施,保证各控制节点及总进度控制目标得实现。资源配置计划劳动力配置计划筑路工 15 人、机械工 20 人、电工...

1、当您付费下载文档后,您只拥有了使用权限,并不意味着购买了版权,文档只能用于自身使用,不得用于其他商业用途(如 [转卖]进行直接盈利或[编辑后售卖]进行间接盈利)。
2、本站所有内容均由合作方或网友上传,本站不对文档的完整性、权威性及其观点立场正确性做任何保证或承诺!文档内容仅供研究参考,付费前请自行鉴别。
3、如文档内容存在违规,或者侵犯商业秘密、侵犯著作权等,请点击“违规举报”。

碎片内容

市政道路土方开挖方案

确认删除?
VIP
微信客服
  • 扫码咨询
会员Q群
  • 会员专属群点击这里加入QQ群
客服邮箱
回到顶部