电脑桌面
添加小米粒文库到电脑桌面
安装后可以在桌面快捷访问

市政道路工程检验批质量检验记录表格

市政道路工程检验批质量检验记录表格_第1页
1/144
市政道路工程检验批质量检验记录表格_第2页
2/144
市政道路工程检验批质量检验记录表格_第3页
3/144
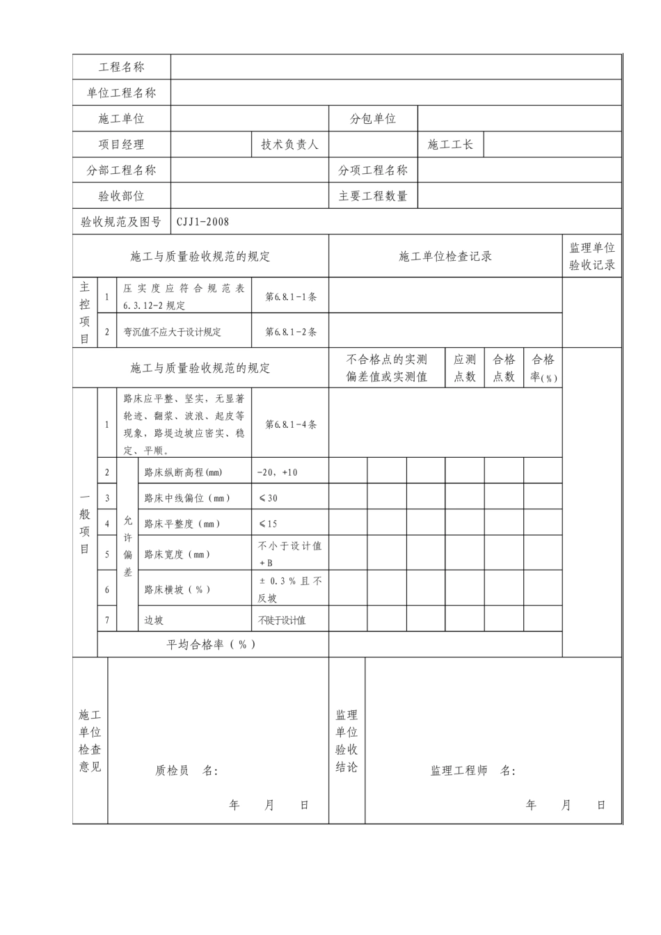
土方路基检验批质量检验统计 市政质检·1·1 第 页,共 页 挖石方路基检验批质量检验统计 填石方路基检验批质量检验统计 路肩检验批质量检验统计 砂垫层软土路基检验批质量检验统计 第 反压护道路基检验批质量检验统计 第 土工材料处理软土路基检验批质量检验统计 第 袋装砂井检验批质量检验统计 第 塑料排水板检验批质量检验统计 第 砂桩处理软土路基检验批质量检验统计 第 碎石桩处理软土路基检验批质量检验统计 第 粉喷桩处理软土路基检验批质量检验统计 第 湿陷性黄土强夯路基检验批质量检验统计 第 石灰稳定土,石灰、粉煤灰稳定砂砾(碎石),粉煤灰稳定钢渣基层及底基层检验批质量检验统计 市政质检·1·14 第 页,共 页 水泥稳定土类基层及底基层检验批质量检验统计 市政质检·1·15 第 页,共 页 级配砂砾(级配砂石)基层及底基层检验批质量检验统计 市政质检·1·16 第 页,共 页 级配碎石及级配碎砾石基层和底基层检验批质量检验统计 市政质检·1·17 第 页,共 页 沥青混合料(沥青碎石)基层检验批质量检验统计 市政质检·1·18 第 页,共 页 沥青贯入式基层检验批质量检验统计 市政质检·1·19 第 页,共 页 热拌沥青混合料检验批质量检验统计 市政质检·1·20 第 页,共 页 工程名称 单位工程名称 施工单位 分包单位 项目经理 技术责任人 施工工长 分部工程名称 分项工程名称 验收部位 主要工程数量 验收法律规范及图号 CJJ1- 施工与质量验收法律规范要求 施工单位检验统计 监理单位验收统计 主控项目 1 沥青品种、 标号应符合国家 现 行 有 关 标 准 和 规 范8.1 节要求。 第 8.5.1-1-1 条 2 沥青混合料所用粗集料、细集料、矿粉、纤维稳定剂等质量及规格应符合规范要求。 第 8.5.1-1-2 条 3 热拌沥青混合料、热拌改性沥青混合料、SMA 混合料,查出厂合格证、检验汇报并进场复验,拌合温度、出厂温度应符合法律规范第8.2.5条要求。 第 8.5.1-1-3 条 4 沥青混合料品质应符合马歇尔试验配合比技术要求。 第 8.5.1-1-4 条 施工单位检验意见 质检员署名: 监理单位验收结论 监理工程师署名: 年 月 日 热拌沥青混合料面层检验批质量检验统计 市政质检·1·21 第 页,共 页 冷拌沥青混合料面层检验批质量检验统计 市政质检·1·22 第 页,共 页 沥青混合料面层透层检验批质量检验统计 第 工程名称...

1、当您付费下载文档后,您只拥有了使用权限,并不意味着购买了版权,文档只能用于自身使用,不得用于其他商业用途(如 [转卖]进行直接盈利或[编辑后售卖]进行间接盈利)。
2、本站所有内容均由合作方或网友上传,本站不对文档的完整性、权威性及其观点立场正确性做任何保证或承诺!文档内容仅供研究参考,付费前请自行鉴别。
3、如文档内容存在违规,或者侵犯商业秘密、侵犯著作权等,请点击“违规举报”。

碎片内容

市政道路工程检验批质量检验记录表格

您可能关注的文档

一帆文传+ 关注
实名认证
内容提供者

欢迎光临店铺,各类公文供您挑选。

确认删除?
VIP
微信客服
  • 扫码咨询
会员Q群
  • 会员专属群点击这里加入QQ群
客服邮箱
回到顶部