电脑桌面
添加小米粒文库到电脑桌面
安装后可以在桌面快捷访问

常见的钢结构计算公式

常见的钢结构计算公式_第1页
1/25
常见的钢结构计算公式_第2页
2/25
常见的钢结构计算公式_第3页
3/25
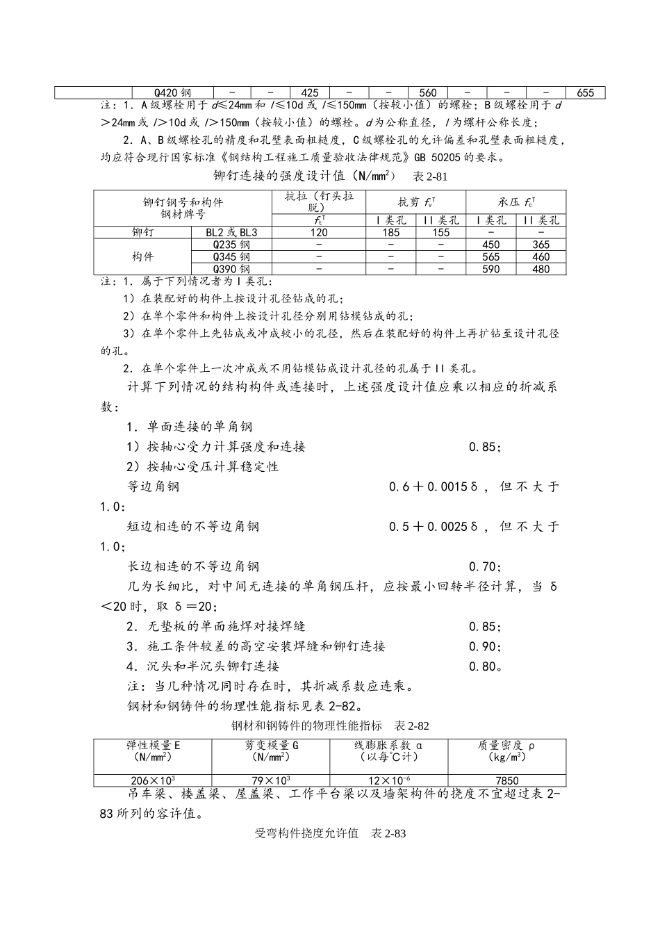
2-5 钢结构计算2-5-1 钢结构计算用表为保证承重结构的承载能力和防止在一定条件下出现脆性破坏,应根据结构的重要性、荷载特征、结构形式、应力状态、连接方法、钢材厚度和工作环境等因素综合考虑,选用合适的钢材牌号和材性。承重结构的钢材宜采纳 Q235 钢、Q345 钢、Q390 钢和 Q420 钢,其质量应分别符合现行国家标准《碳素结构钢》GB/T 700 和《低合金高强度结构钢》GB/T 1591 的规定。当采纳其他牌号的钢材时,尚应符合相应有关标准的规定和要求对 Q235 钢宜选用镇静钢或半镇静钢。承重结构的钢材应具有抗拉强度、伸长率、屈服强度和硫、磷含量的合格保证,对焊接结构尚应具有碳含量的合格保证。焊接承重结构以及重要的非焊接承重结构的钢材还应具有冷弯试验的合格保证。对于需要验算疲劳的焊接结构的钢材,应具有常温冲击韧性的合格保证。当结构工作温度等于或低于 0℃但高于-20℃时,Q235 钢和 Q345 钢应具有 0℃C冲击韧性的合格保证;对 Q390 钢和 Q420 钢应具有-20℃冲击韧性的合格保证。当结构工作温度等于或低于-20℃时,对 Q235 钢和 Q345 钢应具有-20℃冲击韧性的合格保证;对 Q390 钢和 Q420 钢应具有-40℃冲击韧性的合格保证。对于需要验算疲劳的非焊接结构的钢材亦应具有常温冲击韧性的合格保证,当结构工作温度等于或低于-20℃时,对 Q235 钢和 Q345 钢应具有 0℃冲击韧性的合格保证;对 Q390 钢和 Q420 钢应具有-20℃冲击韧性的合格保证。当焊接承重结构为防止钢材的层状撕裂而采纳 Z 向钢时,其材质应符合现行国家标准《厚度方向性能钢板》GB/T 5313 的规定。钢材的强度设计值(材料强度的标准值除以抗力分项系数),应根据钢材厚度或直径按表 2-77 采纳。钢铸件的强度设计值应按表 2-78 采纳。连接的强度设计值应按表 2-79 至表 2-81 采纳。钢材的强度设计值(N/mm2) 表 2-77钢材抗拉、抗压和抗弯f抗剪fv端面承压(刨平顶紧)fce牌号厚度或直径(mm)Q235 钢≤16215125325>16~40205120>40~60200115>60~100190110Q345 钢≤16310180400>16~35295170>35~50265155>50~100250145Q390 钢≤16350205415>16~35335190>35~50315180>50~100295170Q420 钢≤16380220440>16~35360210>35~50340195>50~100325185注:表中厚度系指计算点的钢材厚度,对轴心受力构件系指截面中较厚板件的厚度。钢铸件的强度设计值(N/mm2) 表 2-78钢号抗拉、抗压和抗弯f抗剪fv端面承...

1、当您付费下载文档后,您只拥有了使用权限,并不意味着购买了版权,文档只能用于自身使用,不得用于其他商业用途(如 [转卖]进行直接盈利或[编辑后售卖]进行间接盈利)。
2、本站所有内容均由合作方或网友上传,本站不对文档的完整性、权威性及其观点立场正确性做任何保证或承诺!文档内容仅供研究参考,付费前请自行鉴别。
3、如文档内容存在违规,或者侵犯商业秘密、侵犯著作权等,请点击“违规举报”。

碎片内容

常见的钢结构计算公式

阳光书坊+ 关注
实名认证
内容提供者

阳光书坊,传播未来

相关文档

确认删除?
VIP
微信客服
  • 扫码咨询
会员Q群
  • 会员专属群点击这里加入QQ群
客服邮箱
回到顶部