电脑桌面
添加小米粒文库到电脑桌面
安装后可以在桌面快捷访问

打钻现场作业规范

打钻现场作业规范_第1页
1/12
打钻现场作业规范_第2页
2/12
打钻现场作业规范_第3页
3/12
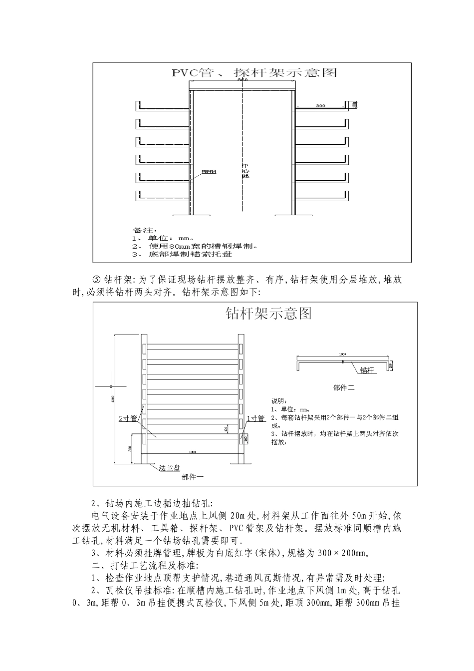
打钻现场作业法律规范一、材料、工器具堆放标准:1、顺槽内施工钻孔:(1)打钻电气设备全部安装于打钻地点上风侧 20m 处,从电气设备至打钻地点依次摆放无机材料、工具箱、探杆架、PVC 管架及钻杆架。① 无机材料摆放标准:无机材料摆放前,清理、平整底板,并在底板上按间距 1、5m 垂直巷道摆放 3 根 150×150×1500mm 规格得道木,在道木上满铺3000×300×50mm 规格得大板,然后将无机材料顺层堆放于大板上,堆放高度不得超过 1、5m,最后用风筒布进行包裹。② 工具箱:采纳立体式工具箱,工具箱内分 4 层摆放工器具及封孔用具,并进行分类、贴标识管理。工器具规格及样式附图: ③ 探杆架:探杆架上所配备得验孔深度探杆数量必须满足打钻地点钻孔设计深度,且有富裕(备用 20 根)。④PVC 管架:井下打钻地点 PVC 管路必须进行上架管理,PVC 管上架时,必须保证 PVC 管路两头对齐,每个挂钩只放一层 PVC 管路,下井时根据现场需要进行下管,严禁打钻地点超量堆放。 ⑤ 钻杆架:为了保证现场钻杆摆放整齐、有序,钻杆架使用分层堆放,堆放时,必须将钻杆两头对齐。钻杆架示意图如下:2、钻场内施工边掘边抽钻孔:电气设备安装于作业地点上风侧 20m 处,材料架从工作面往外 50m 开始,依次摆放无机材料、工具箱、探杆架、PVC 管架及钻杆架。摆放标准同顺槽内施工钻孔,材料满足一个钻场钻孔需要即可。3、材料必须挂牌管理,牌板为白底红字(宋体),规格为 300×200mm。二、打钻工艺流程及标准:1、检查作业地点顶帮支护情况,巷道通风瓦斯情况,有异常需及时处理;2、瓦检仪吊挂标准:在顺槽内施工钻孔时,作业地点下风侧 1m 处,高于钻孔0、3m,距帮 0、3m 吊挂便携式瓦检仪,下风侧 5m 处,距顶 300mm,距帮 300mm 吊挂便携式瓦检仪及 CO 便携仪;在钻场内打钻时,在作业地点上隅角处,距顶 300mm,距帮 300mm 吊挂便携式瓦检仪,下风侧钻场内,距顶 300mm,距帮 300mm 吊挂便携式瓦检仪及 CO 便携仪。示意图如下:3、钻机情况:钻机各部件完好,钻机管路连接正常,严密不漏液;4、移钻:检查电缆有足够钻机移动距离,随机电缆携带人员在平巷时位于钻机前方 2m 外,移钻地点有坡度时,位于上坡侧。5、稳钻:打设立柱,立柱与顶板连接处垫设木托板,木托板规格为300×300×5mm,并用护绳将钻机立柱固定于顶托梁上,严禁固定于金属网上;5、确认施工参数:钻头贴近煤墙,根据钻孔施工设计,利用钻孔定位仪、米尺等工具分别确定钻孔施工参数。6、安装汽水分离器或防...

1、当您付费下载文档后,您只拥有了使用权限,并不意味着购买了版权,文档只能用于自身使用,不得用于其他商业用途(如 [转卖]进行直接盈利或[编辑后售卖]进行间接盈利)。
2、本站所有内容均由合作方或网友上传,本站不对文档的完整性、权威性及其观点立场正确性做任何保证或承诺!文档内容仅供研究参考,付费前请自行鉴别。
3、如文档内容存在违规,或者侵犯商业秘密、侵犯著作权等,请点击“违规举报”。

碎片内容

打钻现场作业规范

雏圣文化+ 关注
实名认证
内容提供者

欢迎光临,大量办公文档供您挑选。

确认删除?
VIP
微信客服
  • 扫码咨询
会员Q群
  • 会员专属群点击这里加入QQ群
客服邮箱
回到顶部