电脑桌面
添加小米粒文库到电脑桌面
安装后可以在桌面快捷访问

施工组织设计中施工机械设备劳动力计划表

施工组织设计中施工机械设备劳动力计划表_第1页
1/7
施工组织设计中施工机械设备劳动力计划表_第2页
2/7
施工组织设计中施工机械设备劳动力计划表_第3页
3/7
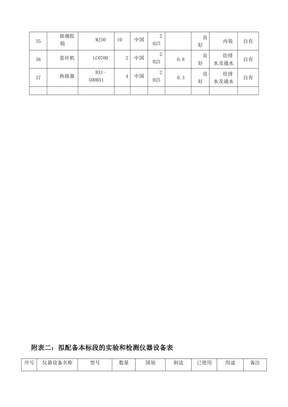
附表一:拟投入本标段的重要施工设备表序号机械或设备名称型号规格数量国别产地制造年份额定功率(KW)生产能力用于施工部位备注1射钉枪南山 30720中国20250.25良好木作自有2抛光机牧田 PV7000C8日本20251.0良好墙、地面石材自有3金属型材切割机牧田 LC07006日本20251.5良好吊顶、钢材自有4电锤钻麦太保KHESS12德国20250.5良好吊顶、木作自有5冲击钻麦太保SB66016德国20250.2良好木作自有6曲线锯麦太保STEB1354德国20250.33良好木作自有7电刨牧田1911B6日本20250.5良好木作自有8电钻日立D10VC215日本20250.25良好木作自有9石材切割机日立CM4SB6日本20251.5良好墙地面石材自有10电动电锤日立DH25V10日本20251.5良好木作自有11电圆锯日立PS15A3日本20251.2良好木作自有12开槽机日立PG215SA4日本20251.45良好木作自有13木工修边机日立 M65A8日本20250.33良好木作自有14瓷砖切割机筑平SB6507V10中国20250.65良好墙、地面砖自有15电焊机凯尔达DNJ-253中国202525良好钢构件自有16空压机日立 91018日本20252.2良好木作、墙面自有17手电钻L556180915中国20250.45良好水电安装自有序号机械或型号数量国别制造额定功率生产用于施备注设备名称规格产地年份(KW)能力工部位18冲击钻20-2RE8中国20250.4良好内装自有19沟通氩弧焊机BX1-500BX14中国20251.2良好不锈钢自有20等离子切割机SD1-LGK IGBT2中国20251.8良好内装自有21角向磨光机XY6-20116中国20252.5良好内装自有22云石机GDM 12-346中国20251.8良好内装自有23型材切割机J3G-400E4中国20250.03良好内装自有24喷枪W71G75中国20250.6良好油漆自有25台钻RKM-1301B2中国20250.28良好钢结构自有26手枪钻20-2RE10中国20250.26良好木作及水电安装自有27铆枪PG215SA5中国2025良好木作水电安装自有28木工平刨503B4中国20252.2良好木作自有29自攻螺丝钻FD-788HV12中国20250.5良好隔墙自有30木工台锯CS 706中国202530良好木作自有31砂纸机S1B-110×11015中国20250.2良好内装自有32螺机M65A8中国20250.2良好内装自有33斗车×11010中国2025良好内装自有34自攻枪SB66012中国2025良好内装自有序号机械或设备名称型号规格数量国别产地制造年份额定功率(KW)生产能力用于施工部位备注35玻璃胶枪MJ5010中国2025良好内装自有36套丝机LC07002中国20250.8良好给排水及通水自有37热熔器BX1-500BX14中国20250.3良好给排水及通水自有附表二:拟配备本标段的实验和检测仪器设备表序号仪器设备名称型号数量国别制造已使用用...

1、当您付费下载文档后,您只拥有了使用权限,并不意味着购买了版权,文档只能用于自身使用,不得用于其他商业用途(如 [转卖]进行直接盈利或[编辑后售卖]进行间接盈利)。
2、本站所有内容均由合作方或网友上传,本站不对文档的完整性、权威性及其观点立场正确性做任何保证或承诺!文档内容仅供研究参考,付费前请自行鉴别。
3、如文档内容存在违规,或者侵犯商业秘密、侵犯著作权等,请点击“违规举报”。

碎片内容

施工组织设计中施工机械设备劳动力计划表

您可能关注的文档

确认删除?
VIP
微信客服
  • 扫码咨询
会员Q群
  • 会员专属群点击这里加入QQ群
客服邮箱
回到顶部