电脑桌面
添加小米粒文库到电脑桌面
安装后可以在桌面快捷访问

机械联锁操作机构

机械联锁操作机构_第1页
1/12
机械联锁操作机构_第2页
2/12
机械联锁操作机构_第3页
3/12
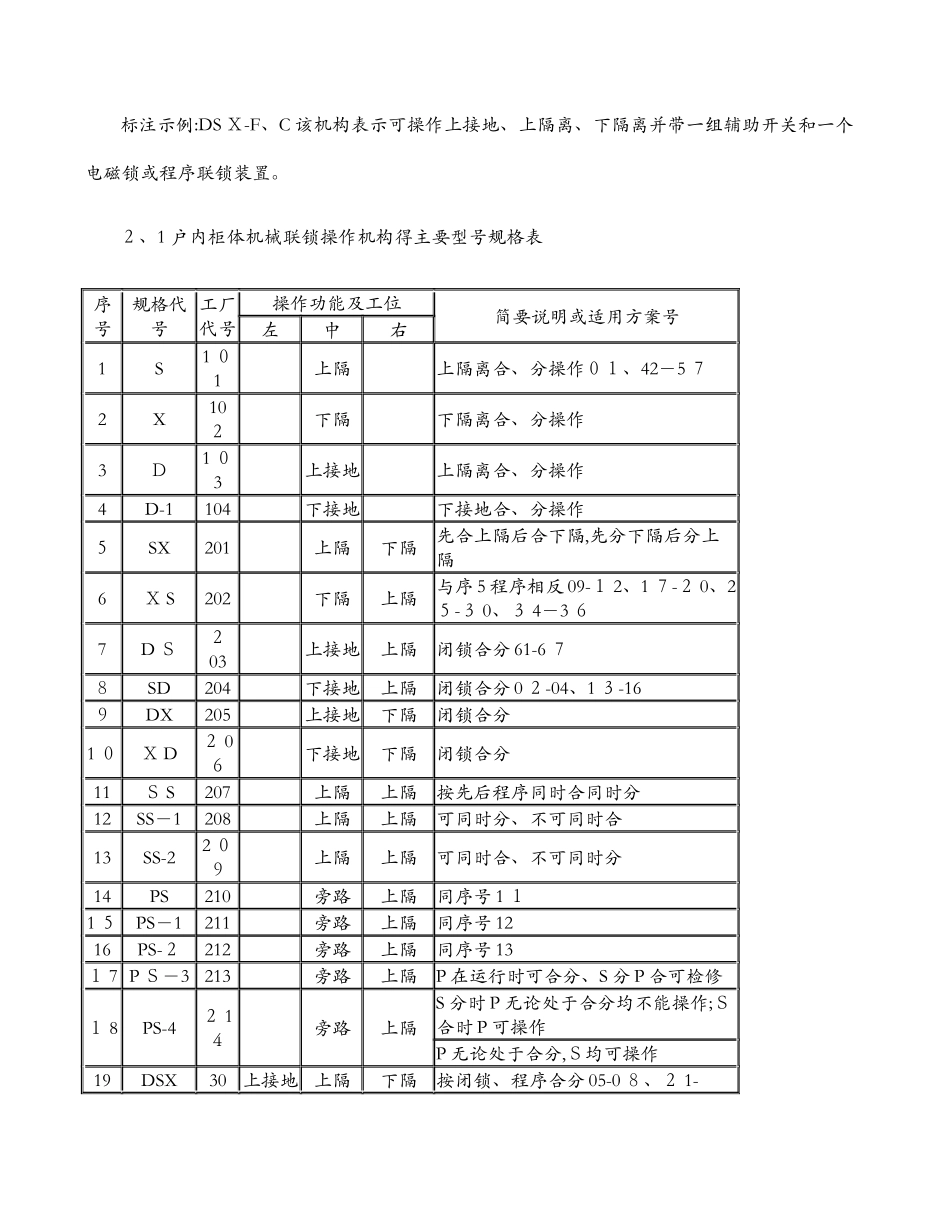
1 适用范围(户内柜体机械联锁操作机构) JS 系列联锁操作机构,系户内柜体机械联锁操作机构,用于合、分操作得联锁装置。机构采纳机械联锁方式控制各项操作程序,能满足开关柜得“五防”及其她多 种功能得要求,适用于XGN-12 等固定式开关柜得各种线路方案和结构形式,可操作各种隔离开关,接地开关和负荷开关,并能与断路器、前后柜门锁、电磁 (程序)锁及辅助开关联锁联动,可实现防误保护系统;就就是一种较先进,合理操作简便得操作机构。2 型号规格(括弧中字母为机构得辅助装置,不需要时不标注)标注示例:DS X-F、C 该机构表示可操作上接地、上隔离、下隔离并带一组辅助开关和一个电磁锁或程序联锁装置。2、1 户内柜体机械联锁操作机构得主要型号规格表序号规格代号工厂代号操作功能及工位简要说明或适用方案号左中右1S1 01上隔上隔离合、分操作01、42-5 72X102下隔下隔离合、分操作3D1 03上接地上隔离合、分操作4D-1104下接地下接地合、分操作5SX201上隔下隔先合上隔后合下隔,先分下隔后分上隔6X S202下隔上隔与序 5 程序相反 09-1 2、1 7-2 0、25-3 0、3 4-3 67D S203上接地上隔闭锁合分 61-6 78SD204下接地上隔闭锁合分 0 2-04、1 3-169DX205上接地下隔闭锁合分1 0X D2 06下接地下隔闭锁合分11S S207上隔上隔按先后程序同时合同时分12SS-1208上隔上隔可同时分、不可同时合13SS-22 09上隔上隔可同时合、不可同时分14PS210旁路上隔同序号 1 11 5PS-1211旁路上隔同序号 1216PS-2212旁路上隔同序号 131 7 P S-3213旁路上隔P 在运行时可合分、S 分 P 合可检修 1 8PS-42 14旁路上隔S 分时 P 无论处于合分均不能操作;S合时 P 可操作P 无论处于合分,S均可操作19DSX30上接地上隔下隔按闭锁、程序合分 05-0 8、2 1-125、31-33、37-3920DSD3 02上接地上隔下接地 双闭锁合分21SXD303下接地上隔下隔闭锁合分22DX D304 上接地下隔下接地 双闭锁合分23DXS3 05上接地下隔上隔接地分时先合下隔离后合上隔离(下进线)24PS X306旁路上隔下隔旁路与主回路可同时分不可同时合25P SX-1307旁路上隔下隔旁路与主回路可同时合不可同时分2 6PSX-2308旁路上隔下隔旁路与主回路可同时合同时分2 7 P S X-33 09旁路上隔下隔主回路分时旁路可合分,S X 分P合可检修28 PSX-4 310旁路上隔下隔与序号 18 相同2 9S S X311上隔...

1、当您付费下载文档后,您只拥有了使用权限,并不意味着购买了版权,文档只能用于自身使用,不得用于其他商业用途(如 [转卖]进行直接盈利或[编辑后售卖]进行间接盈利)。
2、本站所有内容均由合作方或网友上传,本站不对文档的完整性、权威性及其观点立场正确性做任何保证或承诺!文档内容仅供研究参考,付费前请自行鉴别。
3、如文档内容存在违规,或者侵犯商业秘密、侵犯著作权等,请点击“违规举报”。

碎片内容

机械联锁操作机构

您可能关注的文档

领读文化+ 关注
实名认证
内容提供者

传播文化,铸就未来

确认删除?
VIP
微信客服
  • 扫码咨询
会员Q群
  • 会员专属群点击这里加入QQ群
客服邮箱
回到顶部