电脑桌面
添加小米粒文库到电脑桌面
安装后可以在桌面快捷访问

某框架教学楼工程防水工程施工方案

某框架教学楼工程防水工程施工方案_第1页
1/8
某框架教学楼工程防水工程施工方案_第2页
2/8
某框架教学楼工程防水工程施工方案_第3页
3/8
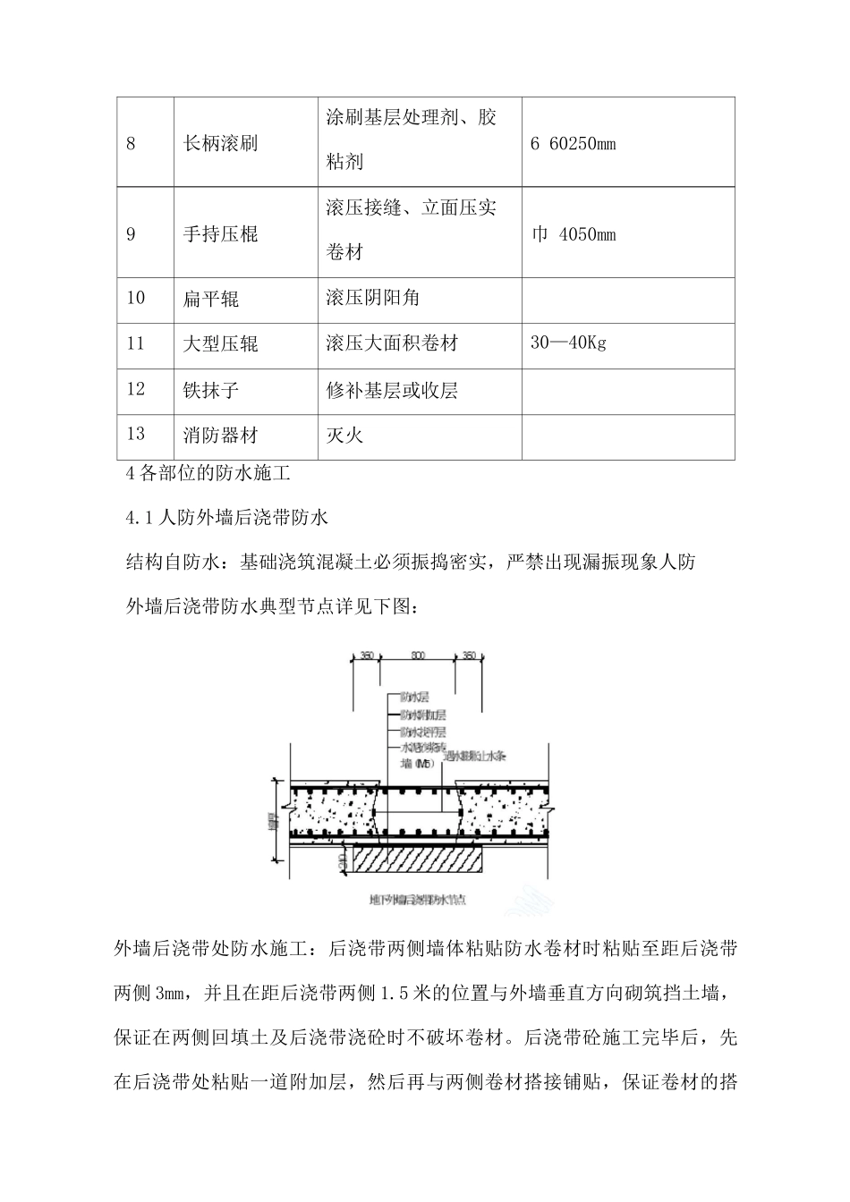
某框架教学楼工程防水工程施工方案1 设计施工概况本工程设计做防水的部位有地下室防水、屋面防水、室内卫生间、雨蓬防水、排水沟防水等,各部位采纳的防水材料及施工方法有所不同。1.1 地下室后浇带防水后浇带混凝土浇筑时在已浇混凝土构件截面中部固定膨胀止水条,浇筑混凝土强度等级高一级的补偿收缩混凝土。1.2 楼面防水所有卫生间和有排水的设备机房等潮湿房间,均采纳聚氨酯涂膜和卷材防水层,防水涂料应沿四周墙面上翻 250mm。1.3 屋面防水防水等级 I 级,防水材料为 1.2 厚高分子复合防水卷材两道,屋面保温材料为 50 厚挤塑聚苯板保温层;坡屋面防水材料为 1.5 厚水泥聚合物防水涂膜,屋面保温材料为 50 厚挤塑聚苯板保温层,屋面为砖红色彩色水泥瓦。防水具有维修不易找到渗漏点的特点,对竣工后的质量保证起到关键的作用,因此防水施工是施工中质量控制的重点。2 防水材料的选择及试验2.1 防水材料的选择本工程所用的防水材料必须符合设计技术要求,所选用材料的各厂家必须具有生产其产品的资质、生产合格证明及产品的环保、力学性能等检验证书等,并经 XX 市建委认可,符合国家有关法律规范及行业标准。2.2 防水材料的检验防水材料进入现场应由厂家提供生产日期、产品合格证、厂家资质等相关证明材料,由项目的试验员依据法律规范的规定对材料进行分批、分规格现场取样,进行外观检测和复试验,对不符合法律规范、环保、物理性能要求的材料一律退场。未经复试的材料严禁用于本工程。3 防水施工人员的要求及主要工具的选用3.1 防水施工人员的要求防水人员必须身体健康并持有 XX 市统一颁发的特别工种施工许可证,防水施工前由项目统一进行安全及施工要点的培训及技术交底。3.2 主要施工工具的选用序号名称用途规格要求1平产清理基层小型2钢丝刷清理基层或管道3棕苕帚清理基层和卷材不掉毛4高压吹风机清理基层表面浮尘、灰尘3W5卷尺丈量、放线、检查5m、 50m6剪刀裁剪卷材普通7粉线弹线白色8长柄滚刷涂刷基层处理剂、胶粘剂6 60250mm9手持压棍滚压接缝、立面压实卷材巾 4050mm10扁平辊滚压阴阳角11大型压辊滚压大面积卷材30—40Kg12铁抹子修补基层或收层13消防器材灭火4 各部位的防水施工4.1 人防外墙后浇带防水结构自防水:基础浇筑混凝土必须振捣密实,严禁出现漏振现象人防外墙后浇带防水典型节点详见下图:外墙后浇带处防水施工:后浇带两侧墙体粘贴防水卷材时粘贴至距后浇带两侧 3mm,并且在距后浇带...

1、当您付费下载文档后,您只拥有了使用权限,并不意味着购买了版权,文档只能用于自身使用,不得用于其他商业用途(如 [转卖]进行直接盈利或[编辑后售卖]进行间接盈利)。
2、本站所有内容均由合作方或网友上传,本站不对文档的完整性、权威性及其观点立场正确性做任何保证或承诺!文档内容仅供研究参考,付费前请自行鉴别。
3、如文档内容存在违规,或者侵犯商业秘密、侵犯著作权等,请点击“违规举报”。

碎片内容

某框架教学楼工程防水工程施工方案

确认删除?
VIP
微信客服
  • 扫码咨询
会员Q群
  • 会员专属群点击这里加入QQ群
客服邮箱
回到顶部