电脑桌面
添加小米粒文库到电脑桌面
安装后可以在桌面快捷访问

某水暖工程施工进度计划与工期保证措施VIP专享

某水暖工程施工进度计划与工期保证措施_第1页
1/6
某水暖工程施工进度计划与工期保证措施_第2页
2/6
某水暖工程施工进度计划与工期保证措施_第3页
3/6
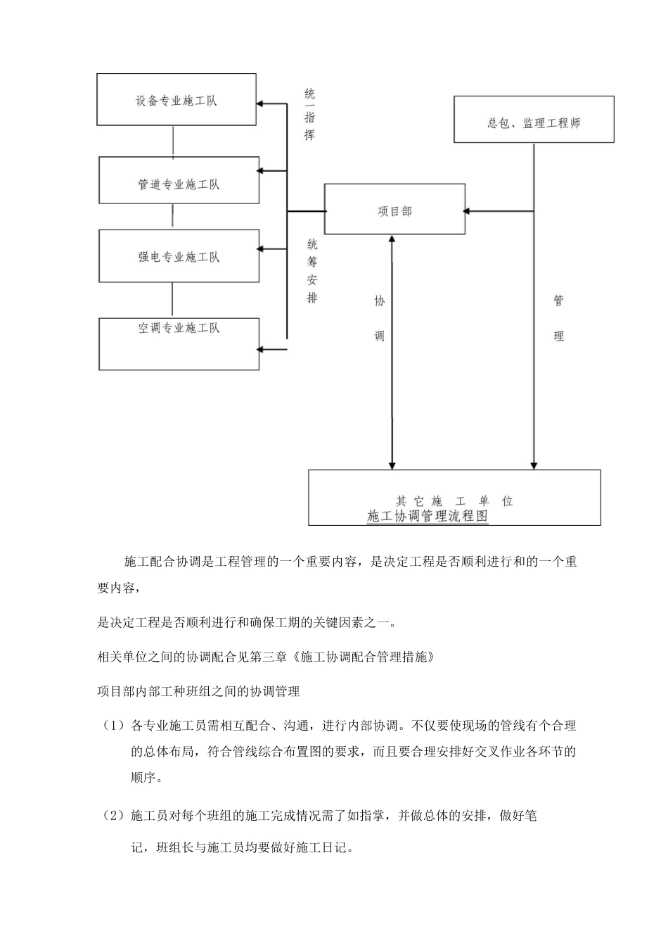
某水暖工程施工进度计划与工期保证措施第一节工期目标针对本工程,经过项目部与我司的缜密部署确定了可以确保的工期目标,工期目标在第二章第二节《工期实施目标》中已进行了论述,项目部在此重点重申:根据总包单位要求的开工日期开工并确保本工程在456 个日历天内完工。在保证工程质量的前提下,为实现这一工期目标,项目部将利用我司充裕的施工实力和娴熟的施工技术,确保分阶段工期目标和总工期目标的实现,并根据企业自身实力,加强施工力量,科学管理,力争进一步缩短工期,满足业主的使用要求。第二节施工进度计划进度计划详见附件一:《富力***机电安装工程施工进度总计划》。第三节工期保证措施富力***工程工期目标,结合施工场地的实际条件,经过科学、合理的施工安排,制定周密的施工进度控制计划,并根据施工场地实际需要和进度,层层分解,制定月、周施工进度计划。本工程施工进度控制计划详见附件一:富力***机电安装工程施工进度总计划。1、工期保证措施:为使本工程优质、高效、按期竣工,项目部将实行以下措施来保证工期:1.1 做好施工协调配合工作施工配合协调是工程管理的一个重要内容,是决定工程是否顺利进行和的一个重要内容,是决定工程是否顺利进行和确保工期的关键因素之一。相关单位之间的协调配合见第三章《施工协调配合管理措施》项目部内部工种班组之间的协调管理(1)各专业施工员需相互配合、沟通,进行内部协调。不仅要使现场的管线有个合理的总体布局,符合管线综合布置图的要求,而且要合理安排好交叉作业各环节的顺序。(2)施工员对每个班组的施工完成情况需了如指掌,并做总体的安排,做好笔记,班组长与施工员均要做好施工日记。(3)各施工技术人员对工程需有较强的预知性,以便施工前各单位协调时准确地制定方案。各专业布置详图确定施工计划(月计划、周计划、局部计划)反馈项目部内部施工协调关系流程图1.2 强化计划管理工程计划管理,是工程顺利完成的前提条件,在现场施工管理中包含两方面内容:组织连续地均衡地施工,完成阶段施工计划任务或指标;以最小的消耗取得最大的效益。1.2. 1 根据总进度控制计划和关键路线计划,做出月、周工程计划。依据编制施工控制计划和现场的实际情况,及时对施工计划进行科学的调整,做到工序流程科学合理,衔接紧密,对现场施工起到真正的指导作用。在实际施工中将每周、每月进度计划实际完成情况记录下来,并与原进度计划进行对比分析,及时发现薄弱环节和矛盾,...

1、当您付费下载文档后,您只拥有了使用权限,并不意味着购买了版权,文档只能用于自身使用,不得用于其他商业用途(如 [转卖]进行直接盈利或[编辑后售卖]进行间接盈利)。
2、本站所有内容均由合作方或网友上传,本站不对文档的完整性、权威性及其观点立场正确性做任何保证或承诺!文档内容仅供研究参考,付费前请自行鉴别。
3、如文档内容存在违规,或者侵犯商业秘密、侵犯著作权等,请点击“违规举报”。

碎片内容

某水暖工程施工进度计划与工期保证措施

确认删除?
VIP
微信客服
  • 扫码咨询
会员Q群
  • 会员专属群点击这里加入QQ群
客服邮箱
回到顶部