电脑桌面
添加小米粒文库到电脑桌面
安装后可以在桌面快捷访问

水下砼灌注记录表

水下砼灌注记录表_第1页
1/8
水下砼灌注记录表_第2页
2/8
水下砼灌注记录表_第3页
3/8
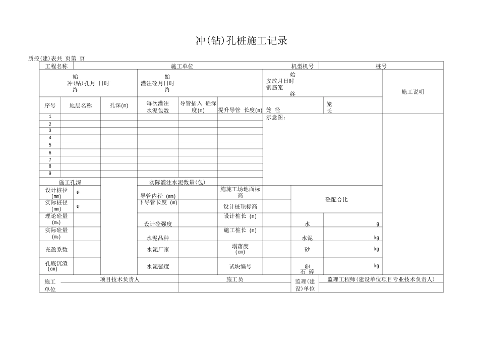
水下砼灌注记录汇总表质控(建)表共 页第 页工程名称砼强度等级施工单位配合比水泥:水:砂:石:外加剂隔水栓类型桩位编号桩孔 直径 (mm)桩孔 深度 (m)灌注日期(月日时~月日时)灌注 时间导管总长(m)导管底距孔底高(m)导管 埋入砼 深度 (m)设计砼量(m3)实际 灌注 砼量 (m3)砼灌注充盈系数塌落度(cm)钢筋笼 直径 (m)钢筋笼 下入深度 (m)钢筋 笼顶 标高 (m)砼灌注 长度(m)桩顶标高(m)施工情况说明项目技术负责人质 检 员记 录 员冲(钻)孔桩施工记录质控(建)表共 页第 页工程名称施工单位机型机号桩号始冲(钻)孔月 日时终始灌注砼月日时终始安放月日时钢筋笼终施工说明序号地层名称孔深(m)每次灌注水泥包数导管插入 砼深度(m)提升导管 长度(m) 笼 径笼长1示意图:23456789施工孔深实际灌注水泥数量(包)设计桩径 (mm)e导管内径 (mm)施施工场地面标高(罗零)砼配合比实际桩径 (mm)e下导管长度 (m)设计桩顶标高理论砼量 (m3)设计砼强度设计桩长 (m)水g实际砼量 (m3)水泥品种施工桩长 (m)水泥kg充盈系数水泥厂家塌落度(cm)砂kg孔底沉渣(cm)水泥强度试块编号卵石 碎kg施工单位项目技术负责人施工员监理(建 设)单位监理工程师(建设单位项目专业技术负责人)冲(钻)孔桩施工记录汇总表静压沉管(扩底)灌注桩施工记录工程名称桩长(m)桩径(mm)施工单位施工班组施工班组号建设单位模管长度(m)外径(mm)内径(mm)施工压桩力配筋砼强度等级施工 日期桩 号沉管终了有无抬架管内有无 泥水桩管顶离 地高度(m )灌扩底砼 高度(m )扩底提管 高度(m )扩底后管 顶离地高度(m )第一次砼离管顶高 度(m )提管后砼 离管顶高 度(m )第二次砼 离管顶高度(m )拔管后砼桩顶离地度(m )充盈 系数桩长 含桩尖)施工单位项目技术负责人施工员监理(建 设)单位监理工程师(建设单位项目专业技术负责人)质控(建)表共 页第 页静压沉管灌注桩汇总表质控(建)表.1. 6.-510 共 页第 页工程名称施工单位总桩数序桩 号施工 日期设计桩径机架 配重有否抬架充盈系数设计桩长实际桩长砍桩长度钢筋笼规备注月 日(mm)(kN)(m)(m)(m)格施工项目技术负责人 <施工员监理(建监理工程项目专业寸师(建设单位 支术负责人)单位设)单 位工程名称桩号施工单位地面标高孔径孔深桩长设计标高扩大头直径理论桩身体积桩顶标高扩大头高度实际砼灌注量挖孔日期月 日至月 日验收日期灌桩芯日期月 日...

1、当您付费下载文档后,您只拥有了使用权限,并不意味着购买了版权,文档只能用于自身使用,不得用于其他商业用途(如 [转卖]进行直接盈利或[编辑后售卖]进行间接盈利)。
2、本站所有内容均由合作方或网友上传,本站不对文档的完整性、权威性及其观点立场正确性做任何保证或承诺!文档内容仅供研究参考,付费前请自行鉴别。
3、如文档内容存在违规,或者侵犯商业秘密、侵犯著作权等,请点击“违规举报”。

碎片内容

水下砼灌注记录表

您可能关注的文档

确认删除?
VIP
微信客服
  • 扫码咨询
会员Q群
  • 会员专属群点击这里加入QQ群
客服邮箱
回到顶部