电脑桌面
添加小米粒文库到电脑桌面
安装后可以在桌面快捷访问

水垫塘泵房、竖井、集水井衬砌施工措施

水垫塘泵房、竖井、集水井衬砌施工措施_第1页
1/14
水垫塘泵房、竖井、集水井衬砌施工措施_第2页
2/14
水垫塘泵房、竖井、集水井衬砌施工措施_第3页
3/14
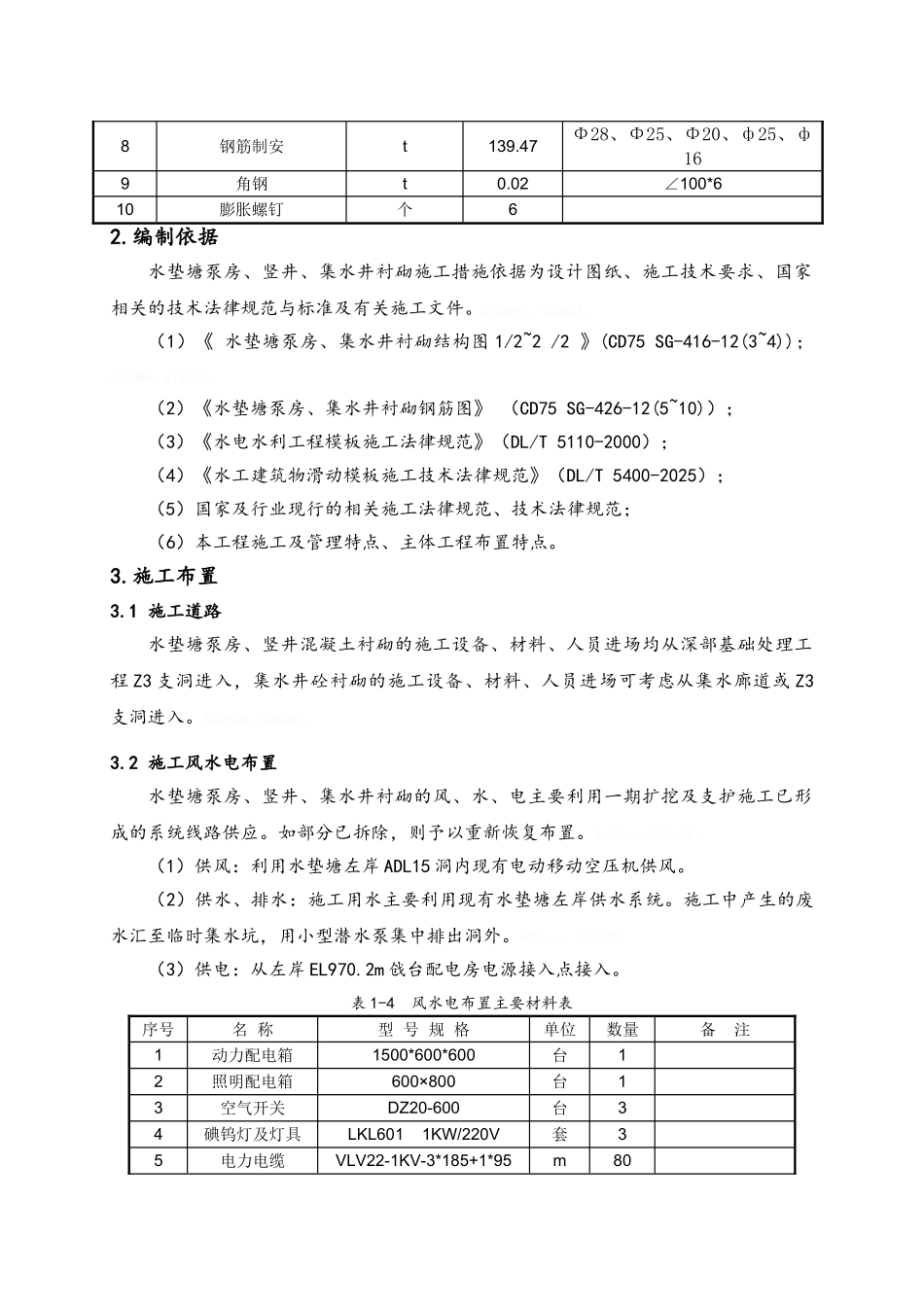
水垫塘泵房、竖井、集水井衬砌施工措施1.概述1.1 工程特点水垫塘泵房(及配电室),布置于左岸深部基础处理工程 Z3 施工支洞中,向山内侧扩挖而成,泵房为城门洞型,断面尺寸为 29.5m×8.4m×9.0m(长×宽×高)。iXPK7Od。FWVa1IN。水垫塘竖井,高 55.67m,开挖成 φ=6m 圆形断面,衬砌厚 0.50m,周边布置Φ22,L=3m,间排距 1.5m 锚杆,伸入混凝土 40cm。竖井上部 EL969.67m~EL925.5m 岩体以Ⅱ类微新的黑云二长花岗岩为主,抗变形能力较强,围岩整体性较好,开挖后表部岩体即可满足建基的要求;竖井 EL925.5 以下有 β112 辉绿岩脉穿过,岩性为薄板状~碎裂结构,围岩局部稳定性差,以Ⅲ 2 类岩体为主,部分Ⅳ类岩体,抗变形能力较弱,通过对结构面组合分析,井筒内、外侧壁岩层陡倾,层理发育,对井壁稳定性起着控制性作用.kbtJXup。ianHKHQ。水垫塘集水井,为城门洞型,断面尺寸为 14.90m×5.8m×8.4m(长×宽×高),局 部 衬 砌 分 两 段 , 距 竖 井 5m 段 衬 砌 厚 0.50m , 后 9.9m 段 只 需 衬 砌 底 板 厚20cm。XY8w1RG。yujdlh2。水垫塘集水廊道,根据一期开挖、支护和扩挖及现场施工情况,现在为城门洞型,断面尺寸为 3.4m×3.6m(宽×高),其只需底板混凝土衬砌( 3.0m×0.2m(宽×高))。r0yCVpH。YitPLXx。1.2 主要工程量表 1-1 水垫塘泵房、竖井、集水井衬砌主要工程量序号项目单位数量备注1混凝土 C25(二)m31129.82泵送砼2预制混凝土(二)m35.503回填灌浆m2354.634M10 砂浆抹面m32.305φ50mm 预埋钢管m186塑料止浆片m91.507橡胶止水带m20.58钢筋制安t139.47Φ28、Φ25、Φ20、ф25、ф169角钢t0.02∠100*610膨胀螺钉个62.编制依据水垫塘泵房、竖井、集水井衬砌施工措施依据为设计图纸、施工技术要求、国家相关的技术法律规范与标准及有关施工文件。ufRS4AU。igXUgZX。(1)《 水垫塘泵房、集水井衬砌结构图 1/2~2 /2 》(CD75 SG-416-12(3~4));5BwzWM4。m1AtHak。(2)《水垫塘泵房、集水井衬砌钢筋图》 (CD75 SG-426-12(5~10));(3)《水电水利工程模板施工法律规范》(DL/T 5110-2000);(4)《水工建筑物滑动模板施工技术法律规范》(DL/T 5400-2025);(5)国家及行业现行的相关施工法律规范、技术法律规范;(6)本工程施工及管理特点、主体工程布置特点。3.施工布置3.1 施工道路水垫塘泵房、竖井混凝土衬砌的施工设备、材料、人员进场均从深...

1、当您付费下载文档后,您只拥有了使用权限,并不意味着购买了版权,文档只能用于自身使用,不得用于其他商业用途(如 [转卖]进行直接盈利或[编辑后售卖]进行间接盈利)。
2、本站所有内容均由合作方或网友上传,本站不对文档的完整性、权威性及其观点立场正确性做任何保证或承诺!文档内容仅供研究参考,付费前请自行鉴别。
3、如文档内容存在违规,或者侵犯商业秘密、侵犯著作权等,请点击“违规举报”。

碎片内容

水垫塘泵房、竖井、集水井衬砌施工措施

确认删除?
VIP
微信客服
  • 扫码咨询
会员Q群
  • 会员专属群点击这里加入QQ群
客服邮箱
回到顶部