电脑桌面
添加小米粒文库到电脑桌面
安装后可以在桌面快捷访问

水池基坑支护与土方开挖方案

水池基坑支护与土方开挖方案_第1页
1/10
水池基坑支护与土方开挖方案_第2页
2/10
水池基坑支护与土方开挖方案_第3页
3/10
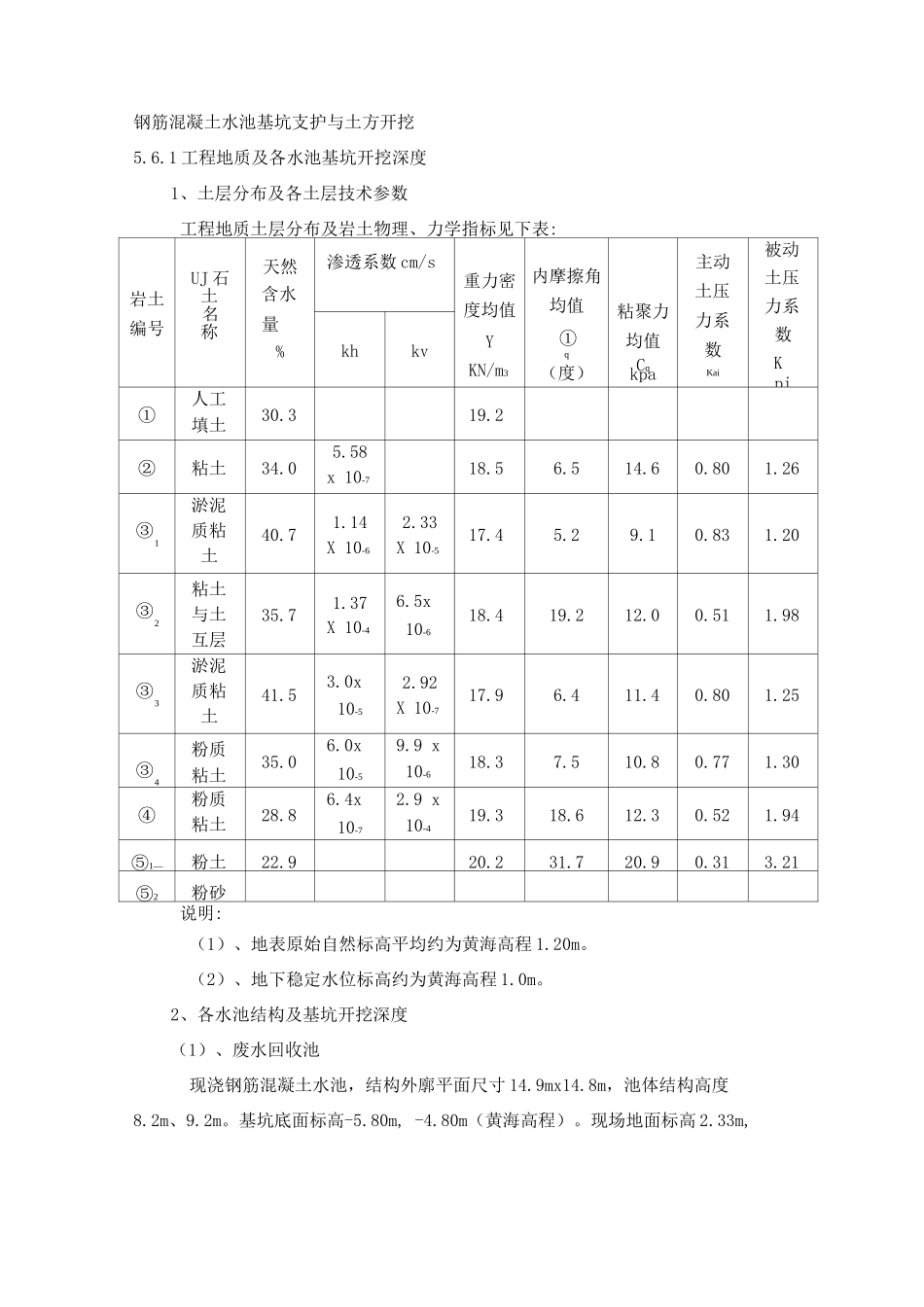
钢筋混凝土水池基坑支护与土方开挖5.6.1 工程地质及各水池基坑开挖深度1、土层分布及各土层技术参数工程地质土层分布及岩土物理、力学指标见下表:岩土编号UJ 石土名称天然含水量%渗透系数 cm/s重力密度均值YKN/m3内摩擦角均值①q(度)粘聚力均值Cqkpa主动土压力系数Kai被动土压力系数Kpikhkv①人工填土30.319.2②粘土34.05.58x 10-718.56.514.60.801.26③1淤泥质粘土40.71.14X 10-62.33X 10-517.45.29.10.831.20③2粘土与土互层35.71.37X 10-46.5x10-618.419.212.00.511.98③3淤泥质粘土41.53.0x10-52.92X 10-717.96.411.40.801.25③4粉质粘土35.06.0x10-59.9 x10-618.37.510.80.771.30④粉质粘土28.86.4x10-72.9 x10-419.318.612.30.521.94⑤1—粉土22.920.231.720.90.313.21⑤2粉砂说明:(1)、地表原始自然标高平均约为黄海高程 1.20m。(2)、地下稳定水位标高约为黄海高程 1.0m。2、各水池结构及基坑开挖深度(1)、废水回收池现浇钢筋混凝土水池,结构外廓平面尺寸 14.9mx14.8m,池体结构高度8.2m、9.2m。基坑底面标高-5.80m, -4.80m(黄海高程)。现场地面标高 2.33m,基坑深度 7.13m、8.33m。(2) 、中间水池现浇钢筋混凝土水池,结构外廓平面尺寸 25m x 41m,池体结构高度 7.1m、8.8m。基 坑 底 面 标 高 -5.90m 、 -4.20m ( 黄 海 高 程 ) 。 现 场 地 面 标 高 2.06m , 基 坑 深 度 6.26m、7.96m。(3) 、曝气生物滤池现浇钢筋混凝土水池,结构外廓平面尺寸 20mx 36.55m,池体结构高度 10.75m。基坑底面标高-3.87m、-4.17m (黄海高程)。现场地面标高 2.06 m,基坑深度 5.93m、6.23m。(4) 、RO 浓水池现浇钢筋混凝土水池,结构外廓平面尺寸 13.05mx10.7m,池体结构高度 6.45m。基槽底面标高-2.25m、-3.95m、-4.45 (黄海高程)。现场地标高 2.15 m,基坑深度 4.4m、6.1m、6.6m。(5) 、调节池现 浇 钢 筋 混 凝 土 水 池 , 结 构 外 廓 平 面 尺 寸 19m x 36m, 池 体 结 构 高 度5.2m、6.52m。基坑底面标高-0.8m、-1.8m (黄海高程)。现场地标高 2.10m,基坑深度2.9m、3.8m。(6) 、水解池现浇钢筋混凝土水池,结构外廓平面尺寸 17.2mx28.2m,池体结构高度 6.8m。基坑底面标高 1.3m (黄海高程)。现场地标高 2.10m,基坑深度 08m。(7) 、细格栅池现浇钢筋混凝土水池,结构外廓平面尺寸 8.2mx5.9m,池体结构高度 8.61m。基坑底面标高-0.15...

1、当您付费下载文档后,您只拥有了使用权限,并不意味着购买了版权,文档只能用于自身使用,不得用于其他商业用途(如 [转卖]进行直接盈利或[编辑后售卖]进行间接盈利)。
2、本站所有内容均由合作方或网友上传,本站不对文档的完整性、权威性及其观点立场正确性做任何保证或承诺!文档内容仅供研究参考,付费前请自行鉴别。
3、如文档内容存在违规,或者侵犯商业秘密、侵犯著作权等,请点击“违规举报”。

碎片内容

水池基坑支护与土方开挖方案

确认删除?
VIP
微信客服
  • 扫码咨询
会员Q群
  • 会员专属群点击这里加入QQ群
客服邮箱
回到顶部