电脑桌面
添加小米粒文库到电脑桌面
安装后可以在桌面快捷访问

墙面高压喷射混凝土施工组织设计方案VIP免费

墙面高压喷射混凝土施工组织设计方案_第1页
1/16
墙面高压喷射混凝土施工组织设计方案_第2页
2/16
墙面高压喷射混凝土施工组织设计方案_第3页
3/16
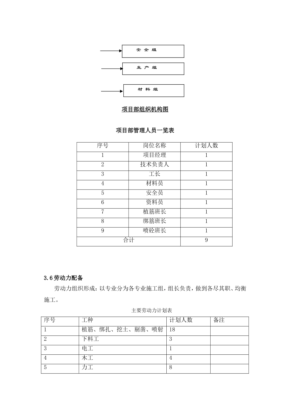
第一章工程概况1、工程概况:本工程为本工程为北京市西城区樱桃二条甲15(号楼),主体为6层砖混结构,建造于1949年,一直作为住宅楼使用,本工程建筑面积2866.2m2,层高:一至六均为3米,建筑高度:18.6米,于2012年进行安全与抗震鉴定确定:本工程不满足抗震要求。该建筑为A类建筑(后续使用年限为30年)建筑结构安全等级为二级,抗震设防烈度为8度,地基基础设计等级为丙级,建筑耐火等级为Ⅱ级。本工程加固内容为砖墙,加固方法为混凝土板墙,混凝土等级为C30。墙体采用水泥砂浆砌筑。由于原建筑物年代久远,整体强度不能满足现代建筑结构抗震强度要求,因此需对原结构增设钢筋混凝土板墙进行加固,以提高改造后结构的整体强度和抗震能力,确保该建筑物的安全使用。2、施工工艺内容墙面高压喷射混凝土第二章编制依据1、北京筑福建筑事务有限责任公司设计图纸;2、《建筑抗震加固技术规程》(JGJ116-2009);3、《混凝土结构工程及验收规范》(GB50204-2002);4、《混凝土结构加固技术规范》(CECS25:90);5、《喷射混凝土加固技术规程》(CECS161:2004);6、《混凝土结构工程施工及验收规范》(CB50204-92)7、《钢筋焊接及验收规程》(JGJ18-2003)8、《建筑工程质量控制标准》(GB50300-2001)9、《施工现场临时用电安全技术规程》(JGJ80-91)10、《建筑施工高处作业安全技术规范》(JGJ80-91)11、其它与本工程有关的各种有效版本规范、规程、图集及文件。第三章施工总体部署我公司现已成立了以项目经理为核心的领导小组,组织和协调此工程的投标和施工管理。选派具有丰富施工经验的项目经理及实力强的项目班子,全面负责工程的质量、工期、成本、文明施工、服务等,保证达到预期的管理目标。3.1质量目标3.1.1宗旨全员树立“质量就是生命,业主就是上帝”的观念,严格按照国家工程质量评定标准,生产出符合设计要求的建筑产品,最终交付给业主一个满意的产品。3.1.2质量目标本工程的质量目标为:确保合格。3.2工期目标本工程在能保证正常连续施工的情况下,工期暂定为180天,实现工期保证措施:采用倒计时法。应该当日完成的分部分项施工内容当日必须完成,受到影响的部位应采取措施在24小时之内补救完成。3.3文明施工管理目标本工程施工现场的安全、保卫、消防、卫生、环保等项目管理目标,按照市建委文明工地的要求组织落实,达到文明安全工地。其中:安全指标无重大伤亡事故。3.4施工程序依据本工程工期短、任务重、施工难度大的特点,因而需严密组织,精心计划统筹安排。本工程的施工总体顺序为:先地下后地上,先基础后墙体;施工中,应严格按照植筋先行、绑筋跟进,喷射面随出随完的基本顺序进行。在喷射混凝土施工中要选用木板、彩条布等材料切实做好门窗洞口、阳台的防护工作,采取合理措施减小施工噪音,尽量避免扰民。3.5项目经理部组织机构我公司选派一支技术力量雄厚、有丰富施工经验和管理经验的优秀项目经理部负责本工程的施工,项目部组织机构见图:项目经理技术组质量组项目执行经理经营管理组项目部组织机构图项目部管理人员一览表3.6劳动力配备劳动力组织形成:以专业分为各专业施工组,组长负责,做到各尽其职、均衡施工。主要劳动力计划表序号工种计划人数备注1植筋、绑扎、挖土、剔凿、喷射182下料工33电工14木工45力工8序号岗位名称计划人数1项目经理12技术负责人13工长14材料员15安全员16资料员17植筋班长18绑筋班长19喷砼班长1合计9安全组生产组材料组6合计34第四章施工准备4.1技术准备工作4.1.1图纸会审领到图纸后,技术负责人立即组织各部门、各专业有关人员进行图纸会审;同时取得各项有关的技术资料、规范、规程、标准等,参加设计交底;并与建设单位、设计单位、监理单位办理好洽商。4.1.2编制施工方案制定各分项工程技术措施,编制关键工序作业指导书,编制暂时用电、架子等施工方案,并做好技术交底工作。4.1.3制定材料采购计划制定材料采购计划和材料抽样检验计划,提出加工定货数量、规格及需用日期。按生产进度要求提出各种材料订货单,按时进场。4.1.4技术交底施工前安排各专业工程技术人员对技术工人进行技术交底、工程内容交底...

1、当您付费下载文档后,您只拥有了使用权限,并不意味着购买了版权,文档只能用于自身使用,不得用于其他商业用途(如 [转卖]进行直接盈利或[编辑后售卖]进行间接盈利)。
2、本站所有内容均由合作方或网友上传,本站不对文档的完整性、权威性及其观点立场正确性做任何保证或承诺!文档内容仅供研究参考,付费前请自行鉴别。
3、如文档内容存在违规,或者侵犯商业秘密、侵犯著作权等,请点击“违规举报”。

碎片内容

墙面高压喷射混凝土施工组织设计方案

您可能关注的文档

确认删除?
VIP
微信客服
  • 扫码咨询
会员Q群
  • 会员专属群点击这里加入QQ群
客服邮箱
回到顶部