电脑桌面
添加小米粒文库到电脑桌面
安装后可以在桌面快捷访问

体育公园项目方案施工组织设计VIP免费

体育公园项目方案施工组织设计_第1页
1/13
体育公园项目方案施工组织设计_第2页
2/13
体育公园项目方案施工组织设计_第3页
3/13
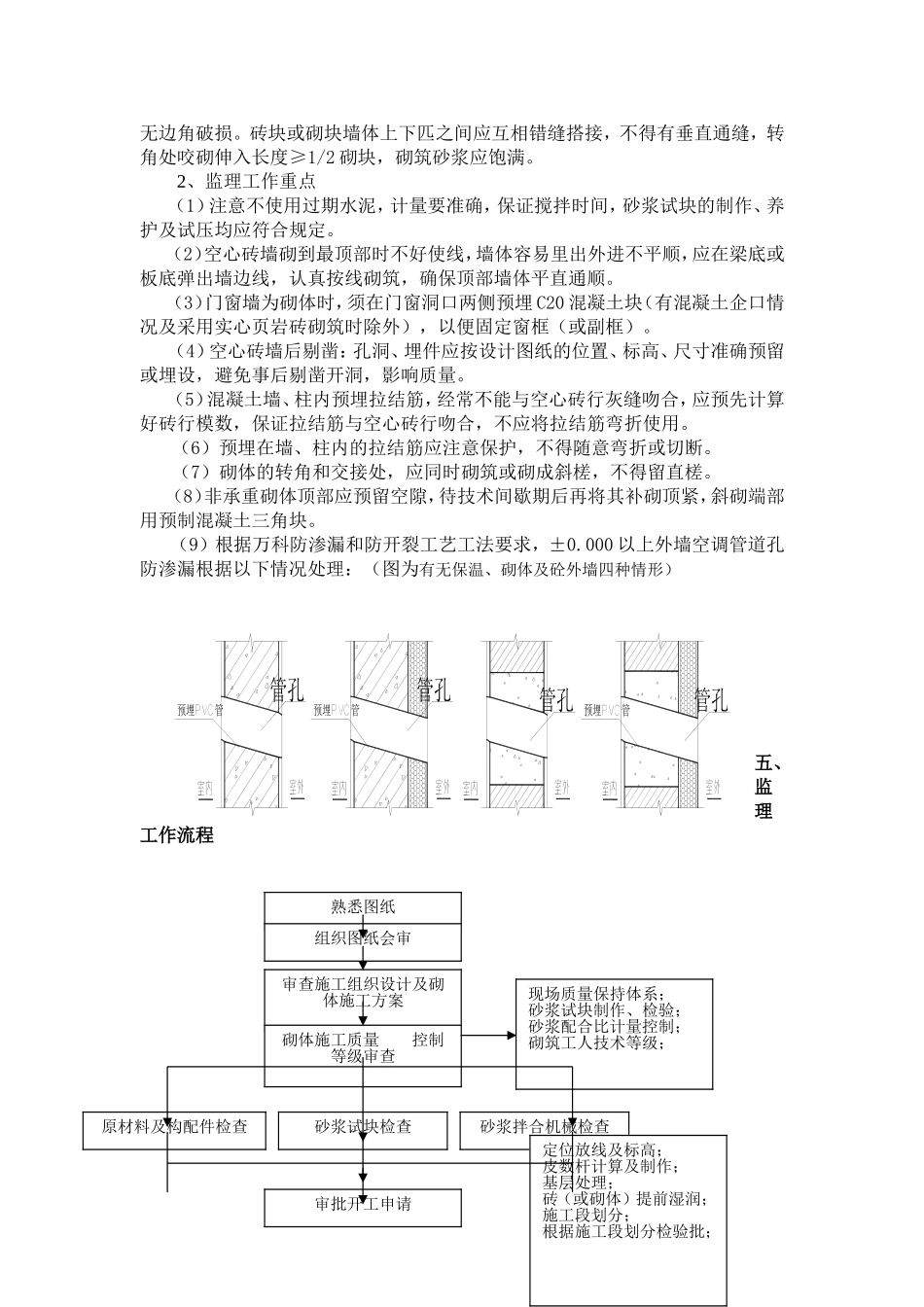
目录一、工程概况2二、编制依据2三、分项工程质量目标2四、工程特点及监理工作重点3五、监理工作流程4六、质量控制点5七、工程质量过程控制要点6八、工程质量检验和验收15九、施工安全监理要点17十、旁站监理17一、工程概况项目名称:中航两江体育公园项目E16-01/01地块建设单位:重庆航悦置业有限公司设计单位:重庆长夏安基建筑设计有限公司勘察单位:重庆市高新工程勘察设计院有限公司监理单位:深圳市中行建设监理有限公司施工单位:中国航天技术国际工程有限公司中航两江体育公园项目E16-01/01地块,,位于重庆市两江新区东部,属于龙盛片区,东邻龙兴古镇,西邻铜锣山,南接绕城高速,北联中韩产业园。东距龙盛中心区4公里,西距江北机场12公里,距观音桥27公里。整个地块由住宅及商业产品组成,由7层、8层的住宅及商业组成。总建筑面积为83431.79㎡,其中地上建筑面积60570.21㎡,地下建筑面积22861.58㎡,总户数为533户,总停车位601个,地下停车601个,地面0个。工程结构形式为框架剪力墙结构。基础采用机械旋挖钻孔桩、柱下独立柱基。抗震设防烈度:六度,主要结构类型:框架剪力墙结构、车库为框架结构、抗震等级:框架为4级,剪力墙为3级。建筑结构使用年限:50年。建筑安全等级为二级。二、编制依据1、本工程项目的监理规划;2、监理合同及其他建设合同;3、批准的工程建设文件;4、项目施工图设计图纸及设计变更、图纸会审等资料;5、砌体结构工程施工质量验收规范(GB50203-2011)砌筑砂浆配合比设计规程(JGJ98-2010)万科住宅建筑构造图集(一)(10VKJ-101)三、分项工程质量目标严格控制强制性条文的执行,确保检验批、分项工程、分部(子分部)工程质量验收合格,并符合合同规定,其工程质量目标如下:1、主控项目和一般项目的质量经抽样检验合格;2、分项工程所含的检验批均符合合格质量的规定;3、分部(子分部)工程所含分项工程的质量均验收合格;4、质量控制资料完整;5、分部工程有关安全及功能的检验和抽样检测结果符合有关规定;6、观感质量验收符合要求;7、确保工程质量验收符合合同规定。四、工程特点及监理工作重点1、工程特点及要点本工程一层及以上墙体、外墙、分户墙采用200厚烧结页岩空心砖;内墙采用100、200厚烧结页岩空心砖(12孔以上)。于墙脚低于首层室内地面标高0.06处设防潮层,选用20厚防水砂浆三层防潮作法,凡在有楼地面防水房间的轻质隔墙均在下部现浇200高混凝土反坎。砌体上预埋件及预留孔洞,应在砌筑时预留,不得事后剔凿。空调机管线预留洞,应事先预留,不得事后剔凿;设备管道穿越钢筋混凝土墙时,在管道安装完后用石棉水泥填塞密实,若预留墙洞较大,应先用1:2.5水泥砂浆砌碎砖填塞后(厚度同墙厚),再用水泥填塞小缝。设备管道穿越砖墙时,应待设备管道安装后再砌墙。凡楼中用砖砌(空心砖)的管井,砖砌管井壁厚度根据固化图确定,应待设备管道安装完毕后再砌管井墙。管井墙上如开有检查孔或洞,应在孔或洞的上口加过梁或圈梁,管井内壁应随砌随抹20厚1:2.5水泥砂浆。砖砌外墙及内隔墙均砌至梁、板底。所有轻质墙体与钢筋混凝土墙,柱连接处内外加钢丝网片(孔距12.7X12.7,外墙用直径0.9,内墙用直径0.7),所有墙体用料外形尺寸要求准确统一,表面无边角破损。砖块或砌块墙体上下匹之间应互相错缝搭接,不得有垂直通缝,转角处咬砌伸入长度≥1/2砌块,砌筑砂浆应饱满。2、监理工作重点(1)注意不使用过期水泥,计量要准确,保证搅拌时间,砂浆试块的制作、养护及试压均应符合规定。(2)空心砖墙砌到最顶部时不好使线,墙体容易里出外进不平顺,应在梁底或板底弹出墙边线,认真按线砌筑,确保顶部墙体平直通顺。(3)门窗墙为砌体时,须在门窗洞口两侧预埋C20混凝土块(有混凝土企口情况及采用实心页岩砖砌筑时除外),以便固定窗框(或副框)。(4)空心砖墙后剔凿:孔洞、埋件应按设计图纸的位置、标高、尺寸准确预留或埋设,避免事后剔凿开洞,影响质量。(5)混凝土墙、柱内预埋拉结筋,经常不能与空心砖行灰缝吻合,应预先计算好砖行模数,保证拉结筋与空心砖行吻合,不应将拉结筋弯折使用。(6)预埋在墙、柱内的拉结...

1、当您付费下载文档后,您只拥有了使用权限,并不意味着购买了版权,文档只能用于自身使用,不得用于其他商业用途(如 [转卖]进行直接盈利或[编辑后售卖]进行间接盈利)。
2、本站所有内容均由合作方或网友上传,本站不对文档的完整性、权威性及其观点立场正确性做任何保证或承诺!文档内容仅供研究参考,付费前请自行鉴别。
3、如文档内容存在违规,或者侵犯商业秘密、侵犯著作权等,请点击“违规举报”。

碎片内容

体育公园项目方案施工组织设计

文章天下+ 关注
实名认证
内容提供者

各种文档应有尽有

确认删除?
VIP
微信客服
  • 扫码咨询
会员Q群
  • 会员专属群点击这里加入QQ群
客服邮箱
回到顶部