电脑桌面
添加小米粒文库到电脑桌面
安装后可以在桌面快捷访问

物业管理设备运行维护方案

物业管理设备运行维护方案_第1页
1/19
物业管理设备运行维护方案_第2页
2/19
物业管理设备运行维护方案_第3页
3/19
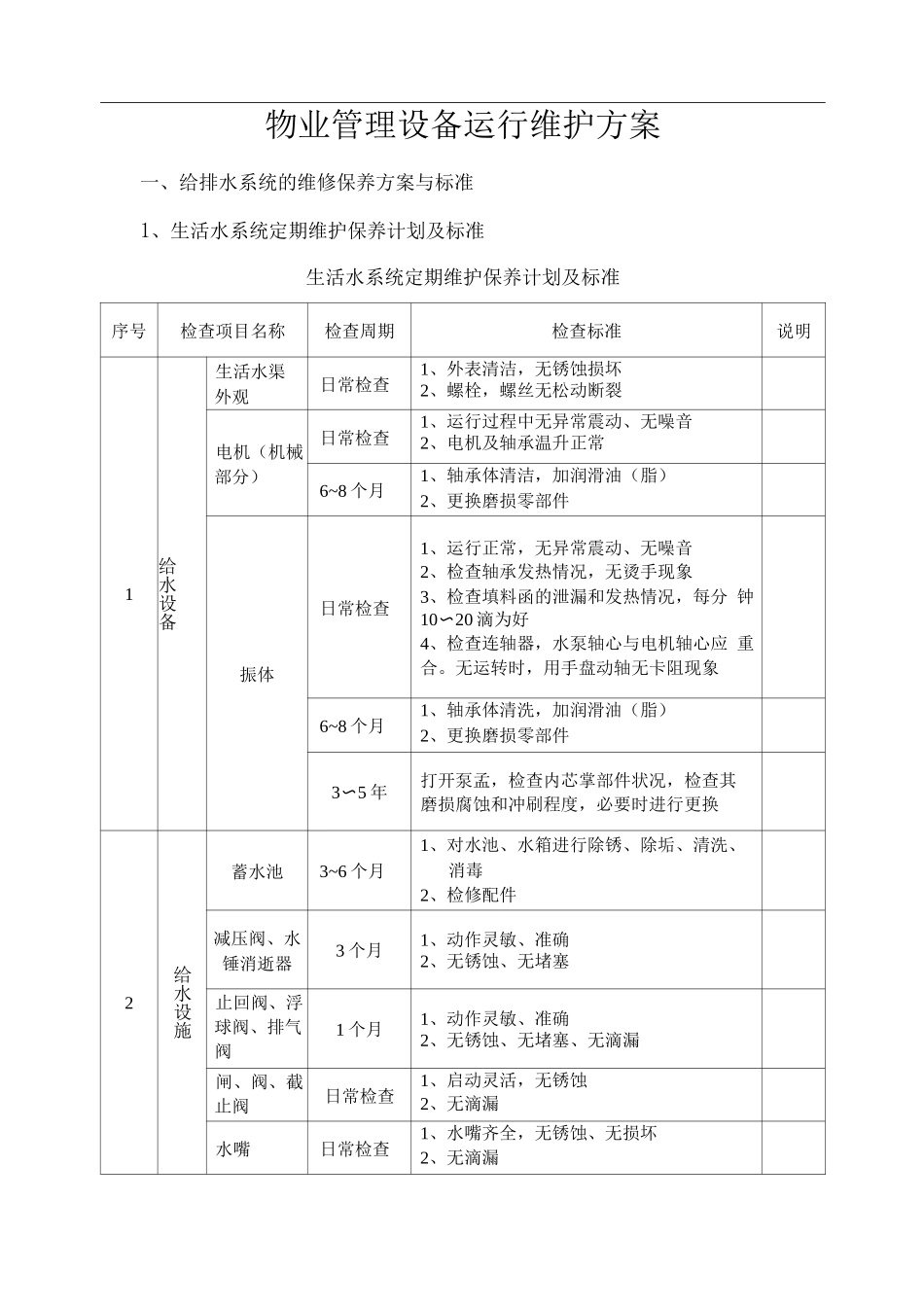
物业管理设备运行维护方案一、给排水系统的维修保养方案与标准1、生活水系统定期维护保养计划及标准生活水系统定期维护保养计划及标准序号检查项目名称检查周期检查标准说明1给水设备生活水渠 外观日常检查1、外表清洁,无锈蚀损坏2、螺栓,螺丝无松动断裂电机(机械 部分)日常检查1、运行过程中无异常震动、无噪音2、电机及轴承温升正常6~8 个月1、轴承体清洁,加润滑油(脂)2、更换磨损零部件振体日常检查1、运行正常,无异常震动、无噪音2、检查轴承发热情况,无烫手现象3、检查填料函的泄漏和发热情况,每分 钟10〜20 滴为好4、检查连轴器,水泵轴心与电机轴心应 重合。无运转时,用手盘动轴无卡阻现象6~8 个月1、轴承体清洗,加润滑油(脂)2、更换磨损零部件3〜5 年打开泵孟,检查内芯掌部件状况,检查其 磨损腐蚀和冲刷程度,必要时进行更换2给水设施蓄水池3~6 个月1、对水池、水箱进行除锈、除垢、清洗、 消毒2、检修配件减压阀、水 锤消逝器3 个月1、动作灵敏、准确2、无锈蚀、无堵塞止回阀、浮 球阀、排气 阀1 个月1、动作灵敏、准确2、无锈蚀、无堵塞、无滴漏闸、阀、截 止阀日常检查1、启动灵活,无锈蚀2、无滴漏水嘴日常检查1、水嘴齐全,无锈蚀、无损坏2、无滴漏序号检查项目名称检查周期检查标准说明压力表3 个月1、表壳完整无损,连接牢固,表面清洁2、指针灵敏,读数准确水表1 个月1、表壳完整,指针灵敏、读数准确2、无锈蚀,表面清洁、无滴漏各井室1 个月1、井盖、井裙完整、启闭方便2、爬梯牢固,井底洁净3给水管理生活给水 管理日常检查1、水流要畅通,无堵塞2、管道连接部分要严实3、无锈蚀,无跑、冒、滴、漏现象管道吊支 架、管卡1 个月1、管道吊支架、管卡连接要牢固2、表面无锈蚀消防水系统定期维护保养计划及标准序号检查项目名称检查周期检查标准说明1消防设备外观日常检 查1、外表清洁、无锈蚀损坏2、螺栓、螺丝无松动断裂3、防震垫无损坏消防泵3〜5 个 月1、检查油杯和油位情况,不缺油,油脂无 变质、发干现象2、检查泵体,手盘动轴无卡壳现象,无漏 水3、检查联动轴的对中程度(有联动轴的)4、开泵式运转,运转应无异常振动、噪音, 轴承无过热12〜14个月1、更换润滑油(脂)2、轴承体清洗、检查3、更换零配件4、绝缘良好(电部分)5、接线端子牢固(电部分)2消 防 设 施室内消火栓每周1、箱体启闭灵活,箱体完整2、箱内水枪、水带齐全无缺水,水枪卡 无变形3、箱内阀门开关...

1、当您付费下载文档后,您只拥有了使用权限,并不意味着购买了版权,文档只能用于自身使用,不得用于其他商业用途(如 [转卖]进行直接盈利或[编辑后售卖]进行间接盈利)。
2、本站所有内容均由合作方或网友上传,本站不对文档的完整性、权威性及其观点立场正确性做任何保证或承诺!文档内容仅供研究参考,付费前请自行鉴别。
3、如文档内容存在违规,或者侵犯商业秘密、侵犯著作权等,请点击“违规举报”。

碎片内容

物业管理设备运行维护方案

确认删除?
VIP
微信客服
  • 扫码咨询
会员Q群
  • 会员专属群点击这里加入QQ群
客服邮箱
回到顶部