电脑桌面
添加小米粒文库到电脑桌面
安装后可以在桌面快捷访问

现场文明施工保证措施

现场文明施工保证措施_第1页
1/5
现场文明施工保证措施_第2页
2/5
现场文明施工保证措施_第3页
3/5
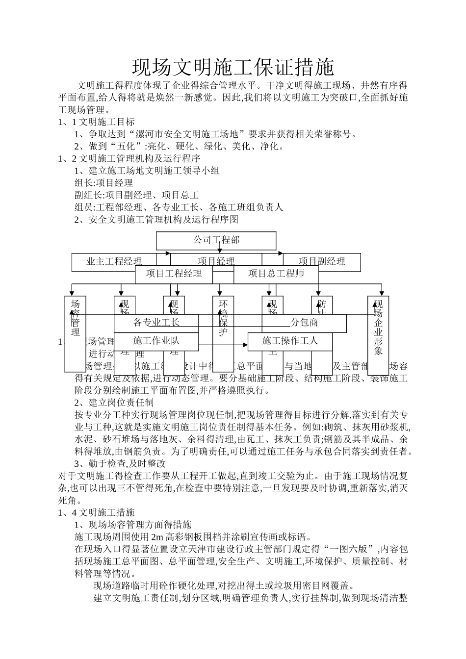
现场文明施工保证措施文明施工得程度体现了企业得综合管理水平。干净文明得施工现场、井然有序得平面布置,给人得将就是焕然一新感觉。因此,我们将以文明施工为突破口,全面抓好施工现场管理。1、1 文明施工目标1、争取达到“漯河市安全文明施工场地”要求并获得相关荣誉称号。2、做到“五化”:亮化、硬化、绿化、美化、净化。1、2 文明施工管理机构及运行程序1、建立施工场地文明施工领导小组组长:项目经理副组长:项目副经理、项目总工组员:工程部经理、各专业工长、各施工班组负责人2、安全文明施工管理机构及运行程序图1、3 现场管理原则1、进行动态管理现场管理必须以施工组织设计中得施工总平面布置与当地政府及主管部门对场容得有关规定及依据,进行动态管理。要分基础施工阶段、结构施工阶段、装饰施工阶段分别绘制施工平面布置图,并严格遵照执行。2、建立岗位责任制按专业分工种实行现场管理岗位现任制,把现场管理得目标进行分解,落实到有关专业与工种,这就是实施文明施工岗位责任制得基本任务。例如:砌筑、抹灰用砂浆机,水泥、砂石堆场与落地灰、余料得清理,由瓦工、抹灰工负责;钢筋及其半成品、余料得堆放,由钢筋负责。为了明确责任,可以通过施工任务与承包合同落实到责任者。3、勤于检查,及时整改对于文明施工得检查工作要从工程开工做起,直到竣工交验为止。由于施工现场情况复杂,也可以出现三不管得死角,在检查中要特别注意,一旦发现要及时协调,重新落实,消灭死角。1、4 文明施工措施1、现场场容管理方面得措施施工现场周围使用 2m 高彩钢板围档并涂刷宣传画或标语。在现场入口得显著位置设立天津市建设行政主管部门规定得“一图六版”,内容包括现场施工总平面图、总平面管理,安全生产、文明施工,环境保护、质量控制、材料管理等情况。现场道路临时用砼作硬化处理,对挖出得土或垃圾用密目网覆盖。建立文明施工责任制,划分区域,明确管理负责人,实行挂牌制,做到现场清洁整公司工程部业主工程经理项目经理项目副经理项目工程经理项目总工程师场容管理现场机械管理现场料具管理环境保护现场环境卫生防止扰民现场企业形象各专业工长分包商施工作业队施工操作工人齐。修建场内排水管道沉淀池,防止污水外溢。针对施工现场情况设置宣传标语与黑板报,并适当更换内容,确实起到鼓舞士气,表扬先进得作用。2、现场机械管理方面得措施现场使用得机械设备,要按平面固定点存放,遵守机械安全规程,常常保持机身等周围环境得清洁。机械得标记、编号明显...

1、当您付费下载文档后,您只拥有了使用权限,并不意味着购买了版权,文档只能用于自身使用,不得用于其他商业用途(如 [转卖]进行直接盈利或[编辑后售卖]进行间接盈利)。
2、本站所有内容均由合作方或网友上传,本站不对文档的完整性、权威性及其观点立场正确性做任何保证或承诺!文档内容仅供研究参考,付费前请自行鉴别。
3、如文档内容存在违规,或者侵犯商业秘密、侵犯著作权等,请点击“违规举报”。

碎片内容

现场文明施工保证措施

您可能关注的文档

确认删除?
VIP
微信客服
  • 扫码咨询
会员Q群
  • 会员专属群点击这里加入QQ群
客服邮箱
回到顶部