电脑桌面
添加小米粒文库到电脑桌面
安装后可以在桌面快捷访问

理化检验记录表格

理化检验记录表格_第1页
1/12
理化检验记录表格_第2页
2/12
理化检验记录表格_第3页
3/12
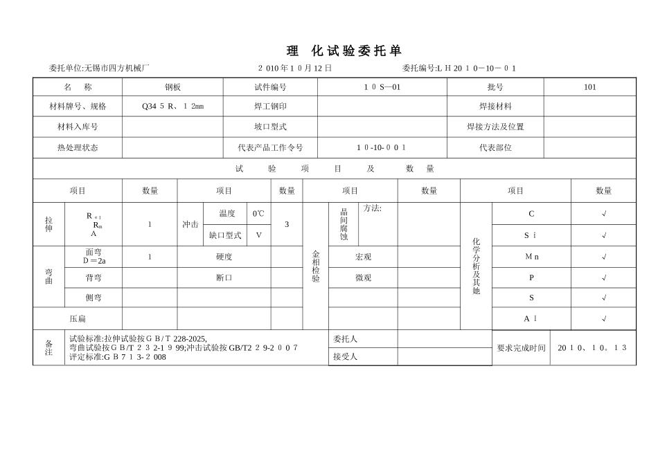
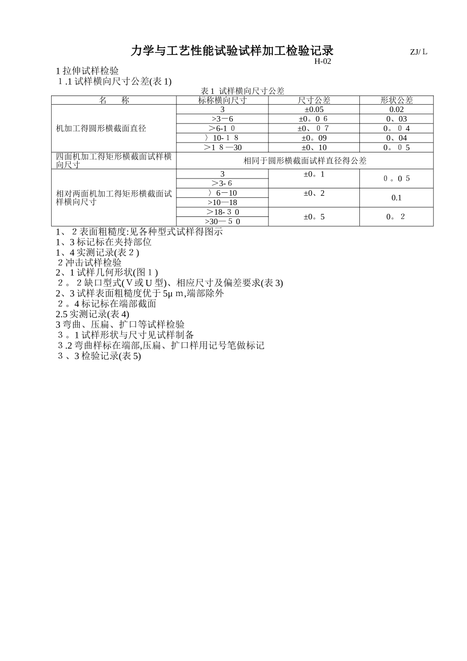
六、理化表式汇总表序号编 号名 称1ZJ/LH-01理化试验委托单2Z J/LH-02力学与工艺性能试验试样加工检验记录(表 1)ZJ/LH-02-1拉伸试样检验记录(表 2)ZJ/LH-02—2冲击试样检验记录(表 3) ZJ/LH-02-3弯曲、压扁、扩口等试样检验记录(表 4) 3Z J/LH—03材料理化试验报告原始记录4Z J/LH-04理 化 试 验 报 告5ZJ/L H—0 5化学分析原始记录6ZJ/LH-06化学分析结果登记表7ZJ/L H-07金相检验原始记录 8ZJ/LH—0 8金相试验报告9Z J/LH-09 焊接件理化试验报告 理 化 试 验 委 托 单 委托单位:无锡市四方机械厂 2 010 年 1 0月 12 日 委托编号:L H 20 1 0-10-0 1名 称钢板试件编号1 0 S—01批号101材料牌号、规格Q34 5 R、1 2mm焊工钢印焊接材料材料入库号坡口型式焊接方法及位置热处理状态代表产品工作令号1 0-10-0 0 1代表部位试 验 项 目 及 数 量项目数量项目数量项目数量项目数量拉伸R e l RmA 1冲击温度 0℃3金相检验晶 间腐 蚀方法:化学分析及其她C√缺口型式VS i√弯曲面弯D=2a1硬度宏观M n√背弯断口微观P√侧弯S√压扁A l√备注试验标准:拉伸试验按GB/T 228-2025,弯曲试验按GB/T 23 2-1 9 99;冲击试验按 GB/T2 2 9-2 0 0 7评定标准:G B 7 1 3-2 008委托人要求完成时间20 1 0、1 0。13接受人 力学与工艺性能试验试样加工检验记录 ZJ/LH-021 拉伸试样检验1.1 试样横向尺寸公差(表 1)表 1 试样横向尺寸公差名 称标称横向尺寸尺寸公差形状公差机加工得圆形横截面直径3±0.050.02>3-6±0。0 60、03>6-1 0±0、070。0 4〉10-18±0。090、04>1 8—30±0、100。0 5四面机加工得矩形横截面试样横向尺寸相同于圆形横截面试样直径得公差相对两面机加工得矩形横截面试样横向尺寸3±0。10。0 5>3-6〉6-10±0、20.1>10—18>18-3 0±0。50。2>30—5 01、2表面粗糙度:见各种型式试样得图示1、3 标记标在夹持部位1、4 实测记录(表2)2冲击试样检验2、1 试样几何形状(图1)2。2缺口型式(V或 U 型)、相应尺寸及偏差要求(表 3)2、3 试样表面粗糙度优于 5μ m,端部除外2。4 标记标在端部截面2.5 实测记录(表 4)3 弯曲、压扁、扩口等试样检验3。1 试样形状与尺寸见试样制备3.2 弯曲样标在端部,压扁、扩口样用记号笔做标记3、3 检验记录(表 5)...

1、当您付费下载文档后,您只拥有了使用权限,并不意味着购买了版权,文档只能用于自身使用,不得用于其他商业用途(如 [转卖]进行直接盈利或[编辑后售卖]进行间接盈利)。
2、本站所有内容均由合作方或网友上传,本站不对文档的完整性、权威性及其观点立场正确性做任何保证或承诺!文档内容仅供研究参考,付费前请自行鉴别。
3、如文档内容存在违规,或者侵犯商业秘密、侵犯著作权等,请点击“违规举报”。

碎片内容

理化检验记录表格

您可能关注的文档

确认删除?
VIP
微信客服
  • 扫码咨询
会员Q群
  • 会员专属群点击这里加入QQ群
客服邮箱
回到顶部