电脑桌面
添加小米粒文库到电脑桌面
安装后可以在桌面快捷访问

电梯井操作平台施工方案

电梯井操作平台施工方案_第1页
1/8
电梯井操作平台施工方案_第2页
2/8
电梯井操作平台施工方案_第3页
3/8
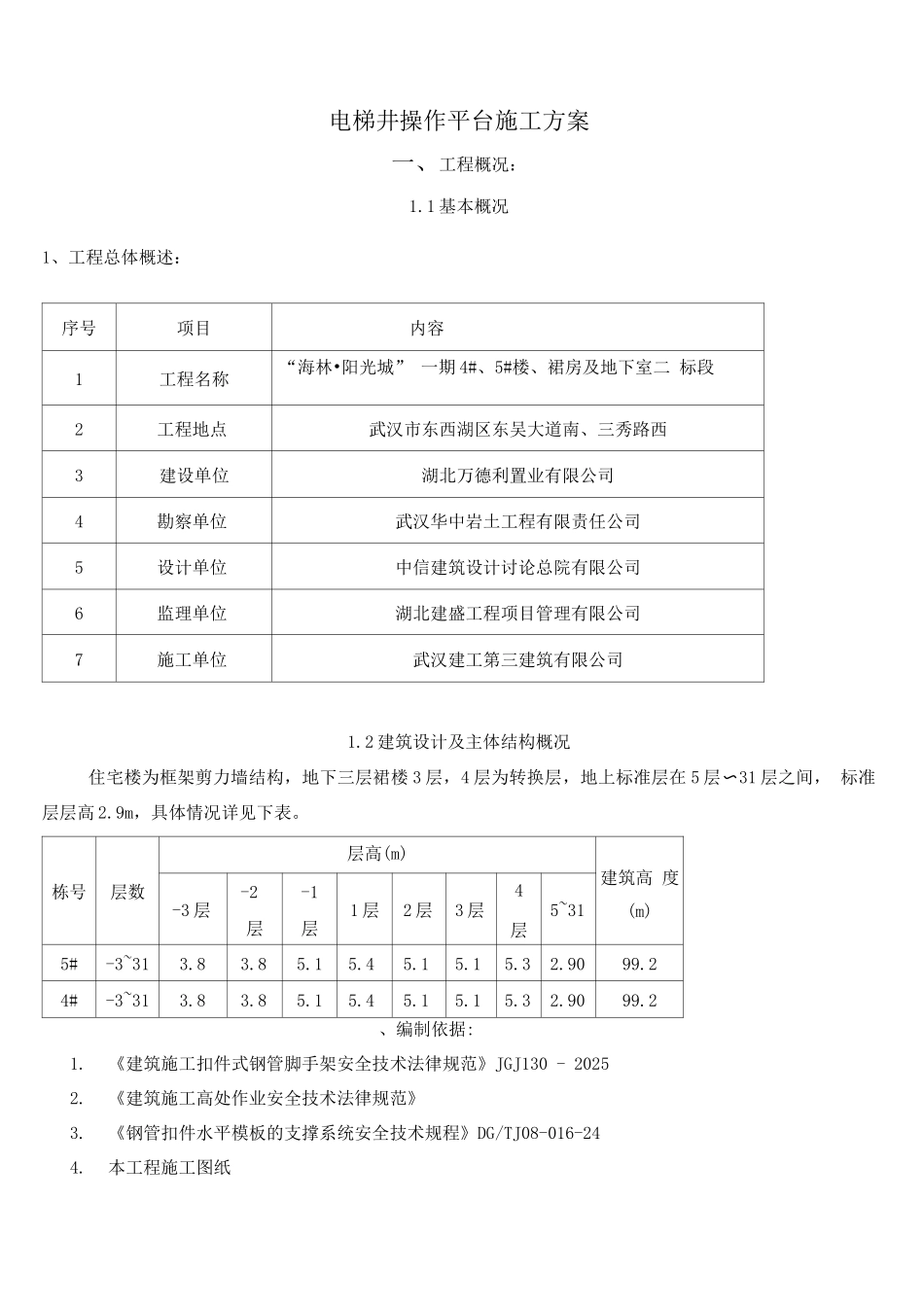
电梯井操作平台施工方案一、工程概况:1.1 基本概况1、工程总体概述:序号项目内容1工程名称“海林•阳光城” 一期 4#、5#楼、裙房及地下室二 标段2工程地点武汉市东西湖区东吴大道南、三秀路西3建设单位湖北万德利置业有限公司4勘察单位武汉华中岩土工程有限责任公司5设计单位中信建筑设计讨论总院有限公司6监理单位湖北建盛工程项目管理有限公司7施工单位武汉建工第三建筑有限公司1.2 建筑设计及主体结构概况住宅楼为框架剪力墙结构,地下三层裙楼 3 层,4 层为转换层,地上标准层在 5 层〜31 层之间, 标准层层高 2.9m,具体情况详见下表。栋号层数层高(m)建筑高 度(m)-3 层-2层-1层1 层2 层3 层4层5~315#-3~313.83.85.15.45.15.15.32.9099.24#-3~313.83.85.15.45.15.15.32.9099.2、编制依据:1.《建筑施工扣件式钢管脚手架安全技术法律规范》JGJ130 - 20252.《建筑施工高处作业安全技术法律规范》3.《钢管扣件水平模板的支撑系统安全技术规程》DG/TJ08-016-244.本工程施工图纸三、电梯井操作平台施工技术方案1. 本工程,消防电梯井平面尺寸为 2.1 米 x2. 1 米,客梯电梯井平面尺寸为 2.1 米 x2.6 米。结 构施工期间考虑采纳搭设落地脚手架方法布置操作平台,每隔两层采纳水平钢管架挑在楼层上来加固, 并且每隔两层用方木、模板满铺作为硬隔离。电梯井操作平台选用 4 根 16 号工字钢作为基础,中心间 距为 1 米;工字钢两端固定于结构上,固定端长度为 3mm;上面设置限位措施固定立杆。2. 电梯井施工操作平台采纳 48 x3.5mm 普通钢管进行搭设,最大搭设高度不大于 10 米;立杆 布置在工字钢上,间距 1.1 米 X1. 1 米,水平杆间距为 1.5 米。立杆均采纳对接形式;两侧横向立杆 从底部至顶部连续设置剪刀撑。3. 严格根据设计尺寸搭设,立杆的接头应错开;确保立杆的垂直偏差小于 50mm,横杆的水平偏 差小于50mm。4. 确保每个扣件和钢管的质量满足要求,每个扣件的拧紧力矩都要控制在 45〜60N・M。5. 严格控制实际施工荷载不超过 2KG/ 。6. 落地操作平台根据施工进度逐层搭设,严禁超高,每层脚手架搭设安装完成后由相关人员组织 验收。7. 每层脚手架操作平台安装完成及时铺设垫木和模板,便于施工人员操作,要求垫木间距不大于 250mm.。四、操作平台的安全、文明保证措施:1、电梯井门洞安装 18mm 高工具式防护门;防护门底部安装 2mm 高木质踢脚板,防护门外侧张挂 “...

1、当您付费下载文档后,您只拥有了使用权限,并不意味着购买了版权,文档只能用于自身使用,不得用于其他商业用途(如 [转卖]进行直接盈利或[编辑后售卖]进行间接盈利)。
2、本站所有内容均由合作方或网友上传,本站不对文档的完整性、权威性及其观点立场正确性做任何保证或承诺!文档内容仅供研究参考,付费前请自行鉴别。
3、如文档内容存在违规,或者侵犯商业秘密、侵犯著作权等,请点击“违规举报”。

碎片内容

电梯井操作平台施工方案

确认删除?
VIP
微信客服
  • 扫码咨询
会员Q群
  • 会员专属群点击这里加入QQ群
客服邮箱
回到顶部