电脑桌面
添加小米粒文库到电脑桌面
安装后可以在桌面快捷访问

盾构施工方案课堂作业

盾构施工方案课堂作业_第1页
1/28
盾构施工方案课堂作业_第2页
2/28
盾构施工方案课堂作业_第3页
3/28
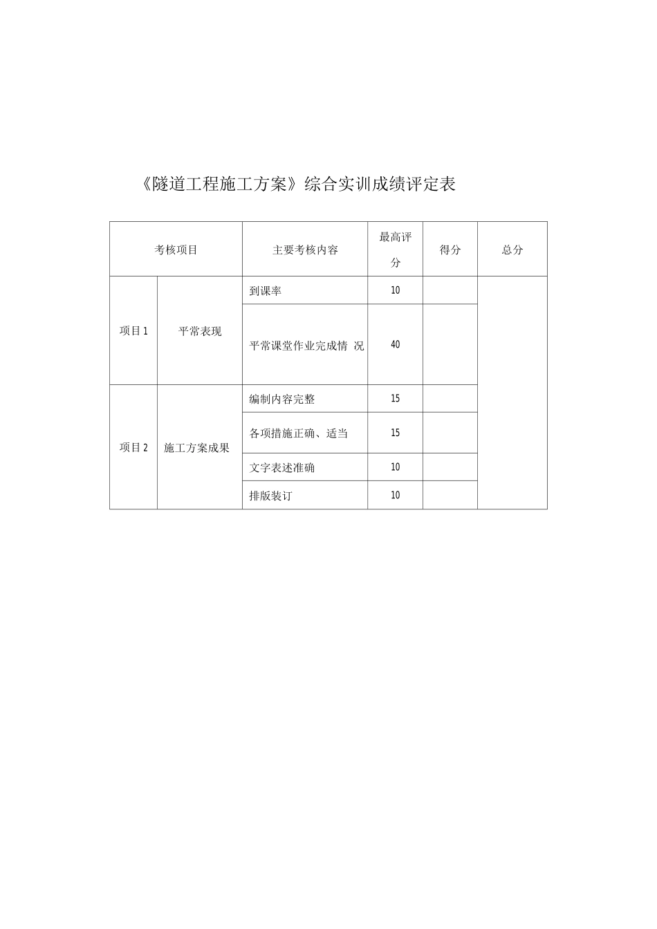
隧道工程施工方案实务模拟隧道盾构施工方案所在系别:建筑工程系专业:地下工程与隧道工程技术班级:地隧 11学号:131101学生:夏羽指导老师:梁晓丹二。一三年十月《隧道工程施工方案》综合实训成绩评定表考核项目主要考核内容最高评分得分总分项目 1平常表现到课率10平常课堂作业完成情 况40项目 2施工方案成果编制内容完整15各项措施正确、适当15文字表述准确10排版装订10目录1.据.。 ..。 .《0。 • *0 0 0 .。。 .《0。 .。。 .。。 .。。4 O O O O .。 .。 .。 .。 .。 .。 .。 .。 ...。2。况.。 ・・・ ...O O O . o . O O O O O . O O . O ..,。 . oO O . O ..也. ...。...(:.。。 ..C。 . . C 53.署...o. . . c. . o o ^^^。。。。。 .^。 . o o . o .o。。o o o . o ...。...(:. .•o。。。 . o o . o 63。1构o o o o o ...O .。 。 . o . o . o .^。 ....O...。 ..。 .o .•o。。 . o o .•o。。 . o .•o。。。. 63。2路O O O O O .叫。.叫.。。.。.。。。.。.叫。。。。。。。.。.。.。。.。3.3 劳备..….。…。.…。.。.……。.。.。.3。4备O。。。.。..。。..。。..,。。。。。。。。.。。.。.。.. .O.。.。。。。3.5 技备。 ・... o o o o . o . o o o 。。 ・.o ...o . . o ・.e ・.e ・.e。 . o编制依O O O . . C . O O . O O . . C . O . o ^^^^。。o。。。。 。 。 ・・・・・工 程 概.O O . O O . O O 。 ・・.O O 。。。 ・・・・・・.O . O 。 ・.o 。。 。・・施工部。。。。。 。。。 。 ・・・・・・・・・・・・.O O . O O .OOOOOOO . O ....组织机..C. . . C 。。 ・・.O O O . O O O 。 ・・.O O . o 。。 。。。。。・・・・・・ ・・总体思。。。。。。・・・・•o。..。。・・・.。・^。。。・・・..。。・・・.。。。。。。。。・・・.・7动力准7 o o o . O o o . O 。。。 。・・・・2。 . O . O O ・.。《。 •・・.(::.。 ...O...。。 . I机械准8 。。。。。。。。 《・・・・・・OO・O。。 ・・・ ・OO・OO.・O.OO.O.・O. OO・OO 。。・术准94.施工工艺125O施工量测・OOOOO ・O . . O ・・・O・O . O . O . O . O ・O . O 。 ・...

1、当您付费下载文档后,您只拥有了使用权限,并不意味着购买了版权,文档只能用于自身使用,不得用于其他商业用途(如 [转卖]进行直接盈利或[编辑后售卖]进行间接盈利)。
2、本站所有内容均由合作方或网友上传,本站不对文档的完整性、权威性及其观点立场正确性做任何保证或承诺!文档内容仅供研究参考,付费前请自行鉴别。
3、如文档内容存在违规,或者侵犯商业秘密、侵犯著作权等,请点击“违规举报”。

碎片内容

盾构施工方案课堂作业

您可能关注的文档

确认删除?
VIP
微信客服
  • 扫码咨询
会员Q群
  • 会员专属群点击这里加入QQ群
客服邮箱
回到顶部