电脑桌面
添加小米粒文库到电脑桌面
安装后可以在桌面快捷访问

砌体工程施工方案12

砌体工程施工方案12_第1页
1/10
砌体工程施工方案12_第2页
2/10
砌体工程施工方案12_第3页
3/10
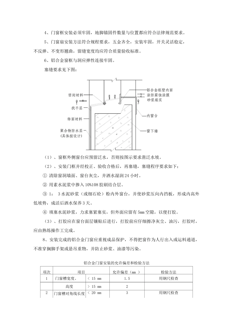
砌体工程室内地坪以下墙体、阳台砖砌拦河以及天面女儿墙砌体均采纳 MU15 烧结页岩实心砖,M10 水泥砂浆砌筑;室内地坪以上:外墙采纳 A7.5 加气砼砌块,Ma7.5 专用砂浆;内墙采纳 A5.0 加气砼砌块,Ma5.0 专用砂浆;干容重<7.5kN/nB,计算容重取10.5kN/m3,砌体的施工质量控制等级为 B 级砌体工程在主体进行到第六层时开始自下而上插入,砌体施工时应注意锚件、安装孔、槽、洞预留和预埋处理。1、砌筑时应逐块铺砌,加气砼砌块必须保持水平放置,砌块只准上下安放,不得左右推移。墙体的转角和内外墙交接处应同时砌筑。2、加气砼砌体水平灰缝应平直,按净面积计算的砂浆饱满度不应低于 80%。3、加气砼砌体竖向灰缝应采纳加浆方法,使其砂浆饱满,严禁用水冲浆灌缝;不得出现瞎缝、透明缝;竖缝的砂浆饱满度不宜低于 80%。4、砌体水平灰缝厚度不宜大于 15 mm ,竖向灰缝厚度不宜大于 20mm ,横竖缝均不得小于 8mm。5、墙砌筑时的一次铺灰长度不宜超过 2 块主规格砌块的长度。6、常温条件下,日砌筑高度宜控制在 1.5m 之内,应待前次砌筑砂浆终凝后,再继续砌筑;日砌筑高度不宜大于 2.8m。7、每层砌至梁底板底附近,待 3~5 天后再以斜砖砌筑,砂浆密实,保证砌体与梁板紧密接触。补砌顶紧可用配套砌块斜顶砌筑,在砌体顶部预留 2 左右空隙,按下图所示方法砌筑。8、外墙不得使用断裂的砌块,以防渗水,不得随意打凿已砌好的墙体。9、墙体与梁柱结合部位加挂钢丝网,墙体砌筑完毕两周后才能抹灰。10、在墙脚处预先浇筑与砌块同宽、高 2 mm、C15 素砼坎,可防止砌块受浸蚀和1-砌体转角部位2-砌体中部渗漏。如下图:第八节、装饰装修工程装修工程是多项目、多工种多工序配合的复杂系统,因此,装修工程的统筹安排、合理穿插就尤为重要。因此早在装修工程前,项目就应制定相应的装修工程施工进度计划,确定各装饰分项工程的订货时间、施工时间和施工期限,项目严格按进度计划安排插入施工。施工前后各装饰分项工程必须编制相应的施工技术措施和制定施工工艺卡,其内容包括:施工准备、操作工艺、质量标准和成品保护。施工时,先做样板或样板间,经各方检查确认后方可大面积施工,以保持装饰细部的处理统一、美观协调,装饰材料一次购进,统一配料,避开色泽差异,施工后严格成品保护措施,预防为主,综合治理。最后一道工序施工完备后,开始逐层清扫,由专人保管钥匙,以保证成品的完好无损。一、铝合金门窗工程施工本工程主...

1、当您付费下载文档后,您只拥有了使用权限,并不意味着购买了版权,文档只能用于自身使用,不得用于其他商业用途(如 [转卖]进行直接盈利或[编辑后售卖]进行间接盈利)。
2、本站所有内容均由合作方或网友上传,本站不对文档的完整性、权威性及其观点立场正确性做任何保证或承诺!文档内容仅供研究参考,付费前请自行鉴别。
3、如文档内容存在违规,或者侵犯商业秘密、侵犯著作权等,请点击“违规举报”。

碎片内容

砌体工程施工方案12

领读文化+ 关注
实名认证
内容提供者

传播文化,铸就未来

确认删除?
VIP
微信客服
  • 扫码咨询
会员Q群
  • 会员专属群点击这里加入QQ群
客服邮箱
回到顶部