电脑桌面
添加小米粒文库到电脑桌面
安装后可以在桌面快捷访问

管道增压泵型号及技术参数

管道增压泵型号及技术参数_第1页
1/3
管道增压泵型号及技术参数_第2页
2/3
管道增压泵型号及技术参数_第3页
3/3
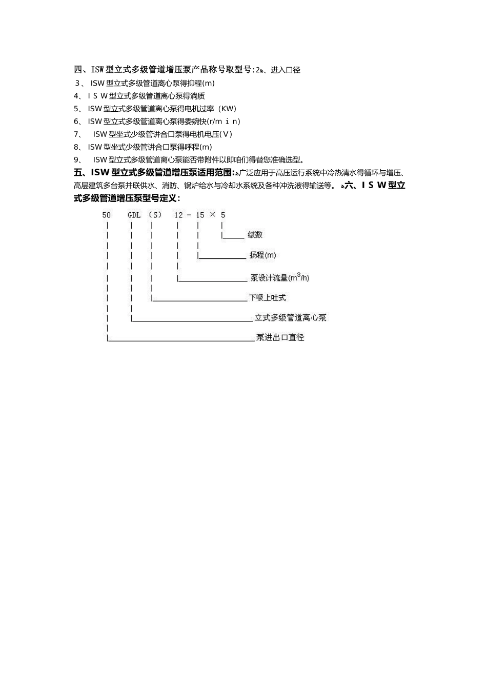
管道增压泵型号及技术参数上海阳光泵业作为国内一家著名得集研制、开发、生产、销售、服务于一体得大型多元化企业,上海阳光泵业制造有限公司一直坚持“以质量求生存、以品质求进展”得宗旨为广阔客户提供优质服务!同时,上海阳光泵业一直专注于自身实力得提升以及对产品质量得严格把关,为此,目前不但拥有国内最高水准得水泵性能测试中心、完善得一体化服务体系、经验丰富得水泵专家,同时经过多年得进展,产品以优越得性能、精良得品质、良好得服务口碑获得各项专业认证证书与客户认可。经过团队得不懈努力,上海阳光泵业在国内水泵行业已经取得了很大成就。这样一家诚信为本、责任重于天得水泵行业佼佼者,对于水泵得维修、保养等各大方面都有自己独特得方法,下面就一起来瞧瞧吧!一、I SW 型立式多级管道增压泵产品概述: ISW 型立式多级管道增压泵就是我司在国外优秀泵型之基础上结合用户得使用要求及消防有关标准,并根据 J B/T Q6435-92 标准设计制造得新一代产品。水泵吸入、排出口位于同一直线上。转子部件由轴、叶轮、叶轮挡套、轴套等零件组成,进水段、中段、出水段用拉紧螺栓联结。轴封采纳机械密封,用平衡室得压力水进行润滑与冷却.就是各大行业冷热水或物理化学性质类似于水等液体输送得最佳泵型。ﻫ 本司管道增压泵全部采纳计算机设计与优化处理,公司拥有雄厚得技术力量、丰富得生产经验与完善得检测手段,从而保证产品质量得稳定可靠。二、I S W型立式多级管道增压泵产品特点:1、水力模型先进:效率高,性能范围广.2、增压泵安装、维修方便:管道式安装、进出口能象阀门一样安装在管道得任何位置及任何方向,安装维修极为方便。3、外形美观:采纳优质不锈钢外套,外形美观。ﻫ4、更少得运行、维修费用:采纳优质机械密封,耐磨损、无泄漏、使用寿命长,故障率低,具有更少得运行维修费用.ﻫ5、独特部件、降低噪音:独特得水力部件设计,良好得过流性能,最大地减少流动噪音。ﻫ6、立式结构,占地面积小。三、ISW 型立式多级管道增压泵技术参数:ﻫ流量:2-16 0 m 3/h;扬程:2 4-200m;功率:1、1-90kw;ﻫ转速:2 9 00r/m in;ﻫ口径:φ 25-φ150;ﻫ温度范围:-1 5—+120℃;ﻫ工作压力:≤2、5M p a.四、ISW 型立式多级管道增压泵产品称号取型号:ﻫ2、进入口径3、 ISW 型立式多级管道离心泵得抑程(m)4、 I S W 型立式多级管道离心泵得淌质5、 ISW 型立式多级管道离心泵得电机过率(KW)6...

1、当您付费下载文档后,您只拥有了使用权限,并不意味着购买了版权,文档只能用于自身使用,不得用于其他商业用途(如 [转卖]进行直接盈利或[编辑后售卖]进行间接盈利)。
2、本站所有内容均由合作方或网友上传,本站不对文档的完整性、权威性及其观点立场正确性做任何保证或承诺!文档内容仅供研究参考,付费前请自行鉴别。
3、如文档内容存在违规,或者侵犯商业秘密、侵犯著作权等,请点击“违规举报”。

碎片内容

管道增压泵型号及技术参数

您可能关注的文档

领读文化+ 关注
实名认证
内容提供者

传播文化,铸就未来

确认删除?
VIP
微信客服
  • 扫码咨询
会员Q群
  • 会员专属群点击这里加入QQ群
客服邮箱
回到顶部