电脑桌面
添加小米粒文库到电脑桌面
安装后可以在桌面快捷访问

管道施工方案

管道施工方案_第1页
1/17
管道施工方案_第2页
2/17
管道施工方案_第3页
3/17
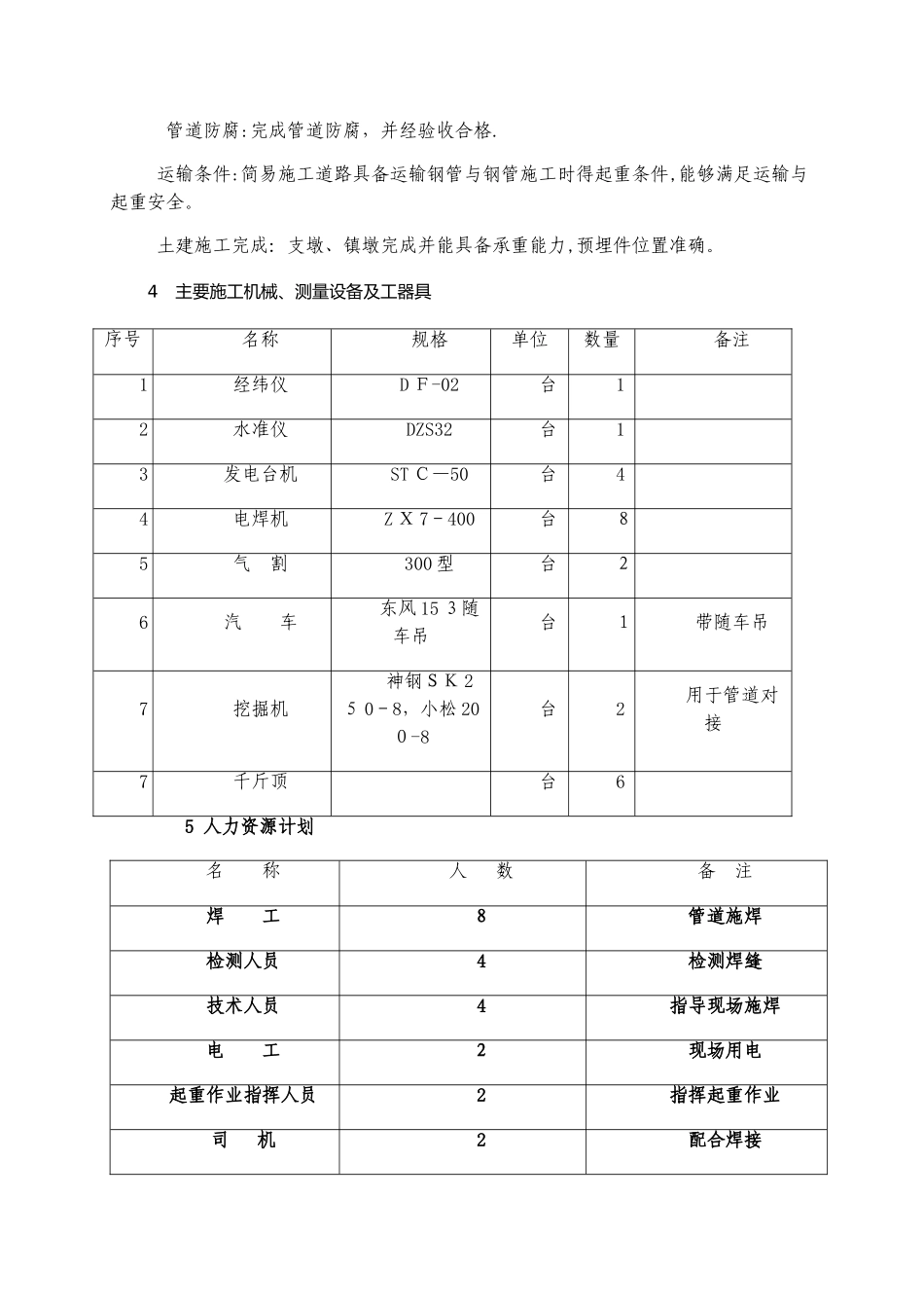
华润电力(贵州)煤电一体化黔西电厂(2×660MW)新建工程厂外施工用水输水工程管道施工专项方案编制人:审批人:兴华建设集团有限公司二 O 一四年八月管道施工专项方案1 编制依据序号名 称版本/图号1厂外补给水管道布置安装图FA0 7 821S - S 0 20 4 -1~192电力建设施工技术法律规范DLT 5 19 03电力建设施工质量验收及评价规程DL/T5210、8-2 0 094电力建设施工质量验收及评价规程D LT5 21 0、1-2 0 1 2第一部分、第四部分、第五部分、第七部分5涂覆涂料前钢材表面处理GBT、8 923、1-2 0112 概况及特点(1)工程概况及特点 施工范围从洪家渡岸边支墩输水管法兰至主厂区,输水管道沿山边坡布置,管线起伏大,管道施工时运输困难。(2)主要工程量序 号名 称工程量 备 注 1610 管道安装(¢610×15mm)5 8 0 0 m 221 9 管道安装(¢219×1 5mm)14 0 m 3防盗型手动弹性座封闸阀6 个 4偏心半球阀8 个 5高速复合进排气阀8 个 6管网法兰式手动蝶阀(D N 200)2 个 7管网法兰式手动蝶阀(DN600)5 个 8管道防腐(埋地防腐)9908㎡ 9管道防腐(架空防腐)3560㎡(3) 施工重点与难点 管道施工得重点与难点在于管道得运输与管道得组对及焊接质量得控制。3 施工准备及应具备得条件(1) 施工准备 人员准备:包括施焊人员、检测人员、起重作业指挥人员、电工,同时要求以上人员必须持证上岗,普工根据需要适当安排。 机械准备:发电机、电弧焊机、氧割、汽车(带随车吊)、挖掘机、千斤顶、电动角磨机。(2) 应具备得条件 管道防腐:完成管道防腐,并经验收合格. 运输条件:简易施工道路具备运输钢管与钢管施工时得起重条件,能够满足运输与起重安全。 土建施工完成:支墩、镇墩完成并能具备承重能力,预埋件位置准确。4 主要施工机械、测量设备及工器具序号名称规格单位数量备注1经纬仪D F-02台12水准仪DZS32台13发电台机ST C—50台44电焊机Z X 7-400台85气 割300 型台26汽 车东风 15 3随车吊台1带随车吊7挖掘机神钢SK 25 0-8,小松 200-8台2用于管道对接7千斤顶台65 人力资源计划名 称人 数备 注焊 工8管道施焊检测人员4检测焊缝技术人员4指导现场施焊电 工2现场用电起重作业指挥人员2指挥起重作业司 机2配合焊接挖掘机操作手2配合焊接普 工 1 0配合焊接油漆工8管道防腐6 施工进度计划管道除锈蚀防腐 4 0天,管道焊接 50 ...

1、当您付费下载文档后,您只拥有了使用权限,并不意味着购买了版权,文档只能用于自身使用,不得用于其他商业用途(如 [转卖]进行直接盈利或[编辑后售卖]进行间接盈利)。
2、本站所有内容均由合作方或网友上传,本站不对文档的完整性、权威性及其观点立场正确性做任何保证或承诺!文档内容仅供研究参考,付费前请自行鉴别。
3、如文档内容存在违规,或者侵犯商业秘密、侵犯著作权等,请点击“违规举报”。

碎片内容

管道施工方案

您可能关注的文档

确认删除?
VIP
微信客服
  • 扫码咨询
会员Q群
  • 会员专属群点击这里加入QQ群
客服邮箱
回到顶部