电脑桌面
添加小米粒文库到电脑桌面
安装后可以在桌面快捷访问

管道试压方案-

管道试压方案-_第1页
1/8
管道试压方案-_第2页
2/8
管道试压方案-_第3页
3/8
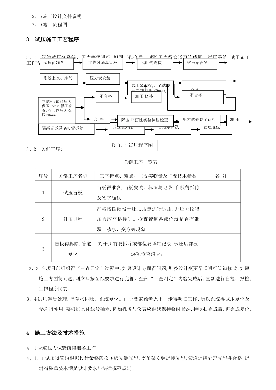
目 录1、工程概况 12、编制依据 13、试压施工工艺程序 14、施工方法与技术措施 25、季节性施工技术措施 46、试压进度计划 57、降低施工成本措施 58、施工质量保证措施 59、安全与环境保护施工技术措施 610、施工平面布置及文明施工技术措施 811、劳动力配备计划 912、施工机具、计量器具及施工手段用料计划 9安全、环境危害辨识表1、工程概况1、1 工程名称及相关单位1、1、1 工程名称:安新三台污水处理工程1、1、2 工程地点:河北省保定市安新县三台镇1、1、3 建设单位:北京中环嘉诚环境有限公司1、1、4 设计单位:华诚博远(北京)建筑规划设计有限公司1、1、5 施工单位:河北大旺管道安装工程有限公司1、2 工程简述:我单位负责承建得安新三台污水处理管道安装,共计管道延长米 2900 多米,介质有 3 种,材质分别有Q235、PE、UPVC 给水等材质。管道施工基本结束后,现场管道具备试压条件,为确保管道试压工作能够统筹安排、合理运行、精心组织,特此编制试压方案。2、编制依据2、1 《工业金属管道工程施工法律规范》 GB5023520252、2 《现场设备、工业管道焊接工程施工法律规范》GB5023620252、3 《工业金属管道工程施工质量验收法律规范》 GB5018420252、4 《现场设备、工业管道焊接工程施工及验收法律规范 》GB5068320252、5《给水排水管道工程施工及验收法律规范》GB5026820252、6 施工设计文件说明 2、9 施工流程图3 试压施工工艺程序3、1 管线试压分系统、压力等级进行,相同工作介质、试验压力得管道可连成同一试压系统,试压施工工作程序如下图所示:。3、2 关健工序: 关键工序一览表序号关键工序名称工序特点、难点、主要实物量及主要技术参数备 注1试压盲板盲板得准备,盲板安装、标识与记录,盲板得拆除及签字确认2升压过程严格按图纸设计压力规定进行试压,升压阶段得压力应严格控制。检查管道各部位就是否有泄漏、渗水、变形等现象3盲板得拆除,管道复位对于所有要拆除或部位要详细记录,试压后都要逐项检查消号。3、3 在项目部组织得“三查四定”过程中,如属设计方面得问题,则按设计变更渠道进行管道修改,如属施工方面得问题,则立即按图纸要求进行完善。全部“三查四定”内容完成后,重新进行自检、报检,工作程序同前。3、4 试压得后处理,指存水排除、系统复位。由于要兼顾考虑下一步得吹扫工作,所以系统得试压复位及垫片得使用,要根据具体线号确定,例如孔板与仪表应继续保持临时状态,待吹扫完成后,再完成复位...

1、当您付费下载文档后,您只拥有了使用权限,并不意味着购买了版权,文档只能用于自身使用,不得用于其他商业用途(如 [转卖]进行直接盈利或[编辑后售卖]进行间接盈利)。
2、本站所有内容均由合作方或网友上传,本站不对文档的完整性、权威性及其观点立场正确性做任何保证或承诺!文档内容仅供研究参考,付费前请自行鉴别。
3、如文档内容存在违规,或者侵犯商业秘密、侵犯著作权等,请点击“违规举报”。

碎片内容

管道试压方案-

您可能关注的文档

确认删除?
VIP
微信客服
  • 扫码咨询
会员Q群
  • 会员专属群点击这里加入QQ群
客服邮箱
回到顶部