电脑桌面
添加小米粒文库到电脑桌面
安装后可以在桌面快捷访问

第二单元汽车发电机的检测与试验实训报告VIP免费

第二单元汽车发电机的检测与试验实训报告_第1页
1/33
第二单元汽车发电机的检测与试验实训报告_第2页
2/33
第二单元汽车发电机的检测与试验实训报告_第3页
3/33
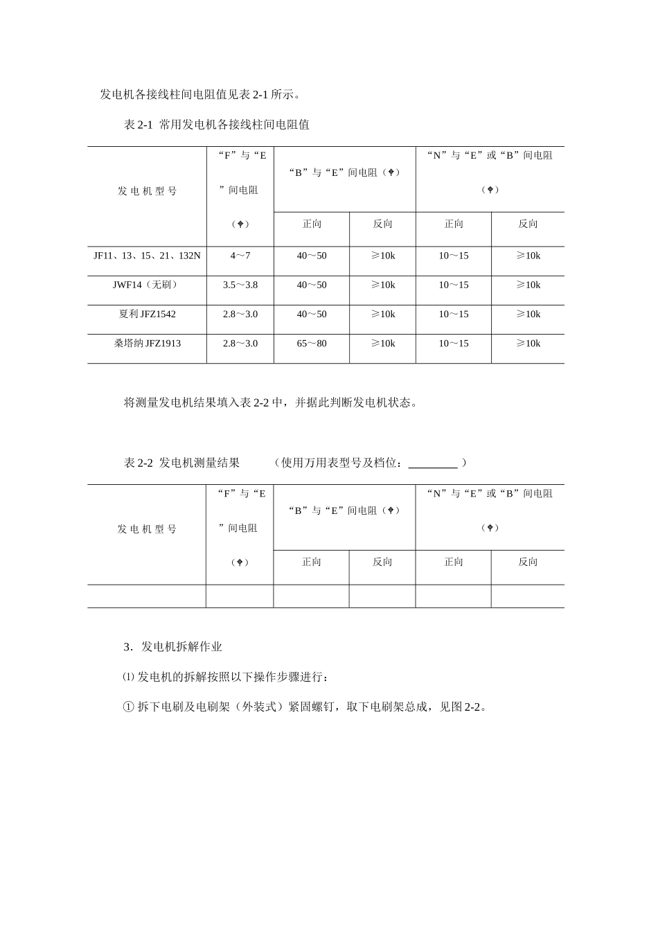
第二单元汽车发电机的检测与试验实训一发电机的测量与拆解检修一、实训目的1.掌握对发电机进行简单测量的方法。2.学习拆解检修及装配发电机作业的基本方法。二、工具材料汽车交流发电机;万用表;维修工具。三、操作要点及项目1.汽车交流发电机的基本结构常见汽车交流发电机的基本结构如图2-1所示。图2-1汽车交流发电机的基本结构1-紧固螺母及弹簧垫圈2-带轮3-风扇4-前轴承盖5-前端盖6-半圆键7-定位套筒8-前轴承9-轴承盖紧固螺栓10-转子总成11-后轴承12-电刷13-电刷架14-定子总成15-后端盖16-正极管17-负极管18-绝缘板19-搭铁散热板20-绝缘散热板21-防护罩22-防护罩固定螺钉23-拉紧螺栓2.发电机拆解前的检测使用万用表对发电机外接线柱进行测量,可以初步判定发电机的状态。对于普通发电机拆解前的测量,建议使用指针式万用表,其测量结果依使用万用表型号不同,略有差异。常用发电机各接线柱间电阻值见表2-1所示。表2-1常用发电机各接线柱间电阻值发电机型号“F”与“E”间电阻()“B”与“E”间电阻()“N”与“E”或“B”间电阻()正向反向正向反向JF11、13、15、21、132N4~740~50≥10k10~15≥10kJWF14(无刷)3.5~3.840~50≥10k10~15≥10k夏利JFZ15422.8~3.040~50≥10k10~15≥10k桑塔纳JFZ19132.8~3.065~80≥10k10~15≥10k将测量发电机结果填入表2-2中,并据此判断发电机状态。表2-2发电机测量结果(使用万用表型号及档位:)发电机型号“F”与“E”间电阻()“B”与“E”间电阻()“N”与“E”或“B”间电阻()正向反向正向反向3.发电机拆解作业⑴发电机的拆解按照以下操作步骤进行:①拆下电刷及电刷架(外装式)紧固螺钉,取下电刷架总成,见图2-2。图2-2电刷架拆解②在前后端盖上做记号,拆下连接前后端盖的紧固螺栓(见图2-3),将其分解为与转子结合的前端盖和与定子连接的后端盖两大部分。注意:不能单独将后端盖分离下来,否则会扯断定子绕组与整流器的连接线(即三相定子绕组端头)。图2-3前、后端盖的分解③将转子夹紧在台虎钳上,拆下带轮紧固螺母(见图2-4)后,可依次取下带轮、风扇、半圆键、定位套。图-4皮带轮的分解④将前端盖与转子分离,若该部装配过紧,可用拉器拉开(见图2-5)或用木锤轻轻敲,使之分离。注意:铝合金端盖容易变形,因此拆卸时应均匀用力。图2-5前端盖的分解⑤拆掉防护罩,拆掉2-6所示的后端盖上的三个螺钉(其中③兼作“—”接线柱),即可将防护罩取下。图2-6后端盖的分解对于整体式发电机,先拧下“B”端子上的固定螺母并取下绝缘套管;再拧下后防尘盖上的3个带垫片的固定螺母,取下后防尘盖;然后拆下电刷组件的两个固定螺钉和调节器的3个固定螺钉,取下电刷组件和IC调节器总成;最后拧下整流器二极管与定子绕组的引线端子的连接螺钉,取下整体式整流器总成。⑥拆下定子上四个接线端(三相绕组首端及中性点)在散热板上的连接螺母,如图2-7所示,使定子与后端盖分离。图2-7定子线圈与整流板的分解⑦拆下后端盖上紧固整流器总成的螺钉,取下整流器总成(见图2-8)。注:若经检验所有二极管均良好,该步骤可不进行。图2-8整流板的分解⑧零部件的清洗。对机械部分可用煤油或清洗液清洗,对电气部分如绕组、散热板及全封闭轴承等宜用干净的棉纱擦拭去表面尘土、脏污。发电机的拆解要按照工艺要求进行,禁止生敲硬卸而损坏机件。拆解的零件要按照规范清洗并顺序摆放。对有问题的零件和拆解复杂部位的顺序和连接方法,必要时要有详细记录。4.发电机的检测发电机拆解后检测转子、定子的电阻值及绝缘电阻,既可以使用指针式万用表,也可以使用数字式万用表。对于线圈电阻的测量,为取得较准确的数值,建议使用数字万用表。(1)检查转子:①转子绕组(磁场绕组)短路与断路检查:用万用表R×1挡检测两集电环之间电阻,应符合技术标准。若阻值为“∞”,则说明断路;若阻值过小,则说明短路。一般12V发电机转子绕组电阻约为3.5~6Ω,24Ⅴ的约为15~21Ω;②转子绕组搭铁检查:即检查转子绕组与铁心(或转子轴)之间的绝缘情况。用万用表电阻最大挡检测两集电环与铁心(或转子轴)之间的电阻,若表针有偏...

1、当您付费下载文档后,您只拥有了使用权限,并不意味着购买了版权,文档只能用于自身使用,不得用于其他商业用途(如 [转卖]进行直接盈利或[编辑后售卖]进行间接盈利)。
2、本站所有内容均由合作方或网友上传,本站不对文档的完整性、权威性及其观点立场正确性做任何保证或承诺!文档内容仅供研究参考,付费前请自行鉴别。
3、如文档内容存在违规,或者侵犯商业秘密、侵犯著作权等,请点击“违规举报”。

碎片内容

第二单元汽车发电机的检测与试验实训报告

文章天下+ 关注
实名认证
内容提供者

各种文档应有尽有

相关文档

确认删除?
VIP
微信客服
  • 扫码咨询
会员Q群
  • 会员专属群点击这里加入QQ群
客服邮箱
回到顶部