电脑桌面
添加小米粒文库到电脑桌面
安装后可以在桌面快捷访问

钢筋加工工程检验批质量验收记录表VIP免费

钢筋加工工程检验批质量验收记录表_第1页
1/10
钢筋加工工程检验批质量验收记录表_第2页
2/10
钢筋加工工程检验批质量验收记录表_第3页
3/10
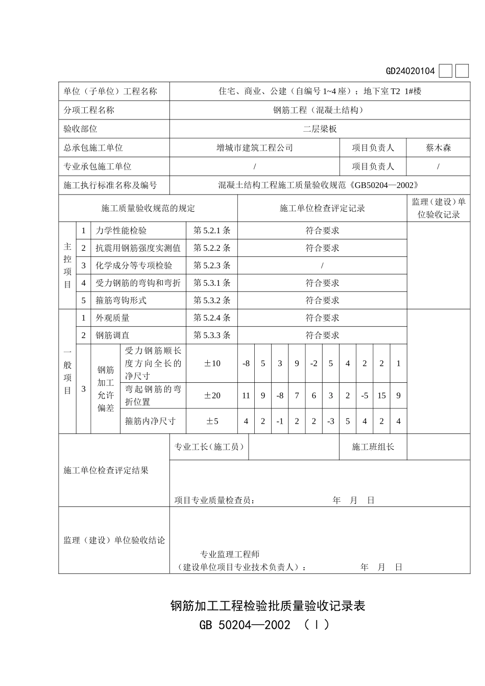
钢筋加工工程检验批质量验收记录表单位(子单位)工程名称住宅、商业、公建(自编号1~4座);地下室T21#楼分项工程名称钢筋工程(混凝土结构)验收部位首层柱总承包施工单位增城市建筑工程公司项目负责人蔡木森专业承包施工单位/项目负责人/施工执行标准名称及编号混凝土结构工程施工质量验收规范《GB50204—2002》施工质量验收规范的规定施工单位检查评定记录监理(建设)单位验收记录主控项目1力学性能检验第5.2.1条符合要求2抗震用钢筋强度实测值第5.2.2条符合要求3化学成分等专项检验第5.2.3条/4受力钢筋的弯钩和弯折第5.3.1条符合要求5箍筋弯钩形式第5.3.2条符合要求一般项目1外观质量第5.2.4条符合要求2钢筋调直第5.3.3条符合要求3钢筋加工允许偏差受力钢筋顺长度方向全长的净尺寸±10-8539-254221弯起钢筋的弯折位置±20119-87632-5159箍筋内净尺寸±542-122-35424施工单位检查评定结果专业工长(施工员)施工班组长项目专业质量检查员:年月日监理(建设)单位验收结论专业监理工程师(建设单位项目专业技术负责人):年月日钢筋加工工程检验批质量验收记录表GB50204—2002(Ⅰ)GD24020104单位(子单位)工程名称住宅、商业、公建(自编号1~4座);地下室T21#楼分项工程名称钢筋工程(混凝土结构)验收部位二层梁板总承包施工单位增城市建筑工程公司项目负责人蔡木森专业承包施工单位/项目负责人/施工执行标准名称及编号混凝土结构工程施工质量验收规范《GB50204—2002》施工质量验收规范的规定施工单位检查评定记录监理(建设)单位验收记录主控项目1力学性能检验第5.2.1条符合要求2抗震用钢筋强度实测值第5.2.2条符合要求3化学成分等专项检验第5.2.3条/4受力钢筋的弯钩和弯折第5.3.1条符合要求5箍筋弯钩形式第5.3.2条符合要求一般项目1外观质量第5.2.4条符合要求2钢筋调直第5.3.3条符合要求3钢筋加工允许偏差受力钢筋顺长度方向全长的净尺寸±10-8539-254221弯起钢筋的弯折位置±20119-87632-5159箍筋内净尺寸±542-122-35424施工单位检查评定结果专业工长(施工员)施工班组长项目专业质量检查员:年月日监理(建设)单位验收结论专业监理工程师(建设单位项目专业技术负责人):年月日钢筋加工工程检验批质量验收记录表GB50204—2002(Ⅰ)GD24020104单位(子单位)工程名称住宅、商业、公建(自编号1~4座);地下室T21#楼分项工程名称钢筋工程(混凝土结构)验收部位二层柱总承包施工单位增城市建筑工程公司项目负责人蔡木森专业承包施工单位/项目负责人/施工执行标准名称及编号混凝土结构工程施工质量验收规范《GB50204—2002》施工质量验收规范的规定施工单位检查评定记录监理(建设)单位验收记录主控项目1力学性能检验第5.2.1条符合要求2抗震用钢筋强度实测值第5.2.2条符合要求3化学成分等专项检验第5.2.3条/4受力钢筋的弯钩和弯折第5.3.1条符合要求5箍筋弯钩形式第5.3.2条符合要求一般项目1外观质量第5.2.4条符合要求2钢筋调直第5.3.3条符合要求3钢筋加工允许偏差受力钢筋顺长度方向全长的净尺寸±10-8539-254221弯起钢筋的弯折位置±20119-87632-5159箍筋内净尺寸±542-122-35424施工单位检查评定结果专业工长(施工员)施工班组长项目专业质量检查员:年月日监理(建设)单位验收结论专业监理工程师(建设单位项目专业技术负责人):年月日钢筋加工工程检验批质量验收记录表GB50204—2002(Ⅰ)GD24020104单位(子单位)工程名称住宅、商业、公建(自编号1~4座);地下室T21#楼分项工程名称钢筋工程(混凝土结构)验收部位三层梁板总承包施工单位增城市建筑工程公司项目负责人蔡木森专业承包施工单位/项目负责人/施工执行标准名称及编号混凝土结构工程施工质量验收规范《GB50204—2002》施工质量验收规范的规定施工单位检查评定记录监理(建设)单位验收记录主控项目1力学性能检验第5.2.1条符合要求2抗震用钢筋强度实测值第5.2.2条符合要求3化学成分等专项检验第5.2.3条/4受力钢筋的弯钩和弯折第5.3.1条符合要求5箍筋弯钩形式第5.3.2条符合要求一般项目1外观质量第5.2.4条符合要求2钢筋调直第5.3.3条符合要求3钢筋加工允许偏差受力钢筋顺长度方向全长的净尺寸...

1、当您付费下载文档后,您只拥有了使用权限,并不意味着购买了版权,文档只能用于自身使用,不得用于其他商业用途(如 [转卖]进行直接盈利或[编辑后售卖]进行间接盈利)。
2、本站所有内容均由合作方或网友上传,本站不对文档的完整性、权威性及其观点立场正确性做任何保证或承诺!文档内容仅供研究参考,付费前请自行鉴别。
3、如文档内容存在违规,或者侵犯商业秘密、侵犯著作权等,请点击“违规举报”。

碎片内容

钢筋加工工程检验批质量验收记录表

您可能关注的文档

确认删除?
VIP
微信客服
  • 扫码咨询
会员Q群
  • 会员专属群点击这里加入QQ群
客服邮箱
回到顶部