电脑桌面
添加小米粒文库到电脑桌面
安装后可以在桌面快捷访问

脚手架工程施工方案4

脚手架工程施工方案4_第1页
1/5
脚手架工程施工方案4_第2页
2/5
脚手架工程施工方案4_第3页
3/5
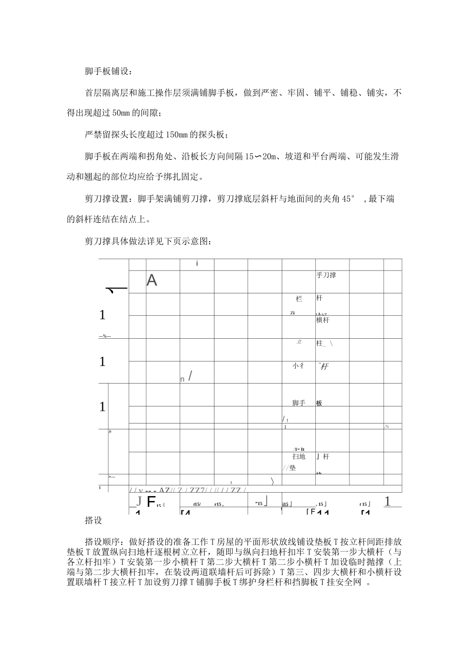
脚手架工程施工方案15.7.1 整体部署本工程脚手架采纳落地式,在基础与边坡之间预留足够的空间搭设落地式脚手架;在浇筑地下室外墙砼时预埋好预埋件,所用材料采纳① 48x3.5 钢管,连墙件按设计做法提前作好预埋件。15.7.2 搭设方法脚手架材质:钢管采纳外径不小于 48mm,壁厚不小于 3.5mm,严重锈蚀、弯曲、压扁或有裂缝的钢管严禁使用;扣件要有出厂合格证,有脆裂、变形、滑丝的扣件禁止使用,扣件表面应进行防锈处理,扣件活动部位应能灵活转动,当扣件夹紧钢管时,开处的最小距离应不小于5mm。立杆的纵距、横距、步距:根据本工特点,脚手架的纵向间距为 1.5m;立杆间距:1.0m;脚手架步距:一般为 1.8m,底步不大于 2.0m。杆件搭接:立杆的接头,除顶层可采纳搭接接头外,其他采纳对接扣件对接接头;搭接时的搭接长度不小于 1.0m,用不少于两个旋转扣件来扣牢,扣件的外边缘到杆端的距离不小于 1mm,相邻两立杆的接头不设在同步同跨内,相互错开,高度差大于 5mm;大横杆宜采纳对接扣件连接,如采纳搭接连接时,搭接长度不应小于 1.0m,并用三个旋转扣件扣牢;小横杆搭于大横杆上,用直角扣件扣紧,对贴近立杆的小横杆亦可固定在立杆上,在任何情况下不得拆除贴近立杆的小横杆;斜杆的接长宜采纳对接扣件连接,当采纳搭接时,搭接长度不小于 4mm,并用两只旋转扣件扣牢。荷载:承重脚手架负荷量每平米不超过 270kg;不在脚手架上附装机械设备、摇臂把杆、拉缆风绳及搭(挂)卸料槽(斗)等;设置悬挑卸料平台,由项目工程师审批,并在建筑物上进行卸荷。斜道搭设脚手架之字型斜道作为人员上下的通道,每层两跑,宽度不小于 1m,坡度为1: 3(高:长);之字型斜道的拐弯处设休息平台,宽度不小于 1.2m;斜道两侧、端部及平台外围,设置剪刀撑;宽度大于 2m 的斜道,在脚手板下的小横杆下,设置之字型横向支撑;斜道两侧及平台外围设两道护身栏杆(L2m 和 1.6m)及高度不小于 180mm 的挡脚板。斜道脚手板设防滑条,防滑条间距不大于 3mm;采纳搭接法铺脚手板时,接头在小横杆上,搭接长度不小于 2mm,板头凸处用三角木填顺;脚手板采纳对接时,接头处下面设两根小横杆。架体与建筑物的拉结:架体与建筑物进行刚性联结;在楼层上沿外边四周预埋短钢管与架体进行拉接(间距见示图),短钢管与架体用扣件联结,用以防止架体的倾斜。操作层的隔离与外防护:架体须超过操作层 1.8m 高,超高部分在中间还应加一道防护栏;用经国家...

1、当您付费下载文档后,您只拥有了使用权限,并不意味着购买了版权,文档只能用于自身使用,不得用于其他商业用途(如 [转卖]进行直接盈利或[编辑后售卖]进行间接盈利)。
2、本站所有内容均由合作方或网友上传,本站不对文档的完整性、权威性及其观点立场正确性做任何保证或承诺!文档内容仅供研究参考,付费前请自行鉴别。
3、如文档内容存在违规,或者侵犯商业秘密、侵犯著作权等,请点击“违规举报”。

碎片内容

脚手架工程施工方案4

您可能关注的文档

确认删除?
VIP
微信客服
  • 扫码咨询
会员Q群
  • 会员专属群点击这里加入QQ群
客服邮箱
回到顶部