电脑桌面
添加小米粒文库到电脑桌面
安装后可以在桌面快捷访问

花篮拉杆式悬挑脚手架细则

花篮拉杆式悬挑脚手架细则_第1页
1/12
花篮拉杆式悬挑脚手架细则_第2页
2/12
花篮拉杆式悬挑脚手架细则_第3页
3/12
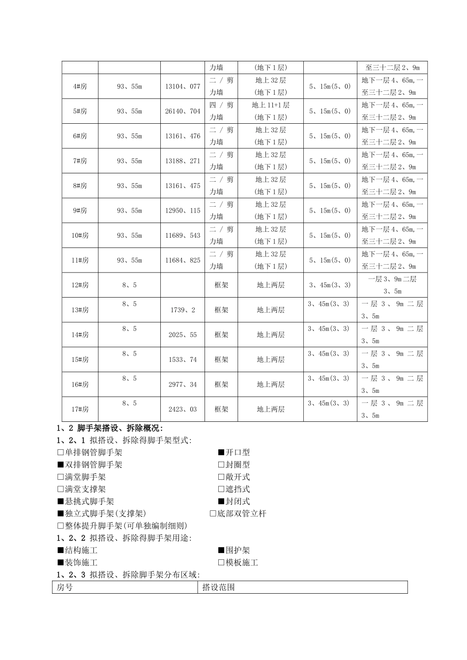
AA、、00、、44 苏地 ****** 地块项目 工程监理实施细则监理实施细则(花篮拉杆式悬挑脚手架) 内容提要: 工程概况 专业工程特点 监理工作流程 监理工作控制目标及控制要点 监理工作方法及措施 项目监理机构(章): 专业监理工程师: 总监理工程师(签字): ( 执业印章)日 期: 江苏省住房与城乡建设厅监制花篮拉杆式悬挑脚手架搭设、拆除监理实施细则1、1 工程概况:(简述建筑面积、高度、层高、结构形式等)建筑规模:共 6 幢商业用房(设计编号:12#、13#、14#、15#、16#、17#房),2 幢 26 层高层住 宅(设 计 编 号:1# 、2# 房 ),9幢32层 高 层 住 宅(设 计 编号:3#、4#、5#、6#、7#、8#、9#、10#、11#),1 个人防地下车库、1 个非人防车库,总用地面积 24717、28㎡,总建筑面积 198811、5㎡。具体如下表房号建筑高度 m建筑面积㎡单元/结构形式层数±0、000 黄海标高(室外标高)层高 m非人防车库/31766、7框架地下一层5、15m3、3m人防车库/8806、7框架地下一层5、15m3、3m/3、8m1#房73、259361、64二/剪力墙地上 26 层(地下 1 层)5、15m(5、0)地下一层 4、70m,一至二十五层 2、9m 2#房73、259361、81二 / 剪力墙地上 26 层(地下 1 层)5、15m(5、0)地下一层 4、70m,一至二十五层 2、9m3#房93、55m13105、760二 / 剪地上 32 层5、15m(5、0)地下一层 4、65m,一力墙(地下 1 层)至三十二层 2、9m4#房93、55m13104、077二 / 剪力墙地上 32 层(地下 1 层)5、15m(5、0)地下一层 4、65m,一至三十二层 2、9m5#房93、55m26140、704四 / 剪力墙地上 11+1 层(地下 1 层)5、15m(5、0)地下一层 4、65m,一至三十二层 2、9m6#房93、55m13161、476二 / 剪力墙地上 32 层(地下 1 层)5、15m(5、0)地下一层 4、65m,一至三十二层 2、9m7#房93、55m13188、271二 / 剪力墙地上 32 层(地下 1 层)5、15m(5、0)地下一层 4、65m,一至三十二层 2、9m8#房93、55m13161、475二 / 剪力墙地上 32 层(地下 1 层)5、15m(5、0)地下一层 4、65m,一至三十二层 2、9m9#房93、55m12950、115二 / 剪力墙地上 32 层(地下 1 层)5、15m(5、0)地下一层 4、65m,一至三十二层 2、9m10#房93、55m11689、543二 / 剪力墙地上 32 层(地下 1 层)5、15m(5、0)地下一层 4、65m,一至三十二层 2、9m11#房93、55m11684、825二 / 剪力墙地上 32 层(地下 1 层)5、15m(5、0)地下一层 4、65m...

1、当您付费下载文档后,您只拥有了使用权限,并不意味着购买了版权,文档只能用于自身使用,不得用于其他商业用途(如 [转卖]进行直接盈利或[编辑后售卖]进行间接盈利)。
2、本站所有内容均由合作方或网友上传,本站不对文档的完整性、权威性及其观点立场正确性做任何保证或承诺!文档内容仅供研究参考,付费前请自行鉴别。
3、如文档内容存在违规,或者侵犯商业秘密、侵犯著作权等,请点击“违规举报”。

碎片内容

花篮拉杆式悬挑脚手架细则

确认删除?
VIP
微信客服
  • 扫码咨询
会员Q群
  • 会员专属群点击这里加入QQ群
客服邮箱
回到顶部