电脑桌面
添加小米粒文库到电脑桌面
安装后可以在桌面快捷访问

解析园林绿化工程给水安装施工方案

解析园林绿化工程给水安装施工方案_第1页
1/4
解析园林绿化工程给水安装施工方案_第2页
2/4
解析园林绿化工程给水安装施工方案_第3页
3/4
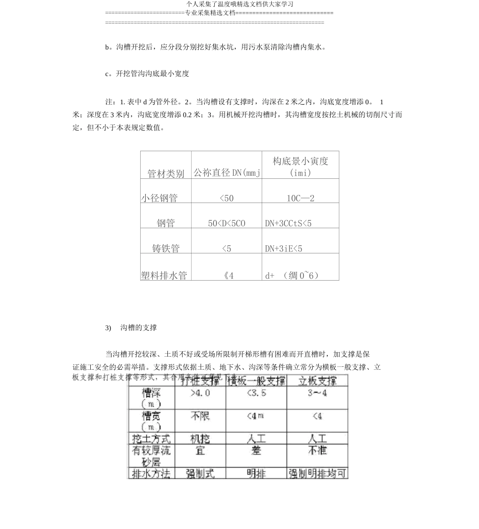
个人采集了温度哦精选文档供大家学习===专业采集精选文档======(4) 安装过程中要一直防备砂石进入管道。(5) 关于金属管道铺设前应早先进行防锈办理。铺设时如发现防锈层有破坏或托应实时修理 .(6) 水泵安装时要特别注意水泵轴线应与动力机轴线一致安装完成后应用测隙规检查齐心度吸水管尽量短而直,接头要严格密封,不行漏气。4、冲刷:管子装好后先不装喷头,先冲刷管道,把水管敞开任其自由溢流把管中砂石都冲刷出来,免得此后拥塞喷头.5、试压:将张部分所有关闭,竖管用堵头不该该有漏水,如发现漏水应实时修理,直至不漏为止。6、回填:经试压证明整个系统施工质量符合要求,才能够回填.如管子埋深较大,应分层轻轻夯实。采纳塑料管应掌握回填时间 ,最好早气温等 分析园林绿化工程给水安装施工方案 于土壤均匀温度时以减少温度变形 .1 施工工艺流程定位放线-沟槽开挖-沟槽支撑-室外埋地管道基础-室外管道安装-管道下管与配管一管道支墩一管道查验与试压一沟槽的回填土一查收2 施工方法及重点1) 定位放线依照设计施工图的坐标地点确立管道中心线地点,用龙门板在地面固定,而且分别测出各龙门板中心点的标高,作为开槽、配管的依照,龙门板要妥当保护,间隔距离一般不超出 10 米。同时管线中心桩和水平点均应用平移法设置与管线施工范围外的便于察看和使用的部位。2) 沟槽开挖a。当管道的丈量定位线经复核无误后,即可进行沟槽开挖.沟槽开挖采纳机械,局部较小的部位可采纳人力.专业采集精选文档=============================个人采集了温度哦精选文档供大家学习=========================专业采集精选文档==================================================================================================b。沟槽开挖后,应分段分别挖好集水坑,用污水泵清除沟槽内集水。c。开挖管沟沟底最小宽度注:1.表中 d 为管外径。2。当沟槽设有支撑时,沟深在 2 米之内,沟底宽度增添 0。 1米;深度在 3 米内,沟底宽度增添 0.2 米;3。用机械开挖沟槽时,其沟槽宽度按挖土机械的切削尺寸而定,但不小于本表规定数值。管材类别公祢直径 DN(mmj构底景小寅度(imi)小径钢管<5010C—2钢管50

1、当您付费下载文档后,您只拥有了使用权限,并不意味着购买了版权,文档只能用于自身使用,不得用于其他商业用途(如 [转卖]进行直接盈利或[编辑后售卖]进行间接盈利)。
2、本站所有内容均由合作方或网友上传,本站不对文档的完整性、权威性及其观点立场正确性做任何保证或承诺!文档内容仅供研究参考,付费前请自行鉴别。
3、如文档内容存在违规,或者侵犯商业秘密、侵犯著作权等,请点击“违规举报”。

碎片内容

解析园林绿化工程给水安装施工方案

确认删除?
微信客服
  • 扫码咨询
会员Q群
  • 会员专属群点击这里加入QQ群