电脑桌面
添加小米粒文库到电脑桌面
安装后可以在桌面快捷访问

路桥工程技术交底

路桥工程技术交底_第1页
1/36
路桥工程技术交底_第2页
2/36
路桥工程技术交底_第3页
3/36
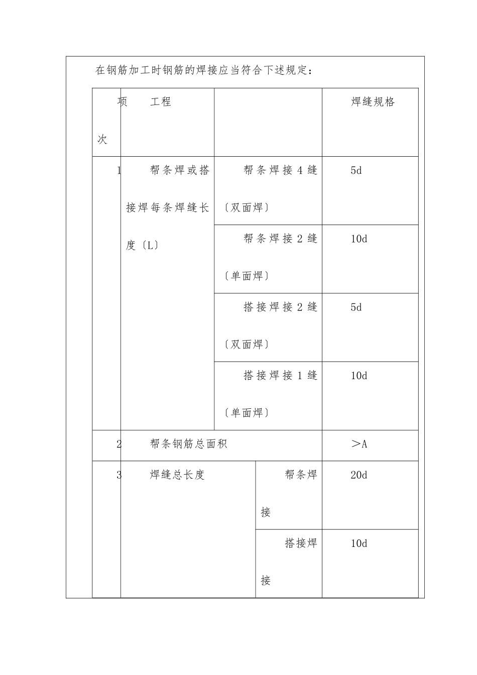
工程技术交底主题挖孔灌注桩主讲潘海鹏交底时间2025.4.25一、施工放样:由工程部技术人员放出桩位并引桩。各施工分部要严格根据桩位施工并在施工过程当中利用引桩常常校核严禁桩位偏移。二、埋设、加固护筒:护筒埋置以不透水、不塌孔壁、高出原地面30 公分以上为原那么。建议用砂浆砌砖至少 25cm 厚或者 30#砼至少20cm 厚同时顶面用砂浆抹平。将引桩引至顶面做校核桩中心用。最后测出顶面高程与孔底标高一起标注于顶面在施工中方便查验。另外注意护筒直径应比设计桩径大 20-40cm。三、挖孔:在挖孔过程当中为了进一步保证桩孔的孔径和垂直度要求每延米用吊锤检查一遍孔的垂直度配合钢卷尺量一下孔径的大小。每下挖 5-8 米要求用 6m 长的孔规检测孔的孔径和垂直度。挖孔到达设计深度后应进度孔底处理必须做到孔底外表无松渣、泥、沉淀土。四、钢筋笼的加工和吊放:在钢筋加工时钢筋的焊接应当符合下述规定:项次工程焊缝规格1帮条焊或搭接焊每条焊缝长度〔L〕帮 条 焊 接 4 缝〔双面焊〕5d帮 条 焊 接 2 缝〔单面焊〕10d搭 接 焊 接 2 缝〔双面焊〕5d搭 接 焊 接 1 缝〔单面焊〕10d2帮条钢筋总面积>A3焊缝总长度帮条焊接20d搭接焊接10d4焊缝宽度0.8d 但 不 小于 10mm5焊缝深度0.3d 但 不 小于 4mm应特别注意焊缝的饱满度。焊条必须选用 502 或者 506 规格。2、吊放钢筋笼:在吊放钢筋笼时严禁钢筋笼变形。要保证保护层的厚度。吊放完毕后要固定好钢筋笼防止上浮和左右偏位。五、吊放导:在吊放导时一定要让导位居孔中心以防止其卡挂钢筋笼。六、灌注砼:在灌注间要常测导埋深控制在 2-6m。在提升导时要保持导垂直和位置居中以免挂住钢筋笼造成钢筋笼上浮。灌注砼时要测量好桩长防止灌高灌低。七、凿柱头:凿除柱头要在 50cm-100cm 之间桩头外表凿除平整无剩余松散混凝土。工程技术交底主题挖孔灌注桩主讲潘海鹏交底时间2025.4.25八、场地要求:材料存放区、钢筋存放区必须高出原地面 30cm 以上以防存水。钢筋必须覆盖完全。钢筋加工时要分开地面 30cm 以上材料要隔离存放、码方标志牌齐全。九、、工程分部技术人员要认认真真的做好施工原记录并及时整理上交工程部。十、为了确保本工程建成环保工程、生态工程本着科学开展的原那么我工程部制定了严格的环境保护措施:1、实行严格措施控制施工扬尘。防止施工扬尘对周围居民、农作物及经济林的影响。2、将噪声污染控制在范围以内力争做到不扰民。3...

1、当您付费下载文档后,您只拥有了使用权限,并不意味着购买了版权,文档只能用于自身使用,不得用于其他商业用途(如 [转卖]进行直接盈利或[编辑后售卖]进行间接盈利)。
2、本站所有内容均由合作方或网友上传,本站不对文档的完整性、权威性及其观点立场正确性做任何保证或承诺!文档内容仅供研究参考,付费前请自行鉴别。
3、如文档内容存在违规,或者侵犯商业秘密、侵犯著作权等,请点击“违规举报”。

碎片内容

路桥工程技术交底

您可能关注的文档

确认删除?
VIP
微信客服
  • 扫码咨询
会员Q群
  • 会员专属群点击这里加入QQ群
客服邮箱
回到顶部