电脑桌面
添加小米粒文库到电脑桌面
安装后可以在桌面快捷访问

酚醛树脂固体装置现场管理类隐患排查治理清单

酚醛树脂固体装置现场管理类隐患排查治理清单_第1页
1/11
酚醛树脂固体装置现场管理类隐患排查治理清单_第2页
2/11
酚醛树脂固体装置现场管理类隐患排查治理清单_第3页
3/11
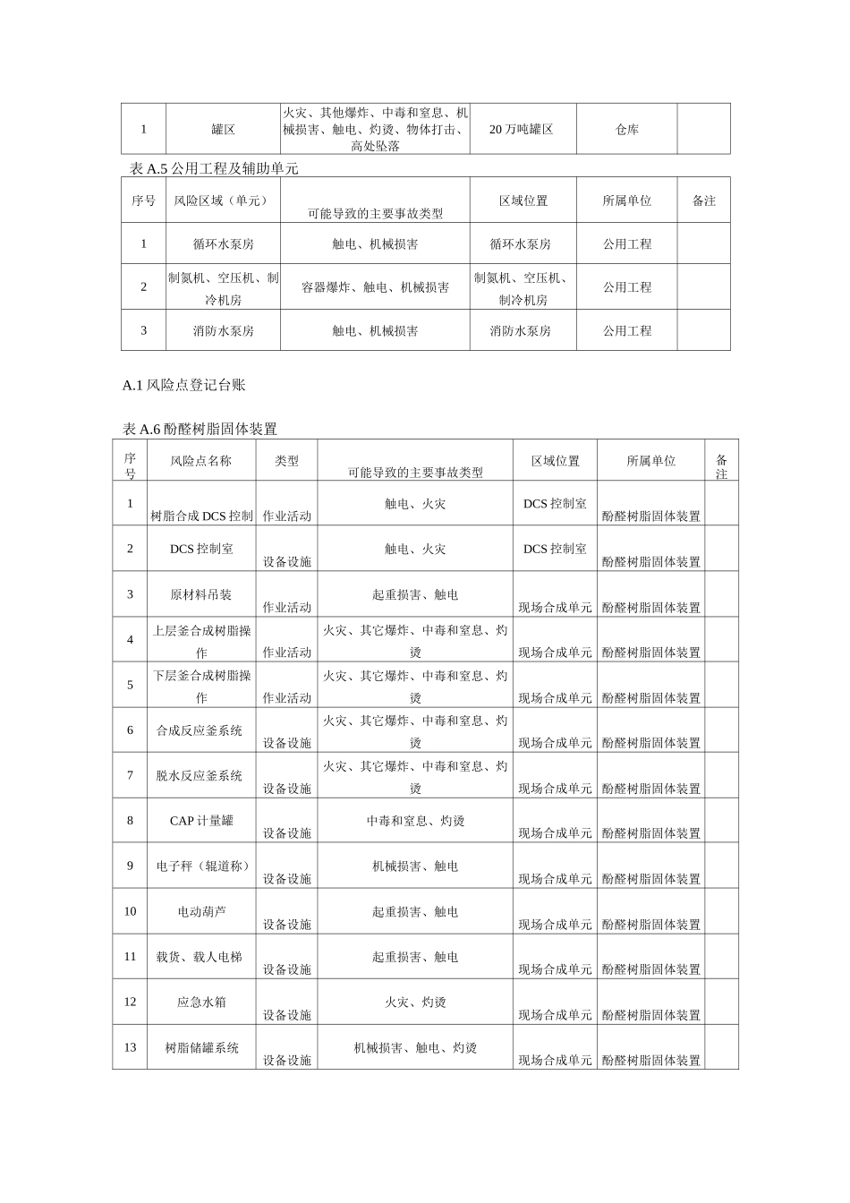
酚醛树脂固体装置现场管理类隐患排查治理清单A.0 风险区域(单元)划分表表 A.1 酚醛树脂固体装置序号风险区域(单元)可能导致的主要事故类型区域位置所属单位备注1DCS 控制室触电、火灾DCS 控制室酚醛树脂固体装置2现场合成单元火灾、其它爆炸、中毒和窒息、灼烫、机械损害、起重损害现场合成单元酚醛树脂固体装置3造粒单元机械损害、触电、灼烫造粒单元酚醛树脂固体装置4包装单元机械损害、触电、灼烫包装单元酚醛树脂固体装置5真空泵房单元触电、机械损害、灼烫、火灾真空泵房酚醛树脂固体装置表 A.2 酚醛树脂液体装置序号风险区域(单元)可能导致的主要事故类型区域位置所属单位备注1DCS 控制室触电、火灾、其他损害DCS 控制室酚醛树脂液体装置2现场合成单元火灾、其它爆炸、中毒和窒息、灼烫、起重损害、触电现场合成单元酚醛树脂液体装置3真空泵房单元火灾、其它爆炸、中毒和窒息、触电真空泵房单元酚醛树脂液体装置4包装单元火灾、其它爆炸、中毒和窒息、触电、机械损害、灼烫包装单元酚醛树脂液体装置表 A.3 酚醛树脂磨粉装置序号风险区域(单元)可能导致的主要事故类型区域位置所属单位备注1备料单元物体打击、车辆损害、高处坠落、触电、机械损害、其它爆炸备料单元酚醛树脂磨粉装置2粉碎单元物体打击、触电、起重损害、其它爆炸、高处坠落、机械损害、车辆损害、火灾粉碎单元酚醛树脂磨粉装置3过筛单元触电、物体打击、高处坠落、其它损害、其它爆炸、机械损害过筛单元酚醛树脂磨粉装置4包装单元机械损害、触电、物体打击、高处坠落、其它损害、其它爆炸包装单元酚醛树脂磨粉装置表 A.4 罐区序号风险区域(单元)可能导致的主要事故类型区域位置所属单位备注1罐区火灾、其他爆炸、中毒和窒息、机械损害、触电、灼烫、物体打击、高处坠落20 万吨罐区仓库表 A.5 公用工程及辅助单元序号风险区域(单元)可能导致的主要事故类型区域位置所属单位备注1循环水泵房触电、机械损害循环水泵房公用工程2制氮机、空压机、制冷机房容器爆炸、触电、机械损害制氮机、空压机、制冷机房公用工程3消防水泵房触电、机械损害消防水泵房公用工程A.1 风险点登记台账表 A.6 酚醛树脂固体装置序号风险点名称类型可能导致的主要事故类型区域位置所属单位备注1树脂合成 DCS 控制 作业活动触电、火灾DCS 控制室酚醛树脂固体装置2DCS 控制室设备设施触电、火灾DCS 控制室酚醛树脂固体装置3原材料吊装作业活动起重损害、触电现场合成...

1、当您付费下载文档后,您只拥有了使用权限,并不意味着购买了版权,文档只能用于自身使用,不得用于其他商业用途(如 [转卖]进行直接盈利或[编辑后售卖]进行间接盈利)。
2、本站所有内容均由合作方或网友上传,本站不对文档的完整性、权威性及其观点立场正确性做任何保证或承诺!文档内容仅供研究参考,付费前请自行鉴别。
3、如文档内容存在违规,或者侵犯商业秘密、侵犯著作权等,请点击“违规举报”。

碎片内容

酚醛树脂固体装置现场管理类隐患排查治理清单

您可能关注的文档

确认删除?
VIP
微信客服
  • 扫码咨询
会员Q群
  • 会员专属群点击这里加入QQ群
客服邮箱
回到顶部