电脑桌面
添加小米粒文库到电脑桌面
安装后可以在桌面快捷访问

钢筋安装工程质量检验批验收记录表

钢筋安装工程质量检验批验收记录表_第1页
1/16
钢筋安装工程质量检验批验收记录表_第2页
2/16
钢筋安装工程质量检验批验收记录表_第3页
3/16
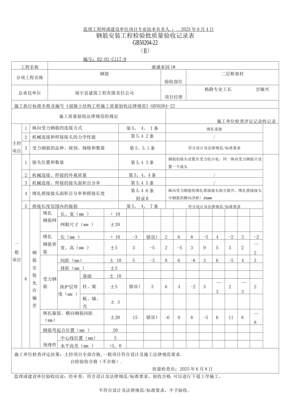
钢筋安装工程检验批质量验收记录表GB50204-22(II)编号: 02 — 01—C117—2 工程名称康盛家园 1#分项工程名称钢筋验收部位一层框架柱总承包单位靖宇县建筑工程有限责任公司项目经理杨静专业工长宫敏兴施工执行标准名称及编号《混凝土结构工程施工质量验收法律规范》GB50204 —22施工质量验收法律规范的规定施工单位检查评定记录收记录主控项目1纵向受力钢筋的连接方式第 5。4.1 条绑扎连接2机械连接和焊接接头的力学性能第 5。4.2 条/3受力钢筋的品种、级别、规格和数量第 5.5。1 条符合设计及法律规范/标准要求一般项目1接头位置和数量第条钢筋的接头设置在受力较小处,同一纵向受力钢筋只设置一个接头2机械连接、焊接的外观质量第 5。4.4 条/3机械连接、焊接的接头面积百分率第条/4绑扎搭接接头面积百分率和搭接长度第 5。 4。 6 条附录 B纵向受力钢筋的绑扎搭接接头相互错开,绑扎搭接接头中钢筋的横向净距〉25mm5搭接长度范围内的箍筋第 5。4.7 条符合设计及法律规范/标准要求6钢筋安装允许偏差绑扎钢筋网长、宽(mm)+ 10网眼尺寸(mm )±20绑扎钢筋骨架长(mm )+ 1062-243536—23宽、高(mm )±5-234—2353212受力钢筋间距(mm)± 10—536436-531-2排距(mm)±5保护层厚度(mm )基础± 10柱、梁±52—3322—33—232板、墙、壳± 3绑扎箍筋、横向钢筋间距(mm )±20—10123—58-791012-5钢筋弯起点位置(mm )20预埋件中心线位置(mm )5水平高差(mm )+3,0施工单位检查评定结果:主控项目全部合格,一般项目符合设计及施工法律规范要求。自检验收合格(不合格)。质量检查员:2025 年 5 月 25 日监理或建设单位验收结论:经审查,符合设计及法律规范/标准要求,验收合格。可以进行下道工序施工.不符合设计及法律规范/标准要求,不予验收。监理工程师或建设单位项目专业技术负责人:2025 年 5 月 25 日钢筋安装工程检验批质量验收记录表GB50204-22(II)编号: 02 — 01-C117 — 5 工程名称康盛家园 1#分项工程名称钢筋验收部位一层梁、板、楼梯总承包单位靖宇县建筑工程有限责任公司项目经理杨静专业工长宫敏兴施工执行标准名称及编《混凝土结构工程施工质量验收法律规范》GB50204-22号施工质量验收法律规范的规定施工单位检查评定记录嚣录主控项目1纵向受力钢筋的连接方式第 5。4.1 条绑扎连接2机械连接和焊接接头的力学性能第 5。 4。 2 条/3受力钢筋的品种、级别、规格...

1、当您付费下载文档后,您只拥有了使用权限,并不意味着购买了版权,文档只能用于自身使用,不得用于其他商业用途(如 [转卖]进行直接盈利或[编辑后售卖]进行间接盈利)。
2、本站所有内容均由合作方或网友上传,本站不对文档的完整性、权威性及其观点立场正确性做任何保证或承诺!文档内容仅供研究参考,付费前请自行鉴别。
3、如文档内容存在违规,或者侵犯商业秘密、侵犯著作权等,请点击“违规举报”。

碎片内容

钢筋安装工程质量检验批验收记录表

您可能关注的文档

确认删除?
VIP
微信客服
  • 扫码咨询
会员Q群
  • 会员专属群点击这里加入QQ群
客服邮箱
回到顶部