电脑桌面
添加小米粒文库到电脑桌面
安装后可以在桌面快捷访问

钢筋工程质量控制措施

钢筋工程质量控制措施_第1页
1/4
钢筋工程质量控制措施_第2页
2/4
钢筋工程质量控制措施_第3页
3/4
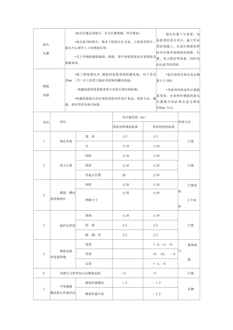
钢筋工程质量控制措施项目措施应注意的问题钢筋检验•钢筋进场时提供材质单,并必须与实际相符;•材质单符合后应取样做复试.取样复试时应考虑见证取样,同时注意不同规格的钢筋至少有一次见证。钢筋堆放•堆放场地应硬化或铺石子,并垫方木,防止泥土污染;•冈筋应分类堆放,挂设标识牌,并满足平台限重要求;吩层堆放时高度不得超过 1。2 米,层与层之间垫方木.钢筋场地应有排水措施,雨季时应考虑覆盖.后台加工•指派专人进行后台工作的管理;•进行详细交底,对于构造要求,加工精度等提出严格要求,特别是箍筋的成型及弯曲半径。•制作样板,根据样板进行下料加工;常常检查加工机械,避开因机械原因影响进度及质量;•梯子筋、柱筋定位筋、马凳钢筋加工尺寸准确,对该涂刷防锈漆的部位必须涂刷并涂刷美观。•严格审查下料单,减少不必要的浪费。•加强后台管理对于钢筋工程质量及减少浪费都至关重要,应尽量利用料头。•梯子筋、柱筋定位筋、马凳钢筋的加工必须对钢筋切断面进行处理,不得出现马碲或毛茬并分别存放。钢筋间距、排距•绑扎前利用盒尺画出钢筋分挡线;•不论墙筋或板筋均拉通线绑扎;•绑扎板筋前应在模板上弹出钢筋线。应适当增加架立筋并加强成品保护,严禁不必要的攀爬、踩踏。墙筋保护层控制•采纳梯子筋及定位框;•模板上设水平定位筋,实现钢筋位移双控;柱上钢筋必须与定位筋绑扎牢固、保证甩筋保护层、位置均准确。•梯子筋提高一个等级,代替该处受力筋。•保护层采纳塑料卡子,梅花形均匀布置。梯子筋只需上、中、下三道短横棍顶模板,且比墙厚小2mm ,端头刷防锈漆,该三根必须使用砂轮机切割,并清除毛刺.板筋保护层控制•下铁保护层采纳塑料垫块,间距一个,梅花形布置;•上铁保护层采纳钢筋马凳控制,与受力筋垂直;•制作专门的高马凳、铺垫脚手板,供水电专业及浇筑砼使用,以防因踩踏造成保护层偏差;•冈筋马凳支腿必须支在下铁上,并且在支腿下设置垫块;•马凳高度要计算准确,加工要精确;唯距施工缝 5cm 左右的地方放置一道马凳,以保护该处上保护层准确。•成品保护非常重要、应有专职的成品保护员。箍筋 135 度及平行控制•后台加工时就应严格根据样板加工,控制箍筋的精度,保证加工准确,平直段不小于 10d,并尺寸统一;为保证成型准确,箍筋直径小于 10mm 的不得采用弯曲机成型;•绑扎时在受力筋上面出分档线,并保证受力筋紧贴箍筋四角;搭接的受力筋应在 45 度的方向上,这样就可以避...

1、当您付费下载文档后,您只拥有了使用权限,并不意味着购买了版权,文档只能用于自身使用,不得用于其他商业用途(如 [转卖]进行直接盈利或[编辑后售卖]进行间接盈利)。
2、本站所有内容均由合作方或网友上传,本站不对文档的完整性、权威性及其观点立场正确性做任何保证或承诺!文档内容仅供研究参考,付费前请自行鉴别。
3、如文档内容存在违规,或者侵犯商业秘密、侵犯著作权等,请点击“违规举报”。

碎片内容

钢筋工程质量控制措施

您可能关注的文档

确认删除?
VIP
微信客服
  • 扫码咨询
会员Q群
  • 会员专属群点击这里加入QQ群
客服邮箱
回到顶部