电脑桌面
添加小米粒文库到电脑桌面
安装后可以在桌面快捷访问

钢筋工程量计算表

钢筋工程量计算表_第1页
1/3
钢筋工程量计算表_第2页
2/3
钢筋工程量计算表_第3页
3/3
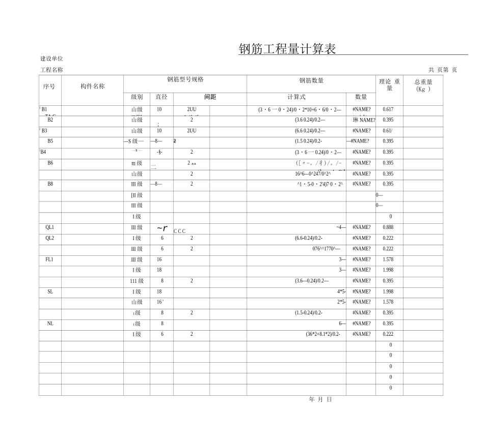
钢筋工程量计算表序号构件名称钢筋型号规格钢筋数量单根长度总长度级别直径间距计算式数量计算式数量B1山级10C2c 八八(3.6 0.24)/0.2*10 + 6.6/0.2—/ o r c\ C/i\/八 c#NAME? 1*2・4 A4021.110+0.24 0.035 + 3.5*0.01*2 —#NAME?B2 111^级82 ,(3.6 0.2.)/0.24__r __n__c C / △__nffNAMU?*1U1I08.1 + 4.9*0.8*2d——n . n__r . n__ci ・ c#NAME?B3出级10C2 n A A(6.6 0・24)/0・2#NAME? 19.n2 88r c1.8 + 3.5*0.01*2 —#NAME?B5T? \—1级—TTT ZlZ82 (1.5 0.24)/ 0.2 —#NAME?—*9630.38*2 + 3.5*0.8*2—琳NAME?B4[甘级0^G,2(3.6~0.24)/0.2—#NAME?*101/0^・9+1.5 + 0.24 0.035 + 3.5*0.8*2—#NAME?B6 D n1 级TTT 41K0^02(1・5 一 0・24)/0・2—#NAME?*2140.59—0.035 + 3.5*0.8*2—#NAME?DI n c山级62 n A A(6・6 一 0・24)/0.2—#NAME?36+4.9*0.8*2—o r . A n . A ccc.c#NAME?B8III 级82(1・5 一 0・24)/0・2—#NAME?36+4.9*0.8*2-#NAME?III 级I 级I 级QL1I 级 TTT 12/-4—#NAME?—f.436*2+6.6*6-#NAME?QL2I 级02(6・6 一 0・24)/0・2—#NAME?^0192(0.24-0.03)*4+0.05-#NAME?I 级62(3.6-0.24)/0.2—#NAME?*20340—(0.24-0.03)*4+0.05-#NAME?FL1I 级To#NAME?36 + 6.25*0.016*2 —#NAME?I 级183—#NAME?36+6.25*0.016*2-#NAME?I 级82(3.6—0.24)/0.2—#NAME?*10*2340(0.24-0.03)*4 + 0.05-#NAME?-SL-I 级184*5—#NAME?1.5+0.4*2-4*0.018-#NAME?I 级162*5 —#NAME?1.5+0.4*2-4*0.018—#NAME?I 级82(1.5—0.24)/0.2—#NAME?*535(024-0.03)*2+(0.4-0.03)*2+0.06—#NAME?NLI 级86—#NAME?36*2+8.1*2 —#NAME?I 级62(36*2+8.1*2)/0.2—#NAME?(0.12-0.03+0.36-0.03)+0.05—#NAME?建设单位工程名称年 月 日共 页第 页钢筋工程量计算表序号构件名称钢筋型号规格钢筋数量理论 重量总重量(Kg )级别直径间距计算式数量1 B1TA C山级TTT ZTZ102UUC 八八(3・6 一 0・24)/0・2*10+6・6/0・2—/c 右 c\A\ /A C#NAME?it AT k 1n0.617B2山级;2 (3.6 0.24)/0.2—琳 NAME?0.3951 B3山级102UU(6.6 0.24)/0.2—#NAME?0.61/B5―S 级——8—2(1.5 0.24)/0.2-—#NAME?0.3951B4—It —-§-2(3・6 一 0.24)/0・2—#NAME?0.395B6ttt 级二2 A A([〃-。/彳)/。/-fA 4、_J—PiA#NAME?0.395山级216^6—0^247/0^2^#NAME?0.395B8III 级—8—2^1・5-0・2'4)7_0・2^#NAME?0.395[II 级0—III 级0—I 级0QL1III 级~rrC C C~4—#NAME?0.888QL2I 级62(6.6-0.24)/0.2-#NAME?0.222III 级62076^^1770^—#NAME?0.222FL1III 级163—#NAME?1.578I 级183—#NAME?1.998111 级82(3.6—0.24)/0.2—#NAME?0.395SLI 级184*5-#NAME?1.998山级16 '2*5-#NAME?1.578I级82(1.5-0.24)/0.2-#NAME?0.395NLI级86—#NAME?0.395I 级62(36*2+8.1*2)/0.2-#NAME?0.22200000建设单位工程名称共 页第 页年 月 日钢筋工程量计算表序号构件名称钢筋型号规格钢筋数量理论重量总重量(Kg)级别直径间距计算式数量10共 页第建设单位工程名称年 月 日

1、当您付费下载文档后,您只拥有了使用权限,并不意味着购买了版权,文档只能用于自身使用,不得用于其他商业用途(如 [转卖]进行直接盈利或[编辑后售卖]进行间接盈利)。
2、本站所有内容均由合作方或网友上传,本站不对文档的完整性、权威性及其观点立场正确性做任何保证或承诺!文档内容仅供研究参考,付费前请自行鉴别。
3、如文档内容存在违规,或者侵犯商业秘密、侵犯著作权等,请点击“违规举报”。

碎片内容

钢筋工程量计算表

您可能关注的文档

雏圣文化+ 关注
实名认证
内容提供者

欢迎光临,大量办公文档供您挑选。

确认删除?
VIP
微信客服
  • 扫码咨询
会员Q群
  • 会员专属群点击这里加入QQ群
客服邮箱
回到顶部