电脑桌面
添加小米粒文库到电脑桌面
安装后可以在桌面快捷访问

门窗工程施工方案11

门窗工程施工方案11_第1页
1/7
门窗工程施工方案11_第2页
2/7
门窗工程施工方案11_第3页
3/7
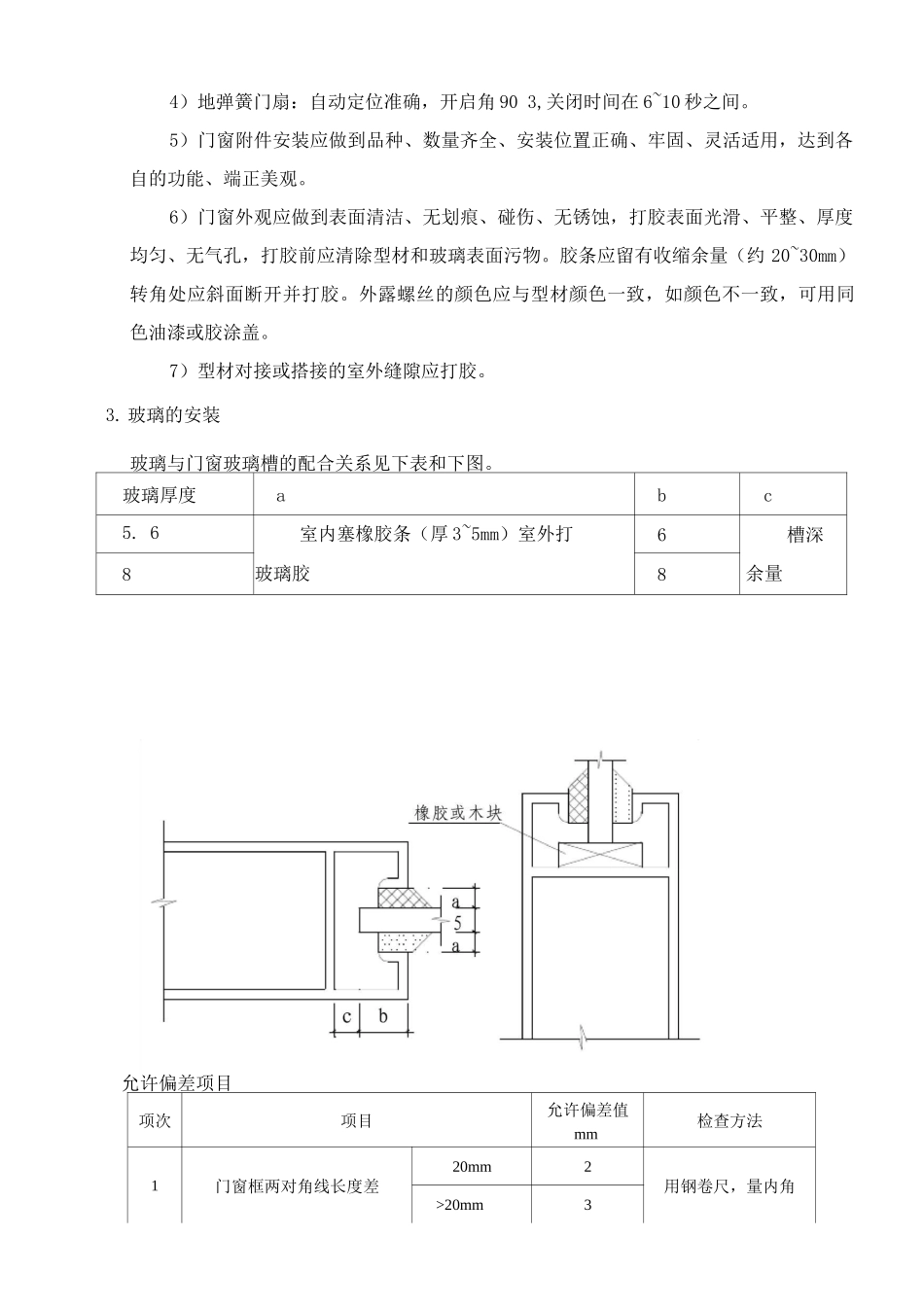
门窗工程施工方案1.工艺流程:2.安装规程(一)准备工作1)熟悉施工图,明确门窗安装的技术要求,门窗数量、规格、安装位置及方向。2)按设计要求检查洞尺寸,如与设计尺寸不符,应予以纠正。3)确认建筑物每层的门窗安装位置参考线(标高线、门窗正面中心线和侧面中心线)明确门窗实际安装位置与放线的关系。4)认真检查门窗的制作质量、数量和外观,并做好验收记录,对不符合质量要求的制品有权拒绝验收。5)安装工具和人员素养必须符合工程要求。(二)质量要求1. 保证项目1)门窗的安装位置、开启方向必须符合设计要求。2)门窗框的安装必须牢固,锚固件的数量、位置,锚固方法及防腐处理必须符合设计要求,锚固件应双侧锚固或交错双侧锚固。锚固连接件可用射钉或膨胀螺栓,但砖墙严禁用射钉固定。洞有间隙时,允许用木楔双向垫紧,但木楔外露部分不得超过 2cm,上表面不得高于型材底边,如间隙过大,允许用其他建筑材料填嵌,但必须用水泥砂浆固定,其高度不得超过型材底梁。配合土建做好防雷措施。2. 基本项目1)门窗扇安装应符合以下规定:2)平开门窗扇:关闭严密、间隙均匀、开关灵活。3)推拉门窗扇:关闭严密、间隙均匀、扇与框搭接量符合设计要求。4)地弹簧门扇:自动定位准确,开启角 90 3,关闭时间在 6~10 秒之间。5)门窗附件安装应做到品种、数量齐全、安装位置正确、牢固、灵活适用,达到各自的功能、端正美观。6)门窗外观应做到表面清洁、无划痕、碰伤、无锈蚀,打胶表面光滑、平整、厚度均匀、无气孔,打胶前应清除型材和玻璃表面污物。胶条应留有收缩余量(约 20~30mm)转角处应斜面断开并打胶。外露螺丝的颜色应与型材颜色一致,如颜色不一致,可用同色油漆或胶涂盖。7)型材对接或搭接的室外缝隙应打胶。3. 玻璃的安装玻璃与门窗玻璃槽的配合关系见下表和下图。玻璃厚度abc5. 6室内塞橡胶条(厚 3~5mm)室外打6槽深8玻璃胶8余量允许偏差项目项次项目允许偏差值mm检查方法1门窗框两对角线长度差20mm2用钢卷尺,量内角>20mm32平开窗窗扇与框搭接宽度差1用深度尺或钢板尺检查3同樘门窗相邻扇的横端高度差2用钢板尺配合拉线检查4推拉扇门窗扇开启力扇面积 1.5m235N用弹簧秤启闭 5 次取平均值5扇面积>1.5m250N门窗扇与框或相邻扇立边平行度2用钢板尺检查6地弹簧门扇门扇对缝或扇与框之间立、横缝留缝2~4用塞尺检查7门扇与地面间隙留缝2 一 78门扇对缝关闭时平整2用深度尺检查9门窗框(含拼樘料)正、侧面垂直度2...

1、当您付费下载文档后,您只拥有了使用权限,并不意味着购买了版权,文档只能用于自身使用,不得用于其他商业用途(如 [转卖]进行直接盈利或[编辑后售卖]进行间接盈利)。
2、本站所有内容均由合作方或网友上传,本站不对文档的完整性、权威性及其观点立场正确性做任何保证或承诺!文档内容仅供研究参考,付费前请自行鉴别。
3、如文档内容存在违规,或者侵犯商业秘密、侵犯著作权等,请点击“违规举报”。

碎片内容

门窗工程施工方案11

一帆文传+ 关注
实名认证
内容提供者

欢迎光临店铺,各类公文供您挑选。

确认删除?
VIP
微信客服
  • 扫码咨询
会员Q群
  • 会员专属群点击这里加入QQ群
客服邮箱
回到顶部