电脑桌面
添加小米粒文库到电脑桌面
安装后可以在桌面快捷访问

预分馏塔技术文件

预分馏塔技术文件_第1页
1/15
预分馏塔技术文件_第2页
2/15
预分馏塔技术文件_第3页
3/15
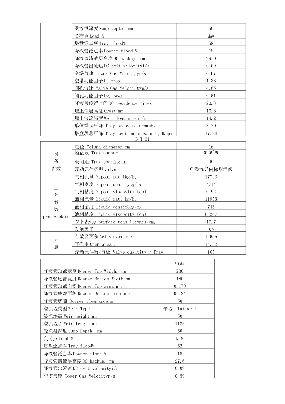
10 万吨/年苯抽提蒸馏装置预分馏塔〔B-T-01〕塔内件技术文件 2025 年 10 月目录1. 总则 12. 标准标准 23. 设计根底 24. 水力学计算结果 25. 技术方案说明 66. 塔内件介绍 67. 工作范围 98. 供货范围 99. 性能保证和质量保证 1010.性能考核 1011.技术效劳、资料交付及设计联络 1112.塔内件验收标准 1313.包装与运输 1414.售后效劳承诺 1415.内件示意图 151. 总则我公司依据提供的 10 万吨/年苯抽提蒸馏装置中的预分馏塔数据资料及要求,进展水力学计算,提出了设计方案。2. 标准标准GB150-1998 ”钢制压力容器”/T4710-25"钢制塔器容器”SH3098-20 ”石油化工塔器设计标准”GB/T 1220-1992 不 锈钢棒”GB/T 1221-1992 耐热钢棒”GB/T3274-1998 碳素构造钢和低合金钢热轧厚钢板和钢带”GB912-89”碳素构造钢和低合金钢热轧薄钢板和钢带”GB/3280-1992 ”不锈钢冷扎钢板”GB/T4237-1992 不锈钢热扎钢板”/T1119-1999 ”卡子”/T1120-1999 ”双面可拆连接件”SH/T3406 管道法兰标准注:(1)以上标准、标准及要求如有冲突时,应按其中最严格者执行。(2)以上所有标准与标准如有最新版本,以最新有效版本为准3. 设计根底见 10 万吨/年苯抽提蒸馏装置中的预分馏塔数据资料及要求。4. 水力学计算结果4.1 预分馏塔B-T-01设备参数塔径 Column diameter mm16塔盘段 Tray number3526~60板间距 Tray spacing mm5浮动元件类型 Valve单溢流导向梯形浮阀工艺参数process气相流量 Vapour rat〔kg/h〕20253气相密度 Vapour densitykg/m3〕4.19气相粘度 Vapour viscosity〔cp〕0.92液相流量 Liquid ratl^kg/h〕12098液相密度 Liquid densit3kg/m3〕758液相粘度 Liquid viscosity〔cp〕0.268data夕卜表*力 Surface tens〔idynes/cm〕18.8发泡因子0.9计算结果 result有效区面积 Active aream 21.655开孔率 Open area %14.32浮动元件数/每板 Valve quantity / Tray165Side降液管顶部宽度 Downer Top Width, mm230降液管底部宽度 Downer Bottom Width mm180降液管顶部面积 Downer Top area m 20.178降液管底部面积 Downer Bottom area m 20.124降液管底隙 Downer clearance mm50溢流堰类型 Weir Type平堰 flat weir溢流堰高 Weir height mm50溢流堰长 Weir lengt,h mm1123受液盘深度 Sump Depth,mm50负荷点 Load,%MA*塔盘泛点率 Tray floo...

1、当您付费下载文档后,您只拥有了使用权限,并不意味着购买了版权,文档只能用于自身使用,不得用于其他商业用途(如 [转卖]进行直接盈利或[编辑后售卖]进行间接盈利)。
2、本站所有内容均由合作方或网友上传,本站不对文档的完整性、权威性及其观点立场正确性做任何保证或承诺!文档内容仅供研究参考,付费前请自行鉴别。
3、如文档内容存在违规,或者侵犯商业秘密、侵犯著作权等,请点击“违规举报”。

碎片内容

预分馏塔技术文件

确认删除?
VIP
微信客服
  • 扫码咨询
会员Q群
  • 会员专属群点击这里加入QQ群
客服邮箱
回到顶部