电脑桌面
添加小米粒文库到电脑桌面
安装后可以在桌面快捷访问

预应力张拉工序作业指导书

预应力张拉工序作业指导书_第1页
1/12
预应力张拉工序作业指导书_第2页
2/12
预应力张拉工序作业指导书_第3页
3/12
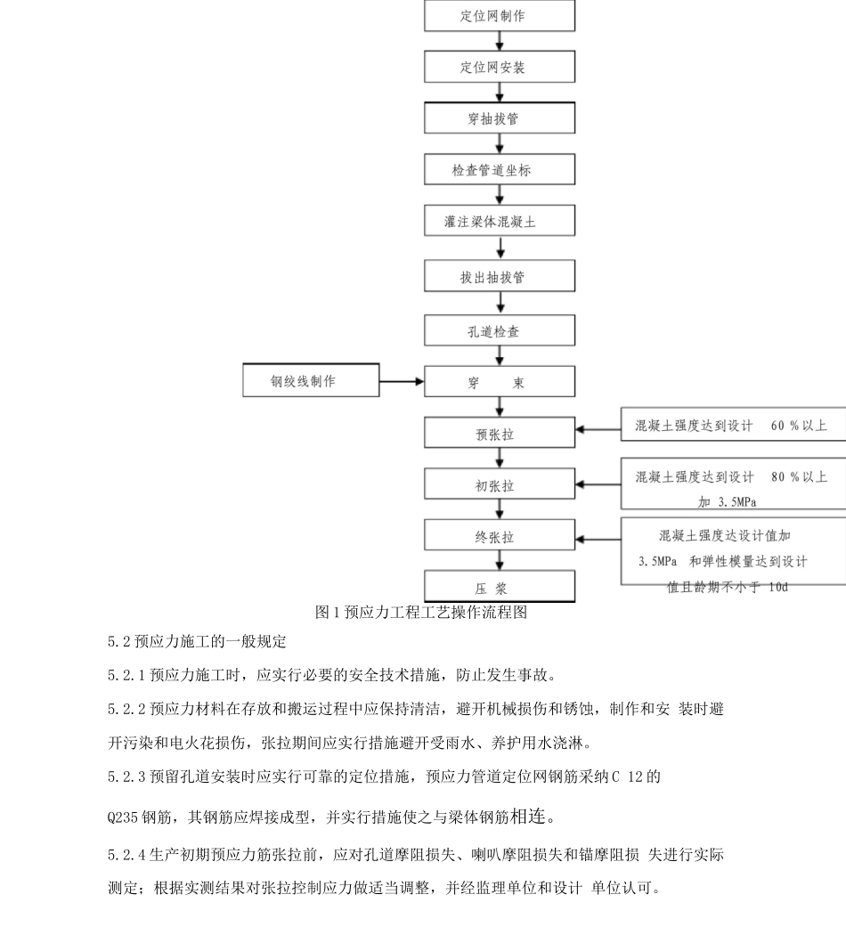
预应力张拉工序作业指导书1 适用范围本作业指导书适用于梁场后张法预应力混凝土铁路简支箱梁预应力张拉工序施 工。2 引用标准科技基[27]120 号 客运专线预应力混凝土预制梁暂行技术条件铁建设[25]160 号 客运专线铁路桥涵工程施工质量验收暂行标准铁建设[25]160 号 铁路混凝土工程施工质量验收补充标准 TZ210-2205 铁路混凝土工程施工技术指南TZ213-25 客运专线铁路桥涵工程施工技术指南TB10210 铁路混凝土及砌体工程施工法律规范JHTAJS-01-28 后张法预应力混凝土铁路简支箱梁企业标准JHTAJS-02-28 后张法预应力混凝土铁路简支箱梁生产工艺细则3 职责张拉工班负责预应力施工。技术部负责预应力技术指导,试验负责设备校验,油表校对。4 技术标准与要求4.1 人员:本工序为特别工序,作业人员必须持证上岗,并进行岗前培训。4.2 材料4.2.1 钢绞线预应力梁用钢绞线 1 x 7-15.2-1860-GB/T5224-23,应符合 GB/T5224-23 标准要求,在外观、直径、强度方面均应满足该标准,进场时必须有材质证明书。(1 ) 31.5 米梁钢绞线分为 9-705、12-705 两种。(2 ) 23.5 米梁钢绞线分为 7-70 5、8-70 5 两种。4.2.2 锚具、夹片锚具、夹片配套齐全。工作锚具及夹片在使用前应进行外行外观检验及硬度和锚固效率试验,并符合 GB/T14370-20 标准要求。(1 ) 31. 5 米梁采纳的张拉端锚具为 M15-9、M15-12 两种;(2) 23. 5 米梁采纳的张拉端锚具为 M15-7、M15-8 两种。4.3 张拉机具(1)油泵选用型号为 2YBZ-55。(2)千斤顶选用型号为:YCW30B 。(3)油压表选用 1.0 级普通压力表,量程 0〜60MPa。4.4 机具校验油表和千斤顶应按检定周期定期检定。张拉设备应配套标定,配套使用。当在 使用过程中出现异常现象或在设备检修后,应重新标定。(1)张拉千斤顶的校验系数不得大于 1.05,千斤顶标定的有效期不得超过 1 个 月,且不超过 2 次张拉作业。(2)油压表的精度为 1.0 级,标定的有效期不得超过 1 周。4.5 现场:设置安全警示,并且有防护设施,做好施工记录。工作人员应服从现场管理人 员的安排。5 施工方法及作业程序5.1 预应力工程工艺操作流程图预应力工程工艺操作流程图如图 1 所示。图 1 预应力工程工艺操作流程图5.2 预应力施工的一般规定5.2.1 预应力施工时,应实行必要的安全技术措施,防止发生事故。5.2.2 预应力材料在存放和搬运过程中应保持清洁,避开机械损伤和锈蚀,制作和安 装时...

1、当您付费下载文档后,您只拥有了使用权限,并不意味着购买了版权,文档只能用于自身使用,不得用于其他商业用途(如 [转卖]进行直接盈利或[编辑后售卖]进行间接盈利)。
2、本站所有内容均由合作方或网友上传,本站不对文档的完整性、权威性及其观点立场正确性做任何保证或承诺!文档内容仅供研究参考,付费前请自行鉴别。
3、如文档内容存在违规,或者侵犯商业秘密、侵犯著作权等,请点击“违规举报”。

碎片内容

预应力张拉工序作业指导书

雏圣文化+ 关注
实名认证
内容提供者

欢迎光临,大量办公文档供您挑选。

确认删除?
VIP
微信客服
  • 扫码咨询
会员Q群
  • 会员专属群点击这里加入QQ群
客服邮箱
回到顶部